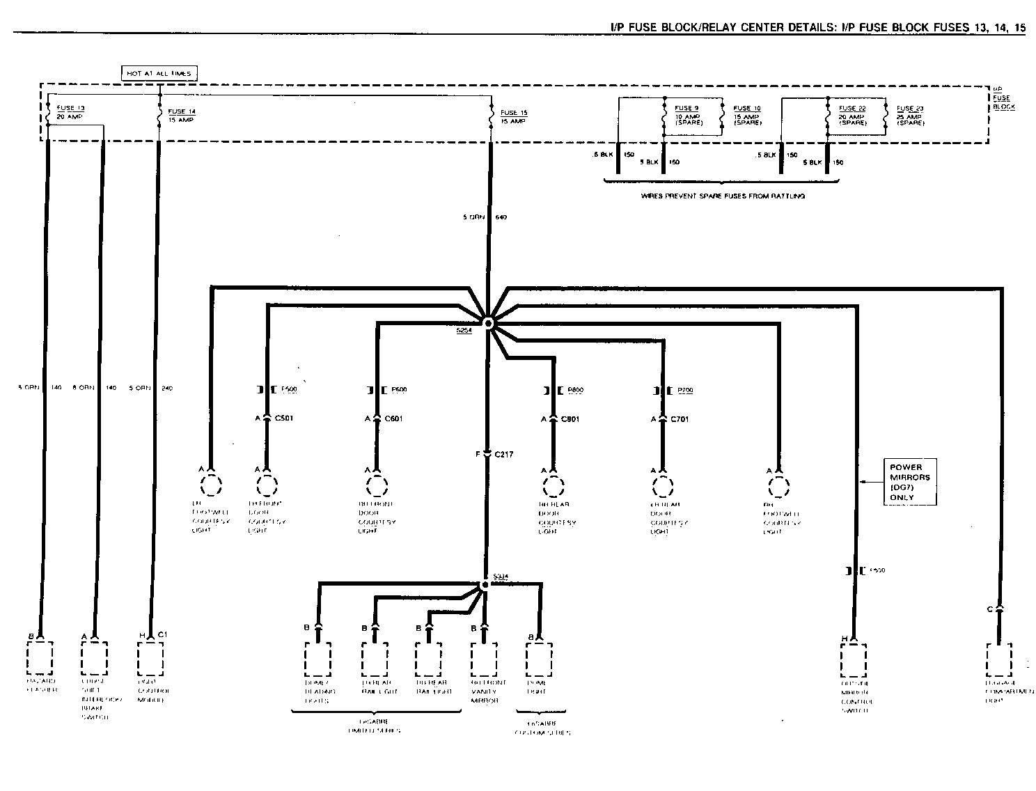
This bulletin provides LATE PRODUCTION AND DESIGN INFORMATION ranging from wire gauge and colour changes to changing connector pinout identification and wiring routing changes. The following information reflects current changes and revisions to the Electrical Systems/Service Manual Diagnostic Procedures:
1992 Buick LeSabre (2 pages of art, pages 2 and 3) 1992 Buick Park Avenue/Park Avenue Ultra (6 pages of art, pages 4 thru 9) 1992 Pontiac Bonneville SE (3 pages of art, pages 10 thru 12) 1992 Pontiac Bonneville SSE/SSEI (16 pages of art, pages 13 thru 28) 1992 Oldsmobile Eighty-Eight (5 pages of art, pages 29 thru 33) 1992 Oldsmobile Ninety-Eight (6 pages of art, pages 34 thru 39)
Please update your Service Manuals accordingly.
General Motors bulletins are intended for use by professional technicians, not a "do-it-yourselfer". They are written to inform those technicians of conditions that may occur on some vehicles, or to provide information that could assist in the proper service of a vehicle. Properly trained technicians have the equipment, tools, safety instructions and know-how to do a job properly and safely. If a condition is described, do not assume that the bulletin applies to your vehicle, or that your vehicle will have that condition. See a General Motors dealer servicing your brand of General Motors vehicle for information on whether your vehicle may benefit from the information.