GM Service Manual Online
For 1990-2009 cars only

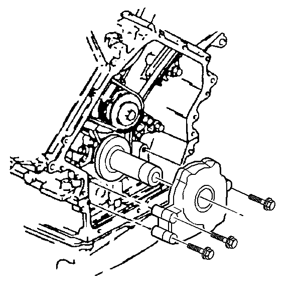
Removal Procedure

  1. Remove the engine front cover. Refer to Engine Front Cover Replacement .

  2. Object Number: 53627  Size: SH
  3. Remove the three oil pump mounting bolts.
  4. Remove the oil pump and the drive spacer.

Installation Procedure

  1. Install the oil pump drive spacer into the oil pump from the rear so the drive flat engages the pump rotor.

  2. Object Number: 53627  Size: SH
  3. Install the oil pump.
  4. Install the three oil pump mounting bolts.
  5. Tighten
    Tighten the bolts to 10 N·m (89 lb in) + 35 degrees.

    Notice: Use the correct fastener in the correct location. Replacement fasteners must be the correct part number for that application. Fasteners requiring replacement or fasteners requiring the use of thread locking compound or sealant are identified in the service procedure. Do not use paints, lubricants, or corrosion inhibitors on fasteners or fastener joint surfaces unless specified. These coatings affect fastener torque and joint clamping force and may damage the fastener. Use the correct tightening sequence and specifications when installing fasteners in order to avoid damage to parts and systems.

  6. Install the engine front cover. Refer to Engine Front Cover Replacement .