GM Service Manual Online
For 1990-2009 cars only
Makes
🢒
Cadillac
🢒
1996
🢒
Concours
🢒
Engine
🢒
Engine Cooling
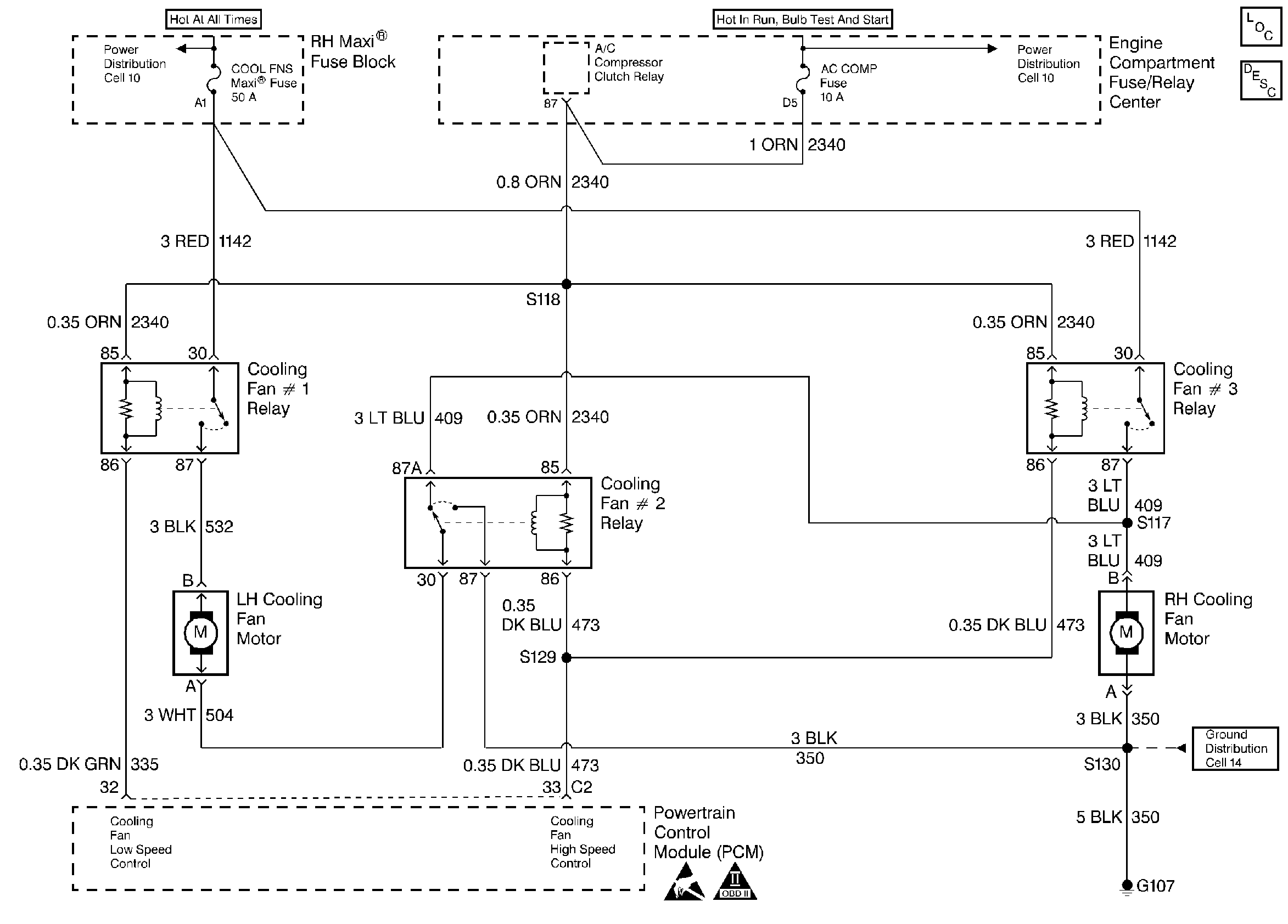
🢒 Coolant Fans Schematics
Handling Electrostatic Discharge Sensitive Parts Notice
Cooling System Components
Electric Cooling Fan
OBD II Symbol Description Notice