GM Service Manual Online
For 1990-2009 cars only

Fuel Hose and Pipes Engine Compartment

Removal Procedure

Tools Required

J 34730-1A , Fuel Pressure GaugeJ 37088-A , Fuel Pipe Separator Tool Set

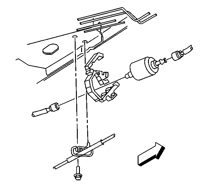
Notice: Do Not attempt to repair the EVAP pipes or the connecting hoses. Replace the damaged EVAP pipes or the connecting hoses are damaged. If the nylon EVAP pipe becomes kinked and cannot be straightened, it must be replaced.


    Object Number: 239214  Size: SH
  1. Relieve fuel system pressure. Refer to Fuel Pressure Relief Procedure .
  2. Raise the vehicle.
  3. Remove retaining hardware for the section to be replaced.
  4. Inspect the location of the attaching hardware for installation.
  5. Remove the fuel pipe retainer.
  6. Remove the quick connect fittings at the fuel return (3), fuel feed pipe (2), and fuel vapor pipe (1). Refer to Servicing Quick Connect Fittings .
  7. Install the protective caps on pipe.

  8. Object Number: 242424  Size: SH
  9. Raise the vehicle and suitably support.
  10. Remove the quick connect fitting at the fuel filter.
  11. Remove the hardware retaining section of the pipe to be replaced.
  12. Note the location of the attaching hardware for installation.
  13. Remove the section of pipe to be replaced.
  14. Wipe off the male pipe end using a clean shop towel.
  15. Inspect quick-connect fittings for dirt and burrs.
  16. Notice: Use an emery cloth in order to remove rust or burrs from the fuel pipe. Use a radial motion with the fuel pipe end in order to prevent damage to the O-ring sealing surface.

  17. Clean or replace components or assemblies as required.

Installation Procedure

Caution: In order to reduce the risk of fire and personal injury observe the following items:

   • Replace all nylon fuel pipes that are nicked, scratched or damaged during installation, do not attempt to repair the sections of the nylon fuel pipes
   • Do not hammer directly on the fuel harness body clips when installing new fuel pipes. Damage to the nylon pipes may result in a fuel leak.
   • Always cover nylon vapor pipes with a wet towel before using a torch near them. Also, never expose the vehicle to temperatures higher than 115°C (239°F) for more than one hour, or more than 90°C (194°F) for any extended period.
   • Apply a few drops of clean engine oil to the male pipe ends before connecting fuel pipe fittings. This will ensure proper reconnection and prevent a possible fuel leak. (During normal operation, the O-rings located in the female connector will swell and may prevent proper reconnection if not lubricated.)


    Object Number: 242424  Size: SH
  1. Position the new fuel pipe in original location.
  2. Remove the protective cap(s) from fuel pipe(s).

  3. Object Number: 12784  Size: SH
  4. Apply a few drops of clean engine oil to the male connector pipe end.

  5. Object Number: 12786  Size: SH
  6. Install the quick-connect fitting at fuel filter.
  7. Push connector together to cause the retaining tabs/fingers to snap into place.

  8. Object Number: 12787  Size: SH
  9. Pull on both ends of connection to make sure connection is secure once installed.
  10. Install retaining hardware.
  11. Install the fuel pipe retainers.
  12. Lower the vehicle.

  13. Object Number: 239214  Size: SH
  14. Install the for engine compartment fuel pipes at the fuel vapor pipe (1), fuel return (2), or fuel feed pipe (3).

  15. Object Number: 41527  Size: SH
  16. Tighten the fuel filler cap.
  17. Install the negative battery cable. Refer to Engine Electrical.
  18. Inspect for leaks.
  19. 13.1. Turn the ignition switch ON for 2 seconds.
    13.2. Turn the ignition switch OFF for 5 seconds.
    13.3. Turn the ignition switch ON.
    13.4. Check for fuel leaks.

Fuel Hose and Pipes Filter to Sender

Removal Procedure

Tools Required

J 34730-1A , Fuel Pressure Gauge

Notice: Do not attempt to straighten any kinked nylon fuel lines. Replace any kinked nylon fuel feed or return pipes in order to prevent damage to the vehicle.


    Object Number: 246727  Size: SH
  1. Remove the negative battery cable. Refer to Engine Electrical.
  2. Relieve the fuel system pressure. Refer to Fuel Pressure Relief Procedure .
  3. Raise the vehicle and suitably support.

  4. Remove the quick-connect fittings at fuel feed and return pipes. Refer to Servicing Quick Connect Fittings .
  5. Remove the hardware retaining section of hose to be replaced.
  6. Inspect the locaton of attaching hardware for installation.

  7. Remove the fuel tank. Refer to Fuel Tank Replacement .
  8. Remove the section of pipe to be replaced.

Installation Procedure

Caution: In order to reduce the risk of fire and personal injury observe the following items:

   • Replace all nylon fuel pipes that are nicked, scratched or damaged during installation, do not attempt to repair the sections of the nylon fuel pipes
   • Do not hammer directly on the fuel harness body clips when installing new fuel pipes. Damage to the nylon pipes may result in a fuel leak.
   • Always cover nylon vapor pipes with a wet towel before using a torch near them. Also, never expose the vehicle to temperatures higher than 115°C (239°F) for more than one hour, or more than 90°C (194°F) for any extended period.
   • Apply a few drops of clean engine oil to the male pipe ends before connecting fuel pipe fittings. This will ensure proper reconnection and prevent a possible fuel leak. (During normal operation, the O-rings located in the female connector will swell and may prevent proper reconnection if not lubricated.)


    Object Number: 155425  Size: SH
  1. Position the new fuel pipe in original location.
  2. Remove the protective caps from fuel pipe.
  3. Apply a few drops of clean engine oil to the male connector pipe end.

  4. Object Number: 155771  Size: SH
  5. Install the quick-connect fitting at fuel sender.
  6. Push the connector together to cause the retaining tabs/fingers to snap into place.

  7. Object Number: 155399  Size: SH
  8. Pull on both ends of connection to make sure connection is secure once installed.
  9. Install the retaining hardware.
  10. Repeat connect procedure for the other fuel pipe quick-connector.
  11. Install the fuel tank. Refer to Fuel Tank Replacement .
  12. Lower the vehicle.

  13. Object Number: 41527  Size: SH
  14. Tighten the fuel filler cap.
  15. Install the negative battery cable. Refer to Engine Electrical.
  16. Inspect for leaks.
  17. 13.1. Turn the ignition switch ON for 2 seconds.
    13.2. Turn the ignition switch OFF for 5 seconds.
    13.3. Turn the ignition switch ON.
    13.4. Check for fuel leaks.

Fuel Hose and Pipes Rear EVAP Pipe and Fuel Hose

Removal Procedure

Tools Required

J 34730-1A , Fuel Pressure Gauge

  1. Relieve the fuel System Pressure. Refer to Fuel Pressure Relief Procedure .
  2. Notice: If the nylon pipes become kinked, and cannot be straightened, replace them.

       • Do Not attempt to repair sections of nylon pipes. If damaged, replace.
       • When replacing the vapor pipes, always replace them with original equipment or parts that meet GM specifications.
       • When replacing the vapor hoses, always replace them with original equipment or parts meeting GM specifications. Use only reinforced fuel-resistant hose identified with the word Fluoroelastomer or GM 6163-M on the hose.


    Object Number: 237458  Size: SH
  3. Remove the hardware retaining section of hose to be replaced.
  4. Note the location of attaching hardware for installation.

  5. Remove the fuel tank if replacing pipes to the modular fuel sender. Refer to Fuel Tank Replacement .
  6. Remove the quick-connect fitting at fuel filter if replacing EVAP pipe from the in-line fuel filter to EVAP canister. Refer to Servicing Quick Connect Fittings .
  7. Remove the section of pipe or hose.
  8. Inspect the hoses for cuts, swelling, cracks, and distortion.
  9. Replace the pipes or hoses as required.

Installation Procedure

    Notice: Follow the same routing as the original pipes and hoses. Secure the pipes and hoses in order to prevent chafing.


    Object Number: 237458  Size: SH
  1. Install the pipe or hose.
  2. Install the fuel tank if necessary. Refer to Fuel Tank Replacement .
  3. Install the quick-connect fitting at fuel filter if replacing EVAP pipe from fuel filter to EVAP canister. Refer to Servicing Quick Connect Fittings .
  4. Install the retaining hardware.
  5. Inspect for leaks.
  6. Install the negative battery cable. Refer to Engine Electrical.
  7. 6.1. Turn the ignition switch ON for 2 seconds.
    6.2. Turn the ignition switch OFF for 5 seconds.
    6.3. Turn the ignition switch ON.
    6.4. Check for fuel leaks.