Notice: Place the ignition switch in the LOCK position when disconnecting or reconnecting the power to the PCM in order to prevent internal PCM damage. Place the ignition switch in the LOCK position when disconnecting or reconnecting the battery cables, the PCM connectors, or the fuses. The ignition switch supplies power to the PCM in all key positions except LOCK.
Important: It is necessary to record the remaining engine oil life. If the replacement module is not programed with the remaining engine oil life, the engine oil life will default to 100%. If the replacement module is not programmed with the remaining engine oil life, the engine oil will need to be changed at 5000 km (3,000 mi) from the last engine oil change.
Important: It is necessary to record the remaining automatic transmission fluid life. If the replacement module is not programed with the remaining automatic transmission fluid life, the automatic transmission fluid life will default to 100%. If the replacement module is not programmed with the remaining automatic transmission fluid life, the automatic transmission fluid will need to be changed at 83000 km (50,000 mi) from the last automatic transmission fluid change.
Important: The key must be in the LOCK position for a minimum of 30 seconds prior to disconnecting power to the PCM. This is to allow the PCM to store the Transaxle fluid life, transaxle shift adapts and Throttle Position Learned value into the EEPROM. Failure to wait the 30 seconds may result in a EEPROM reset and the Transaxle fluid life being reset to 0.
| • | If installing a replacement PCM the KS module will have to be transferred from the original PCM to the replacement PCM. Refer to Knock Sensor (KS) Module Replacement . |
| • | If installing a replacement PCM the PCM Isolators (3) will have to be transferred to the replacement PCM. |
If a replacement PCM is being installed it will be necessary to transfer the KS module from the original PCM. Refer to Knock Sensor (KS) Module Replacement .
Tighten
Tighten the PCM connectors screws to 10 N·m
(7 lb ft). Refer to
Notice: Use the correct fastener in the correct location. Replacement fasteners must be the correct part number for that application. Fasteners requiring replacement or fasteners requiring the use of thread locking compound or sealant are identified in the service procedure. Do not use paints, lubricants, or corrosion inhibitors on fasteners or fastener joint surfaces unless specified. These coatings affect fastener torque and joint clamping force and may damage the fastener. Use the correct tightening sequence and specifications when installing fasteners in order to avoid damage to parts and systems.
in general information.
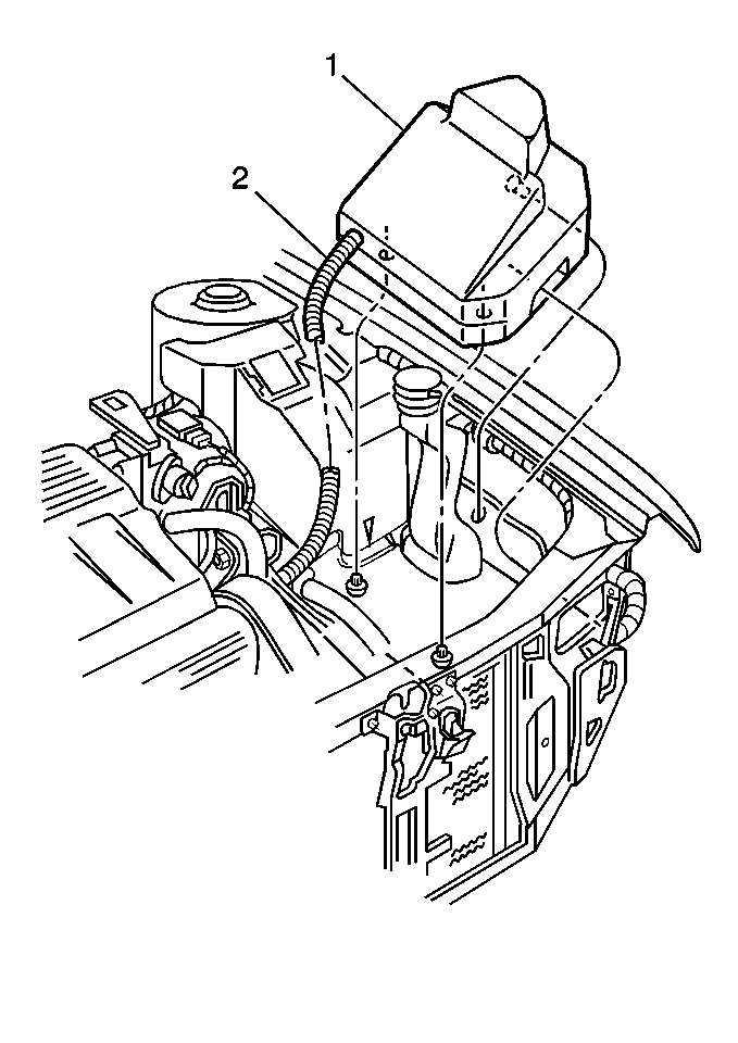
Important: An improperly installed air cleaner or a distorted /missing Intake Air Duct may cause a DTC to set. Ensure air cleaner assembly and IA duct is installed correctly and that there are no kinks or folds in the IA Duct or possible debris in the air cleaner assembly or the MAF sensor inlet screen that may distort the air flow.
Tighten
Tighten the Intake Air duct clamp to 3 N·m
(27 lb in).
Tighten
Tighten the 5 gusset (brace) attaching bolts to
24 N·m (18 lb ft).
Notice: The PCM will be damaged if proper programming procedures are not followed.
| • | The PCM contains the correct program |
| • | The PCM connectors are fully engaged into the PCM. |
| • | That all fuses are present and not blown. |
| • | Clear DTC P0603. |
| • | Reset Transaxle fluid life to that recorded prior to PCM removal. |
| • | Reset Engine oil life to that recorded prior to PCM replacement. |