GM Service Manual Online
For 1990-2009 cars only
Figure 1:

PCM Power and Grounds


Object Number: 16013  Size: FS
Engine Controls Components
Ignition Control (IC) Module
OBD II Symbol Description Notice
ESD Notice
ESD Notice
Figure 2:

Ignition Control (IC) Module


Object Number: 16014  Size: FS
Engine Controls Components
Fuel Pump and Relay
PCM Power and Grounds
OBD II Symbol Description Notice
ESD Notice
ESD Notice
Figure 3:

Fuel Pump and Relay


Object Number: 16015  Size: FS
Engine Controls Components
Fuel Injectors
Ignition Control (IC) Module
OBD II Symbol Description Notice
ESD Notice
Figure 4:

Fuel Injectors


Object Number: 16016  Size: FS
Engine Controls Components
IAT/ ECT/ TP/ MAP and BBV Sensors
Fuel Pump and Relay
OBD II Symbol Description Notice
ESD Notice
Figure 5:

IAT/ ECT/ TP/ MAP and BBV Sensors


Object Number: 16017  Size: FS
Engine Controls Components
MAF Sensor/ EVAP Components/ Linear EGR Valve
Fuel Injectors
OBD II Symbol Description Notice
ESD Notice
ESD Notice
Figure 6:

MAF Sensor/ EVAP Components/ Linear EGR Valve


Object Number: 16018  Size: FS
Engine Controls Components
Heated Oxygen Sensors
IAT/ ECT/ TP/ MAP and BBV Sensors
OBD II Symbol Description Notice
ESD Notice
Figure 7:

Heated Oxygen Sensors


Object Number: 16021  Size: FS
Engine Controls Components
IAC Valve and PSP/ Oil Level/ TR Switches
MAF Sensor/ EVAP Components/ Linear EGR Valve
OBD II Symbol Description Notice
ESD Notice
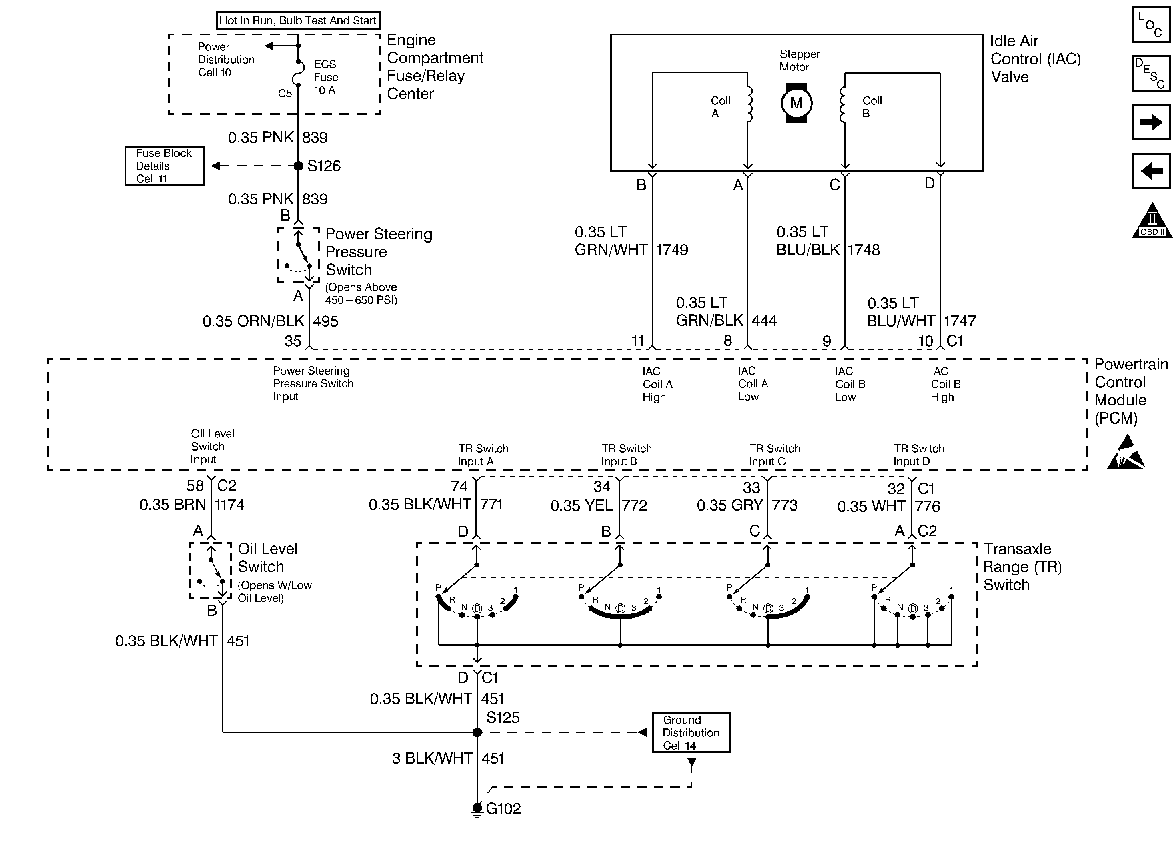
Figure 8:

IAC Valve and PSP/ Oil Level/ TR Switches


Object Number: 42537  Size: FS
Engine Controls Components
VSS/ Vehicle Speed Output/ SMCC
Heated Oxygen Sensors
OBD II Symbol Description Notice
ESD Notice
Figure 9:

VSS/ Vehicle Speed Output/ SMCC


Object Number: 16029  Size: FS
Engine Controls Components
Brake Switch/ Transaxle - partial
IAC Valve and PSP/ Oil Level/ TR Switches
OBD II Symbol Description Notice
ESD Notice
ESD Notice
ESD Notice
ESD Notice
Figure 10:

Brake Switch/ Transaxle - partial


Object Number: 16032  Size: FS
Engine Controls Components
Transaxle - partial
VSS/ Vehicle Speed Output/ SMCC
OBD II Symbol Description Notice
ESD Notice
Figure 11:

Transaxle - partial


Object Number: 16035  Size: FS
Engine Controls Components
EBTCM/ Generator/ A/C Relay/ RSS
Brake Switch/ Transaxle - partial
OBD II Symbol Description Notice
ESD Notice
ESD Notice
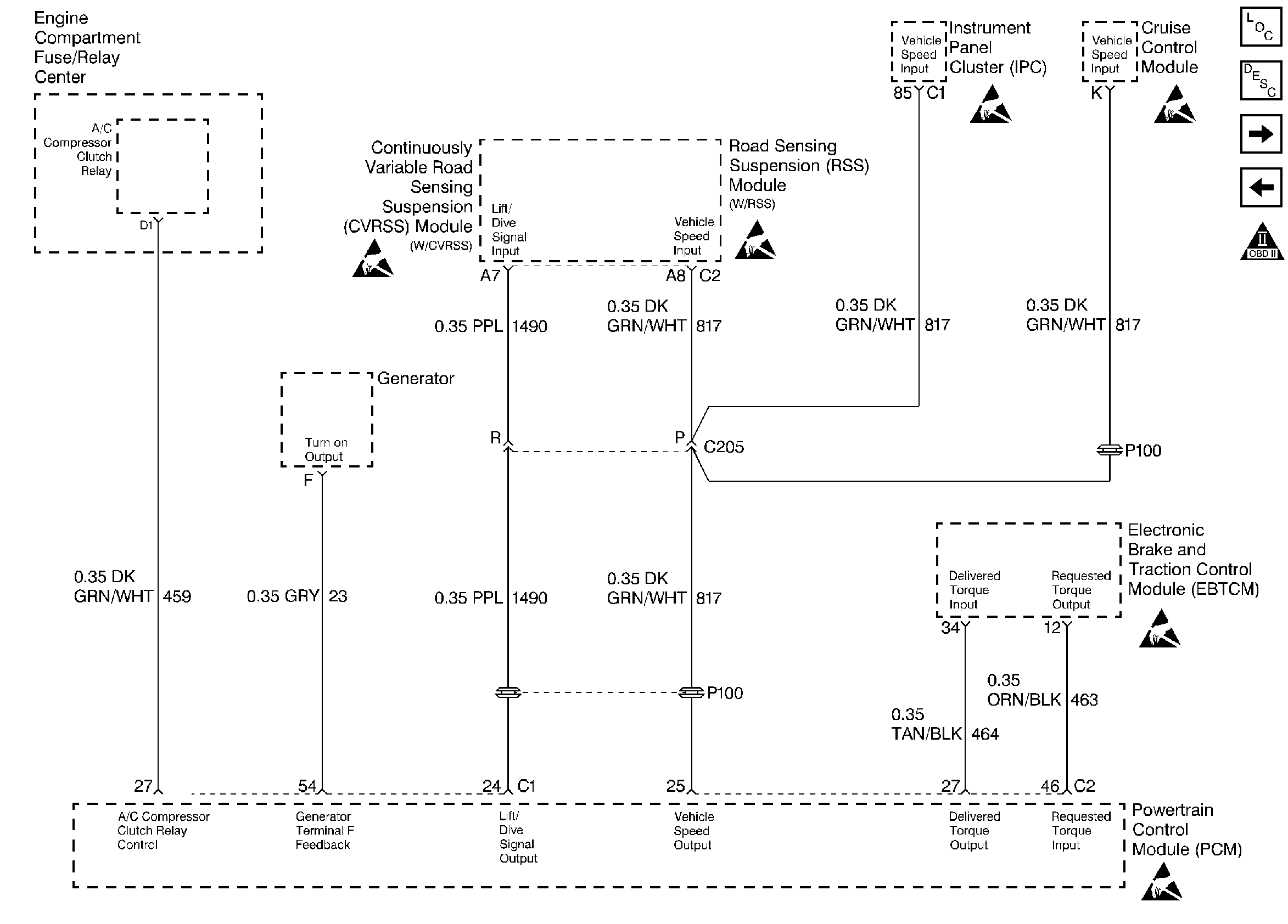
Figure 12:

EBTCM/ Generator/ A/C Relay/ RSS


Object Number: 42542  Size: FS
Engine Controls Components
Cooling Fans/ Relays
Transaxle - partial
OBD II Symbol Description Notice
ESD Notice
ESD Notice
ESD Notice
ESD Notice
ESD Notice
ESD Notice
Figure 13:

Cooling Fans/ Relays


Object Number: 16045  Size: FS
Engine Controls Components
EBTCM/ Generator/ A/C Relay/ RSS
OBD II Symbol Description Notice
ESD Notice