GM Service Manual Online
For 1990-2009 cars only

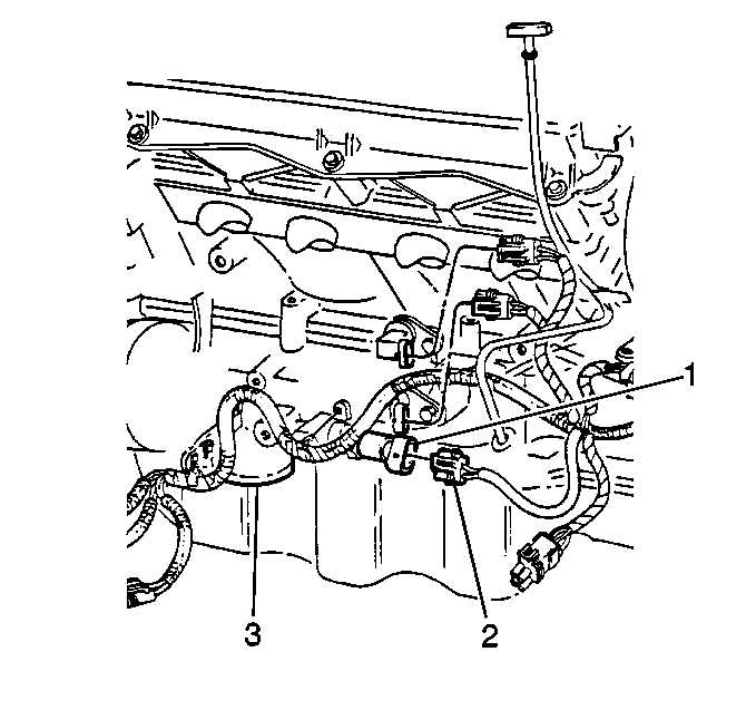
Removal Procedure


    Object Number: 35613  Size: SH
  1. Raise the vehicle and support.
  2. Remove the front splash shield.
  3. Remove the electrical connector (2) from the sensor.
  4. Remove the sensor (1) from the oil filter adapter (3).

Installation Procedure


    Object Number: 35613  Size: SH
  1. Install the sensor (1) to the oil filter adapter (3).
  2. Tighten
    Tighten the sensor to 12 N·m (106 lb in).

    Refer to the

    Notice: Use the correct fastener in the correct location. Replacement fasteners must be the correct part number for that application. Fasteners requiring replacement or fasteners requiring the use of thread locking compound or sealant are identified in the service procedure. Do not use paints, lubricants, or corrosion inhibitors on fasteners or fastener joint surfaces unless specified. These coatings affect fastener torque and joint clamping force and may damage the fastener. Use the correct tightening sequence and specifications when installing fasteners in order to avoid damage to parts and systems.

    in General Information.

  3. Install the electrical connector to the sensor.