GM Service Manual Online
For 1990-2009 cars only

Intake Manifold Assembly Procedure


    Object Number: 205428  Size: SH

    Important: The following steps are only necessary if the throttle body or intake manifold required replacement.

  1. Align the snap lock retainers and fuel injectors in position on the intake manifold.

  2. Object Number: 205463  Size: SH
  3. Snap the entire fuel rail and injector assembly into the intake manifold by pressing the fuel rail and injector simultaneously into correct position. DO NOT force the injector into position or damage to the o-ring seals could occur. Keep the fuel rail ground wire (1) clear of the injectors.

  4. Object Number: 211456  Size: SH
  5. Connect the fuel regulator vacuum tube.

  6. Object Number: 315073  Size: SH
  7. Place the fuel injector wire harness in position and connect each connector to its respective fuel injector.

  8. Object Number: 331876  Size: SH
  9. Install the power brake booster vacuum hose.

  10. Object Number: 205474  Size: SH

    Important: Make sure all mating surfaces for the throttle body spacer and throttle body are clean. Any debris or flawed sealing surfaces could cause vacuum leaks and hinder engine performance.

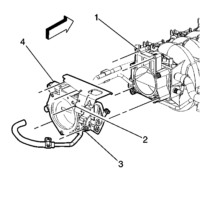
  11. Install the throttle body spacer retaining bolts (2) and throttle body spacer (1) to the intake manifold.
  12. Notice: Use the correct fastener in the correct location. Replacement fasteners must be the correct part number for that application. Fasteners requiring replacement or fasteners requiring the use of thread locking compound or sealant are identified in the service procedure. Do not use paints, lubricants, or corrosion inhibitors on fasteners or fastener joint surfaces unless specified. These coatings affect fastener torque and joint clamping force and may damage the fastener. Use the correct tightening sequence and specifications when installing fasteners in order to avoid damage to parts and systems.

    Tighten
    Tighten the throttle body spacer bolts to 12 N·m (106 lb in).


    Object Number: 350281  Size: SH
  13. Press the MAP sensor in position at the top of the spacer mounting location.

  14. Object Number: 205480  Size: SH
  15. Install a new throttle body gasket (1) on the throttle body (3). Make sure all the old gasket material is removed.

  16. Object Number: 205484  Size: SH
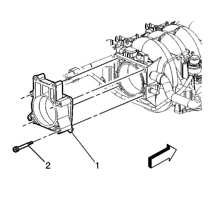
  17. Place the throttle body (4) in position on the throttle body spacer (1).
  18. Install the upper (2) and lower (3) throttle body retaining bolts.
  19. Tighten
    Tighten the upper throttle body retaining bolts to 12 N·m (106 lb in).

    Tighten
    Tighten the lower throttle body retaining bolts to 10 N·m (89 lb in)

Intake Manifold Installation


    Object Number: 331856  Size: SH
  1. Clean any debris from the cylinder head or intake manifold gaskets. Place the intake manfiold in position on the cylinder heads.
  2. Important: The intake manifold carrier gaskets are attached to the intake manifold through a snap-lock feature. When you install the intake manifold, the carrier gaskets will remain attached to the manifold. It is not necessary to replace the gaskets unless there is damage to the seals.

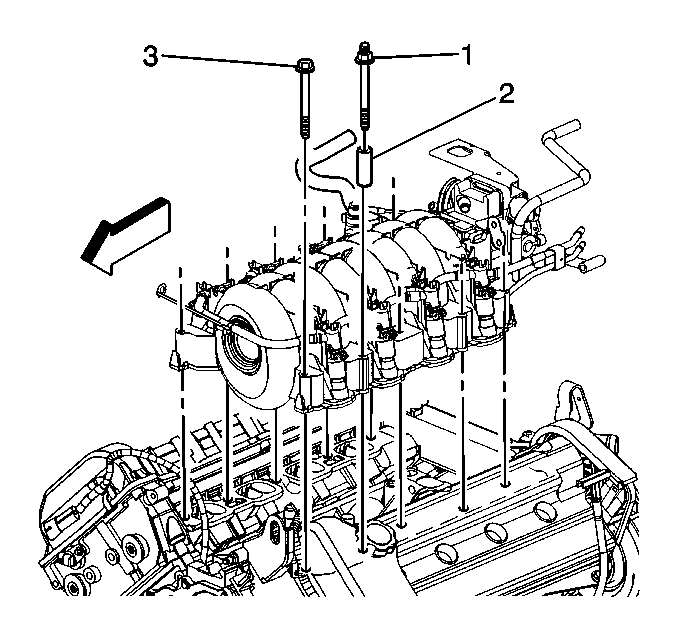
  3. Install the four studs (1) and spacers (2) and six bolts (3).
  4. Notice: Use the correct fastener in the correct location. Replacement fasteners must be the correct part number for that application. Fasteners requiring replacement or fasteners requiring the use of thread locking compound or sealant are identified in the service procedure. Do not use paints, lubricants, or corrosion inhibitors on fasteners or fastener joint surfaces unless specified. These coatings affect fastener torque and joint clamping force and may damage the fastener. Use the correct tightening sequence and specifications when installing fasteners in order to avoid damage to parts and systems.

    Tighten
    Tighten the intake manifold bolts and studs starting from the center and working outward in a circular pattern to 10 N·m (89 lb in).


    Object Number: 205490  Size: SH
  5. Connect the throttle body coolant hose (3) to the water crossover (4).

  6. Object Number: 211443  Size: SH
  7. Connect the fuel rail ground wire at the rear cylinder head.
  8. Tighten
    Tighten the fuel rail ground wire retaining bolt to 11 N·m (97 lb in).

  9. Install the fuel rail bracket retaining nut onto the inner EGR valve mounting stud.
  10. Tighten
    Tighten the fuel rail bracket retaining nut to 18 N·m (13 lb ft).


    Object Number: 211458  Size: SH
  11. Install the purge solenoid harness and retaining bolt. Connect the hose to the intake manifold.
  12. Tighten
    Tighten the purge solenoid harness retaining bolt to 12 N·m (106 lb in).


    Object Number: 206312  Size: SH
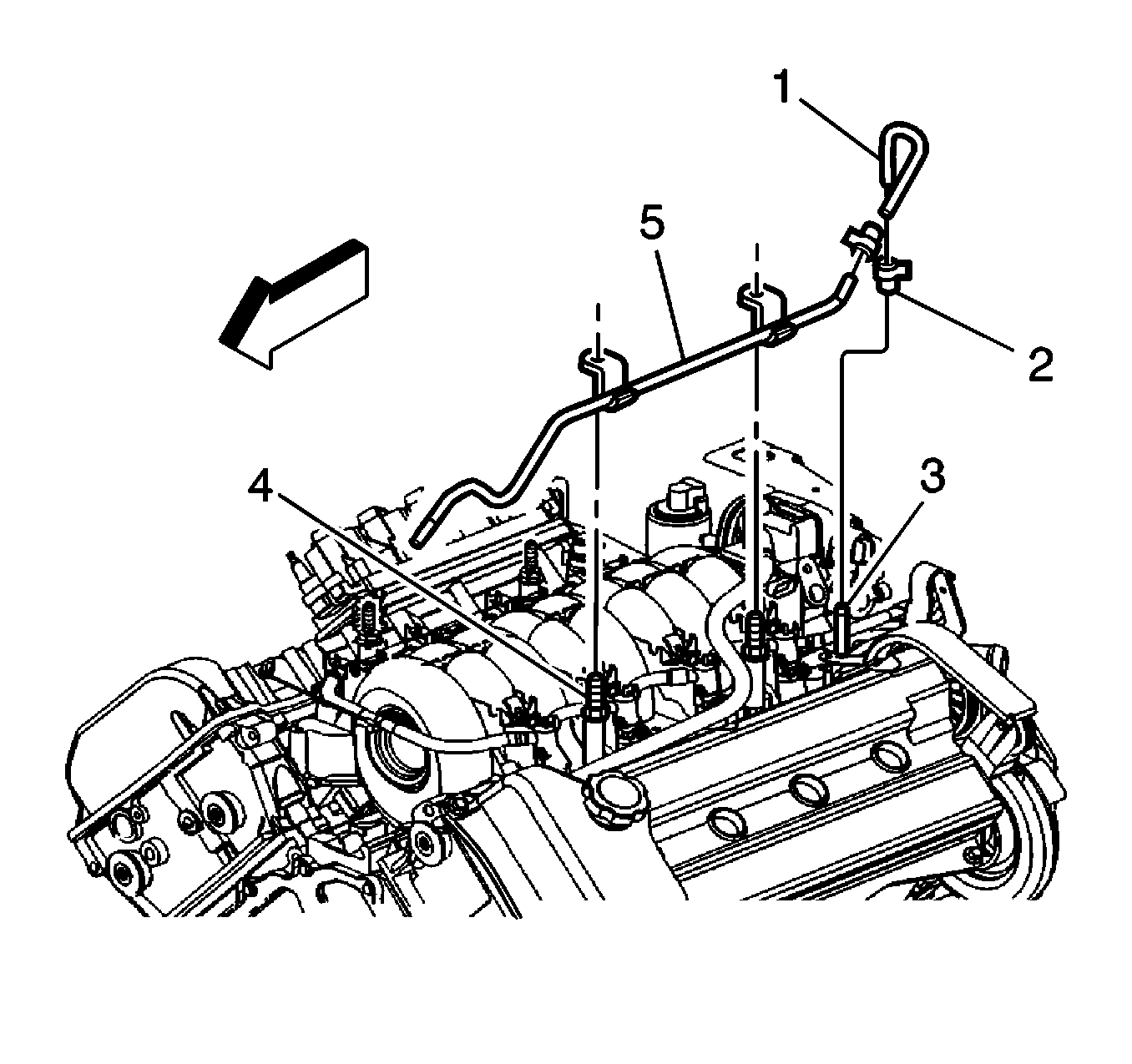
  13. Connect the throttle body coolant outlet hose (1) to the throttle body (2) and place the coolant overflow pipe (5) retaining tabs on the intake manifold studs (4).

  14. Object Number: 315113  Size: SH
  15. Install a new PCV valve in the camshaft cover.

  16. Object Number: 331797  Size: SH
  17. Connect the PCV fresh air feed tube (1) to the camshaft cover and the intake manifold.

  18. Object Number: 205668  Size: SH
  19. Connect the dirty air PCV feed tube (1) to the PCV valve (2) and camshaft cover.

  20. Object Number: 53639  Size: SH
  21. Connect the EGR and crankcase ventilation pipe at the throttle body spacer.