GM Service Manual Online
For 1990-2009 cars only

    Object Number: 331285  Size: SH
  1. Remove the lift bracket retaining studs (2).
  2. Remove the lift bracket (1) from the cylinder head.

  3. Object Number: 315070  Size: SH
  4. Remove the coolant temperature sensor from the cylinder head.

  5. Object Number: 53638  Size: SH
  6. Remove the EGR valve bolts.
  7. Remove the EGR valve and the gasket.

  8. Object Number: 205501  Size: SH
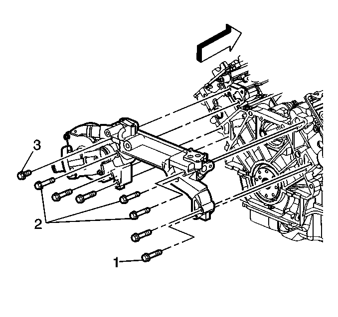
  9. Loosen the water crossover mounting bolts (1-5).

  10. Object Number: 205503  Size: SH
  11. Remove the water crossover and all mounting bolts (1-3).

  12. Object Number: 205557  Size: SH
  13. Remove the upper (1) and lower (2) water crossover gaskets. Do not damage the water crossover gaskets. These gaskets are reusable.