GM Service Manual Online
For 1990-2009 cars only

Removal Procedure

  1. Remove the front cover. Refer to Engine Front Cover Replacement .
  2. Remove the camshaft cover. Refer to Camshaft Cover Replacement (Left) or Camshaft Cover Replacement (Right) .
  3. Align the timing marks first.
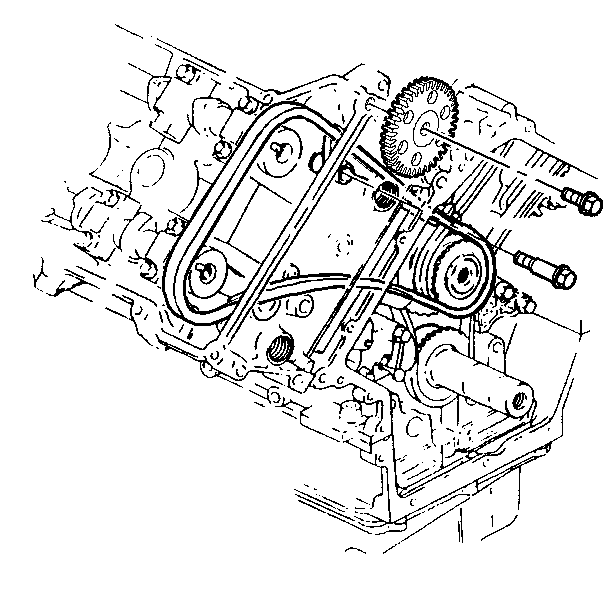
  4. Remove the secondary chain tensioner.

  5. Object Number: 53005  Size: SH
  6. Remove the secondary chain guide. Access the upper chain guide mounting bolt through the hole in the cylinder head covered with a plastic plug.

  7. Object Number: 53626  Size: SH
  8. Remove the camshaft sprocket bolts and sprockets.
  9. Remove the secondary drive chain.

Installation Procedure

  1. For secondary drive chain installation, refer to Setting Camshaft Timing .
  2. Install the front cover. Refer to Engine Front Cover Replacement .
  3. Install the left side cam cover. Refer to Camshaft Cover Replacement (Left) or Camshaft Cover Replacement (Right) .