GM Service Manual Online
For 1990-2009 cars only

Removal Procedure

    Notice: The same removal and installation procedures apply to all three camshaft chain tensioners.

  1. Remove the front cover. Refer to Engine Front Cover Replacement .

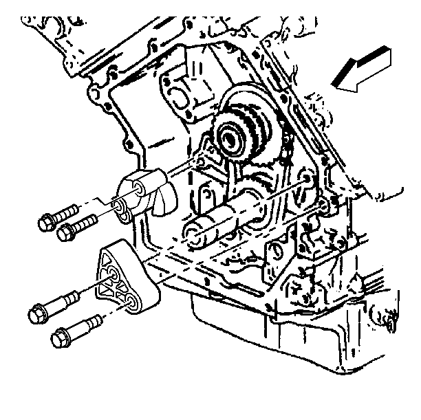
  2. Object Number: 53003  Size: SH
  3. Remove two tensioner mounting bolts.
  4. Remove the tensioner.

Installation Procedure


    Object Number: 53004  Size: SH
  1. Rotate the ratchet release lever counterclockwise and hold.
  2. Collapse the tensioner shoe and hold.
  3. Release the ratchet lever and slowly release the pressure on the shoe.

  4. Object Number: 52989  Size: SH
  5. As the ratchet lever moves to the first click, hold the tensioner shoe inward and insert a pin through the hole in the release lever.
  6. The locked ratchet mechanism should hold the shoe in the collapsed position.

  7. Object Number: 53003  Size: SH

    Important: Make sure the tensioner release lever is facing away from the engine block.

  8. Install the tensioner.
  9. Install the tensioner bolts.
  10. Tighten
    Tighten the bolts to 25 N·m (18 lb ft).

    Notice: Use the correct fastener in the correct location. Replacement fasteners must be the correct part number for that application. Fasteners requiring replacement or fasteners requiring the use of thread locking compound or sealant are identified in the service procedure. Do not use paints, lubricants, or corrosion inhibitors on fasteners or fastener joint surfaces unless specified. These coatings affect fastener torque and joint clamping force and may damage the fastener. Use the correct tightening sequence and specifications when installing fasteners in order to avoid damage to parts and systems.

  11. Remove the retaining pin in order allowing the tensioner shoe to extend.
  12. Install the front cover. Refer to Engine Front Cover Replacement .