GM Service Manual Online
For 1990-2009 cars only
Makes
🢒
Cadillac
🢒
1997
🢒
Concours
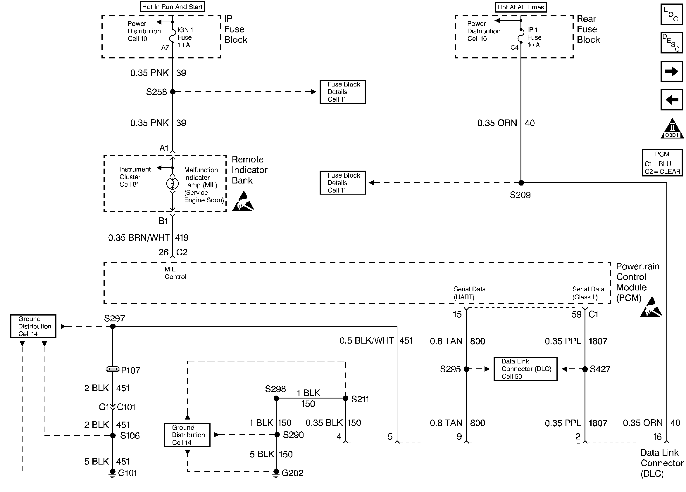
🢒 MIL/DTC
MIL/DTC
MIL/DTC
Ignition Control (IC) Module
PCM Power and Grounds
Engine Controls Components
OBD II Symbol Description Notice
ESD Notice
ESD Notice