GM Service Manual Online
For 1990-2009 cars only
Makes
🢒
Cadillac
🢒
1997
🢒
Concours
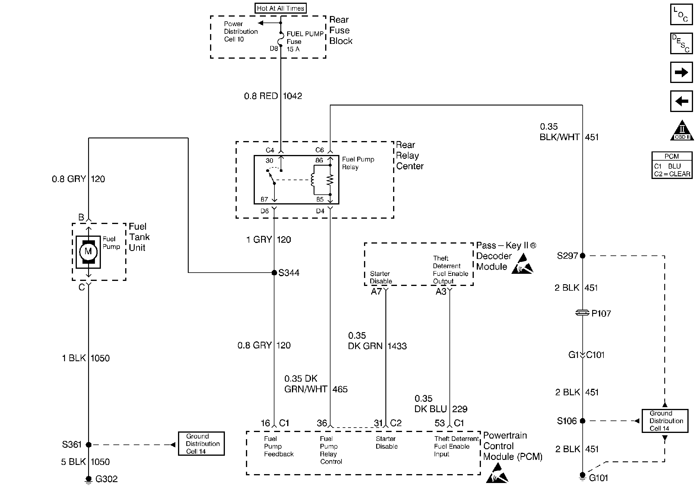
🢒 Fuel Pump/Vehicle Theft Deterrent
Fuel Pump/Vehicle Theft Deterrent
Fuel Pump/Vehicle Theft Deterrent
Fuel Injectors
Ignition Control (IC) Module
Engine Controls Components
OBD II Symbol Description Notice
ESD Notice
ESD Notice