GM Service Manual Online
For 1990-2009 cars only
Makes
🢒
Cadillac
🢒
1997
🢒
Concours
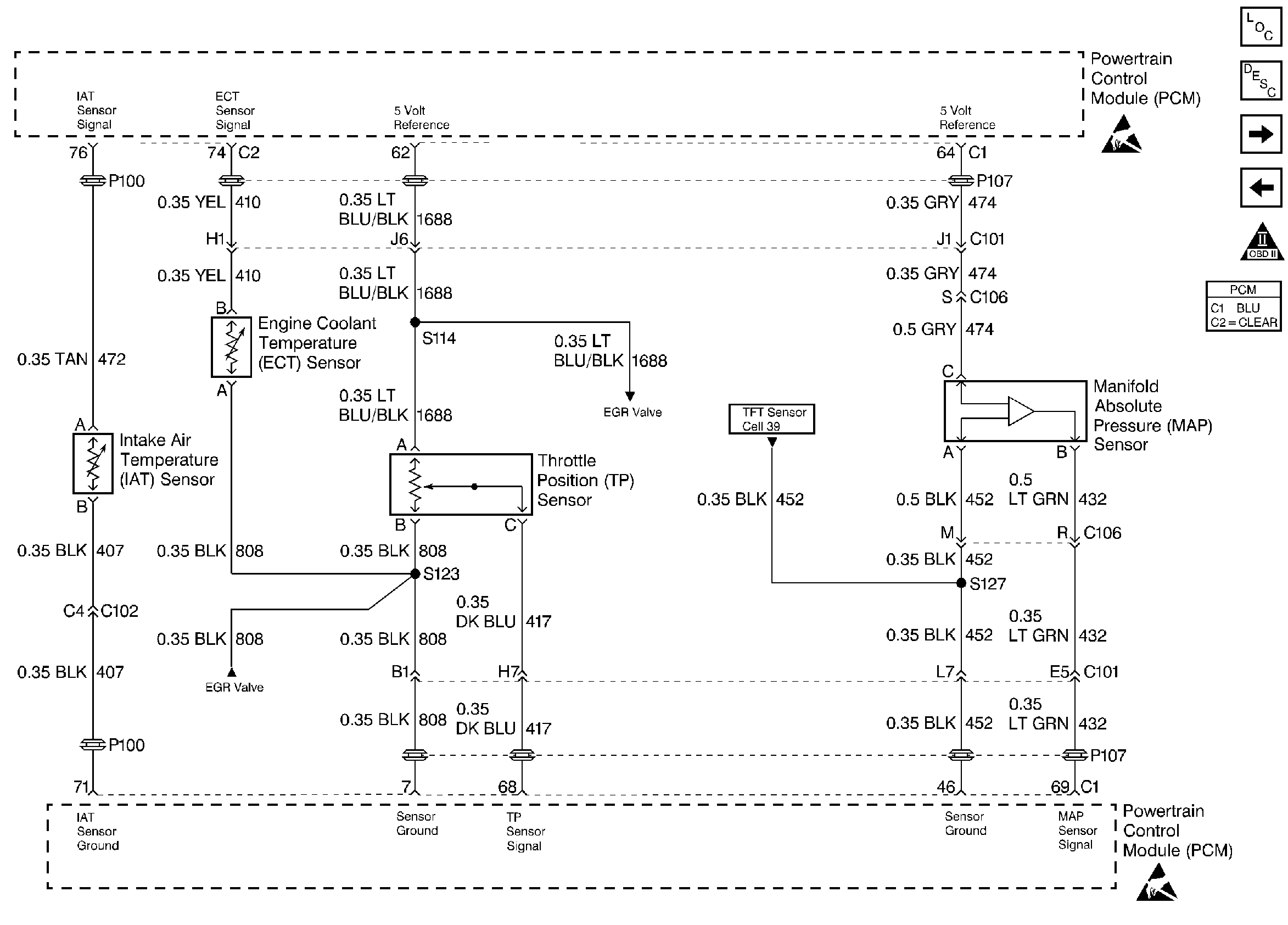
🢒 IAT/ ECT/ TP/ MAP Sensors
IAT/ ECT/ TP/ MAP Sensors
IAT/ ECT/ TP/ MAP Sensors
MAF Sensor/ EVAP Components/ Linear EGR Valve
Fuel Injectors
Engine Controls Components
OBD II Symbol Description Notice
ESD Notice