GM Service Manual Online
For 1990-2009 cars only
Makes
🢒
Cadillac
🢒
1997
🢒
Concours
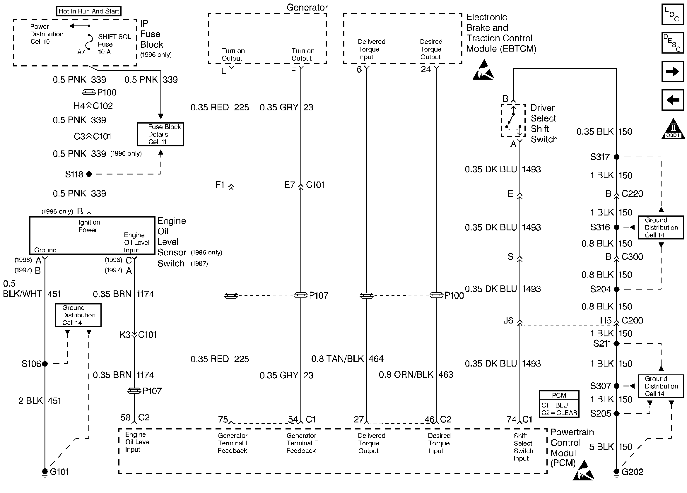
🢒 Engine Oil Level Sensor/ Generator/ EBTCM/ Shift Select Switch
Engine Oil Level Sensor/ Generator/ EBTCM/ Shift Select Switch
Engine Oil Level Sensor/ Generator/ EBTCM/ Shift Select Switch
A/C Compressor Controls
Transaxle (partial)
Engine Controls Components
OBD II Symbol Description Notice
ESD Notice
ESD Notice