GM Service Manual Online
For 1990-2009 cars only
Makes
🢒
Cadillac
🢒
1997
🢒
Concours
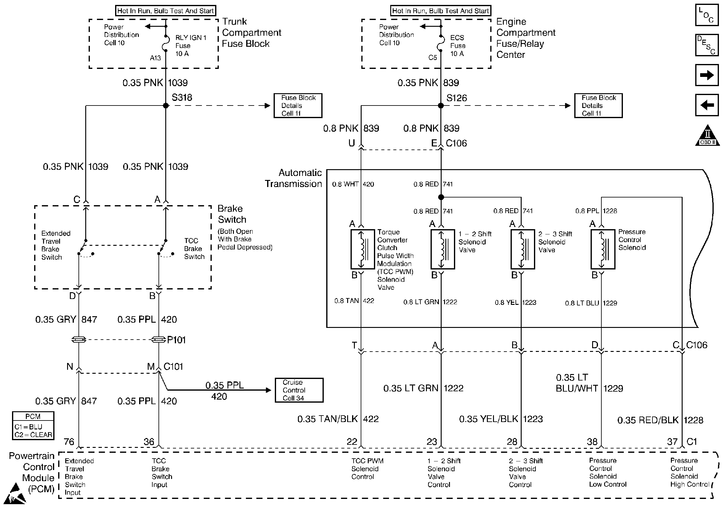
🢒 Brake Switch/ Transaxle - partial
Brake Switch/ Transaxle - partial
Brake Switch/ Transaxle - partial
Engine Controls Components
Transaxle - partial
VSS/ Vehicle Speed Output/ SMCC
OBD II Symbol Description Notice
ESD Notice