GM Service Manual Online
For 1990-2009 cars only
Makes
🢒
Cadillac
🢒
1997
🢒
Concours
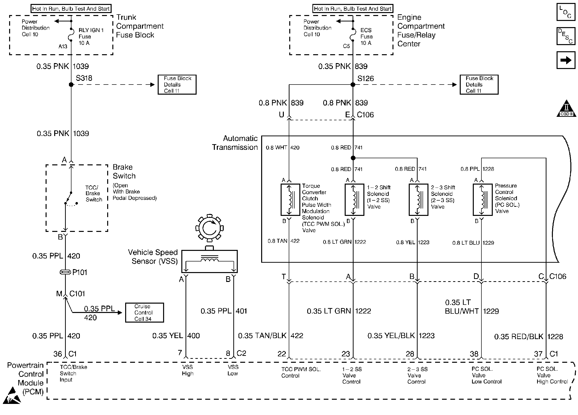
🢒 Brake Switch, Solenoids, and VSS
Brake Switch, Solenoids, and VSS
Brake Switch, Solenoids, and VSS
Automatic Transmission Schematic References
Automatic Transmission Schematic References
Automatic Transmission Schematic References
Automatic Transmission Schematic References
Automatic Transmission Schematic References
Automatic Transmission Components
Handling ESD Sensitive Parts Notice
Component and System Description
TFP Val. Position Sw., TFT Sensor, and A/T ISS Sensor
OBD II Symbol Description Notice