GM Service Manual Online
For 1990-2009 cars only

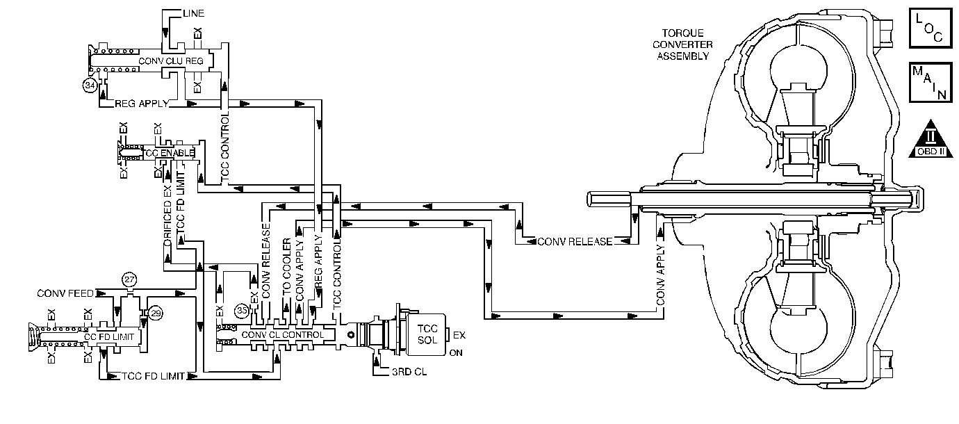
Object Number: 25442  Size: SF
Automatic Transmission Components
Automatic Transmission Controls Schematics
OBD II Symbol Description Notice

Circuit Description

The Powertrain Control Module (PCM) controls the Torque Converter Clutch Solenoid Valve (TCC Sol. Valve) pulse width modulation (PWM). The solenoid controls the hydraulic fluid for TCC apply and release. When the vehicle is accelerating, the PCM commands the TCC to be disengaged.

If the PCM detects a TCC slip from -5 to +80 RPM, when the TCC is commanded OFF, then DTC P0742 sets. DTC P0742 is a Type B DTC.

Conditions for Setting the DTC

    • No MAF DTCs P0101, P0102, or P0103.
    • No TP DTCs P0121, P0122, or P0123.
    • No VSS DTCs P0502 or P0503.
    • No A/T ISS DTCs P0716 or P0717.
    • No TCC Stuck OFF DTC P0741.
    • No TFP Val. Position Sw. DTC P1810.
    • No TCC PWM Sol. Valve DTC P1860.
    • The engine has been running for more than 5 seconds.
    • The TFP Val. Position Sw. indicates D4.
    • The transmission gear ratio indicates 2nd, 3rd or 4th gear.
    • The throttle angle is greater than 11.8°.
    • The delivered torque is 135-270 N·m (100-200 lb ft).
    • The PCM commands the TCC Sol. Valve OFF.

Fault Criteria: The slip speed is -5 to +80 RPM for 6 seconds (Slip speed equals engine speed minus transmission input shaft speed).

Action Taken When the DTC Sets

    • The PCM illuminates the Malfunction Indicator Lamp (MIL).
    • SERVICE ENGINE SOON, SERVICE TRANSMISSION displays on the Driver Information Center (DIC).
    • The PCM inhibits Torque Converter Clutch.
    • The PCM inhibits 4th gear if the transmission is in hot mode.
    • DTC P0742 is stored in the PCM history.

Conditions for Clearing the MIL/DTC

    • The PCM turns OFF the MIL after three consecutive trips without a failure reported.
    • A scan tool can clear the DTC from the PCM history. The PCM clears the DTC from the PCM history if the vehicle completes 40 warm-up cycles without a failure reported.
    • The PCM cancels the DTC default actions when the fault no longer exists and the ignition is OFF long enough in order to power down the PCM.

Diagnostic Aids

Inspect the transmission fluid for sediment or debris.

Test Description

The numbers below refer to the step numbers on the diagnostic table.

  1. This step verified that the PCM commanded the TCC Sol. Valve OFF and the slip speed is -5 to +80 RPM for more than 6 seconds.

  2. This step inspects and repairs the components that caused the DTC to set.

DTC P0742 Torque Converter Clutch System Stuck ON

Step

Action

Value(s)

Yes

No

1

Was the Powertrain On-Board Diagnostic (OBD) System Check performed?

--

Go to Step 2

Go to A Powertrain On Board Diagnostic (OBD) System Check

2

  1. Install the Scan Tool .
  2. The engine is running.
  3. Important: Before clearing the DTCs, use the scan tool in order to record the Freeze Frame and Failure Records for reference. Using the Clear Info function will erase the stored Freeze Frame and Failure Records from the PCM.

  4. Record the DTC Freeze Frame and Failure Records, then clear the DTC.

Did DTC P0742 set within 6 seconds?

--

Go to Step 3

Go to Diagnostic Aids

3

  1. Inspect for the following problems:
  2. • The TCC PWM Sol. Valve is stuck ON due to sediment.
    • The TCC feed valve is stuck ON due to sediment.
  3. Repair or replace any malfunctioning component.

Refer to Transmission Overhaul , in Unit Repair.

Is the inspection and repair complete?

--

Go to Step 4

--

4

In order to verify your repair, perform the following procedure:

  1. Select DTC.
  2. Select Clear Info.
  3. Operate the vehicle under the following conditions:
  4. 3.1. Road test the vehicle.
    3.2. The slip speed must be greater than +80 RPM, or less than -5 RPM, for 6 seconds.
  5. Select Specific DTC. Enter DTC P0742.

Has the test run and passed?

--

System OK

Begin the diagnosis again. Go to Step 1