GM Service Manual Online
For 1990-2009 cars only

Tools Required

    • J 37097-A Hose Clamp Remover/Installer
    • J 38185 Hose Clamp Pliers
    • J 39580 Universal Engine Support Table
    • J 41623-B Cooler Quick Connect Tool
    • J 42640 Steering Column Lock Pin

Removal Procedure


    Object Number: 1663944  Size: SH
  1. Disconnect the negative battery cable. Refer to Battery Negative Cable Disconnection and Connection .
  2. Remove the fuel injector sight shield. Refer to Fuel Injector Sight Shield Replacement .
  3. Recover the air conditioning (A/C) refrigerant system. Refer to Refrigerant Recovery and Recharging .
  4. Reposition the brake booster vacuum hose clamp at the engine port.
  5. Disconnect the brake booster vacuum hose from the vacuum connection and position aside.

  6. Object Number: 1662130  Size: SH
  7. Disconnect the fuel feed and evaporative emission (EVAP) line quick-connect fittings (1, 2). Refer to Metal Collar Quick Connect Fitting Service and Plastic Collar Quick Connect Fitting Service .
  8. Remove the front compartment sight shield. Refer to Front Compartment Sight Shields Replacement .
  9. Remove the air cleaner. Refer to Air Cleaner Assembly Replacement .

  10. Object Number: 1664482  Size: SH
  11. Disengage the junction block cover lock tabs.
  12. Remove the junction block cover.

  13. Object Number: 1663997  Size: SH
  14. Remove the nut (1) securing the starter cable to the bussed electrical center (BEC).
  15. Remove the starter cable clip (4) from the BEC.
  16. Remove the starter cable from the BEC terminal and secure to the top of the engine.

  17. Object Number: 1664476  Size: SH
  18. Disengage the lever lock.
  19. Disconnect the engine harness electrical connector from the transaxle control module (TCM).

  20. Object Number: 1664478  Size: SH
  21. Disengage the lever lock.
  22. Disconnect the engine harness electrical connector from the body harness electrical connector.
  23. Secure the TCM and engine harness wiring branches to the engine.

  24. Object Number: 1664479  Size: SH
  25. Disengage the lever locks.
  26. Disconnect the engine harness electrical connectors from the engine control module (ECM).

  27. Object Number: 1664483  Size: SH
  28. Remove the junction block bolts.
  29. Remove the junction block.

  30. Object Number: 1662854  Size: SH
  31. Remove the engine harness (1) from the BEC.

  32. Object Number: 1664485  Size: SH
  33. Remove the engine ground strap bolt (1) from the right side frame rail.
  34. Secure the ground strap to the engine.

  35. Object Number: 1664517  Size: SH
  36. Remove the transaxle shift cable clip from the shift cable bracket.

  37. Object Number: 1664519  Size: SH
  38. Remove the transaxle shift cable retainer (1).

  39. Object Number: 1664523  Size: SH
  40. Disconnect the transaxle shift cable end (2) from the range selector lever (1).
  41. Remove the transaxle shift cable from the bracket and position the cable aside.
  42. Drain the cooling system. Refer to Cooling System Draining and Filling .

  43. Object Number: 1664570  Size: SH
  44. Using the J 37097-A reposition the radiator inlet hose clamp (1).
  45. Remove the radiator inlet hose (2) from the water pump housing and position aside.

  46. Object Number: 1664571  Size: SH
  47. Using the J 38185 reposition the radiator outlet hose clamp (1).
  48. Remove the radiator outlet hose (2) from the thermostat housing and position aside.

  49. Object Number: 1662131  Size: SH
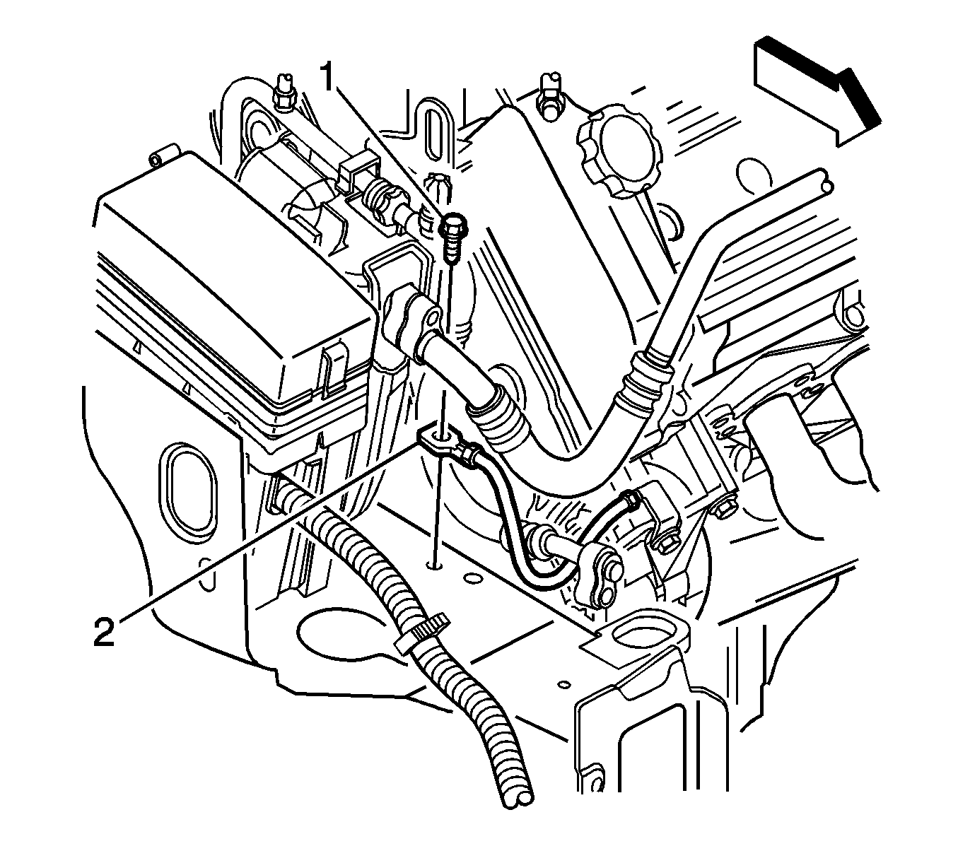
  50. Reposition the radiator surge tank inlet hose clamp at the surge tank.
  51. Remove the surge tank inlet hose from the surge tank.

  52. Object Number: 1664574  Size: SH
  53. Reposition the heater inlet (1) and outlet (2) hose clamps at the heater pipes.
  54. Remove the heater inlet (2) and outlet (3) hoses from the heater pipes.

  55. Object Number: 1708313  Size: SH
  56. Remove the master cylinder nuts and master cylinder from the brake booster.
  57. Reposition the master cylinder and secure the master cylinder to the engine.

  58. Object Number: 1665069  Size: SH
  59. Loosen the upper transaxle oil cooler pipe bolt (1) from the fan shroud.
  60. Slide the plastic caps off the transaxle oil cooler pipe quick connect fittings.
  61. Remove the right front engine mount strut bolt.
  62. Disconnect the transaxle oil cooler pipes from the radiator using the J 41623-B .

  63. Object Number: 333146  Size: SH

    Notice: The wheels of the vehicle must be straight ahead and the steering column in the LOCK position before disconnecting the steering column or intermediate shaft from the steering gear. Failure to do so will cause the SIR coil assembly to become uncentered, which may cause damage to the coil assembly.

  64. Lock the steering column by installing the J 42640 into the underside of the steering column.

  65. Object Number: 1665072  Size: SH
  66. Remove the left and right side strut tower bolts (1). (Left side shown, right side similar.)
  67. Raise and support the vehicle. Refer to Lifting and Jacking the Vehicle .
  68. Remove the rear exhaust manifold pipe. Refer to Exhaust Manifold Rear Pipe Replacement .
  69. Remove the front wheels. Refer to Tire and Wheel Removal and Installation .

  70. Object Number: 1665075  Size: SH
  71. Remove the engine harness grommet (2) from the frame rail bracket.
  72. Remove the engine harness clip (3) from the ride lever sensor bracket.

  73. Object Number: 1665080  Size: SH
  74. Disconnect the electronic suspension front position sensor link from the lower control arms ball stud, if equipped.

  75. Object Number: 1665082  Size: SH
  76. Loosen the nut (2) securing the left front brake pipe bracket (4) to the body frame rail.
  77. Remove the front brake pipe bracket (4) from the body frame rail.

  78. Object Number: 1665084  Size: SH
  79. Loosen the nut (1) securing the right front brake pipe bracket (4) to the body frame rail.
  80. Remove the front brake pipe bracket (4) from the body frame rail.

  81. Object Number: 1665085  Size: SH
  82. Disconnect the rear brake pipes from the front brake pipes.
  83. Plug the open brake lines in order to prevent fluid loss and/or system contamination.

  84. Object Number: 1708342  Size: SH
  85. Remove the A/C compressor discharge hose bolt at the condenser.
  86. Remove the A/C compressor discharge hose from the condenser and secure to the engine.
  87. Plug the A/C condenser discharge port.

  88. Object Number: 1708344  Size: SH
  89. Remove the A/C compressor suction hose nut at the condenser.
  90. Remove the A/C compressor suction hose from the condenser and secure to the engine.
  91. Plug the A/C condenser suction port.

  92. Object Number: 1665092  Size: SH

    Caution: Failure to disconnect the intermediate shaft from the rack and pinion stub shaft can result in damage to the steering gear and/or damage to the intermediate shaft. This damage may cause loss of steering control which could result in personal injury.

  93. Remove the intermediate steering shaft cover.
  94. Remove the intermediate shaft pinch bolt.
  95. Remove the intermediate shaft from the steering gear.

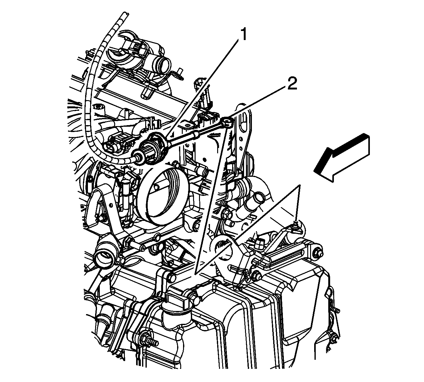
  96. Object Number: 1665113  Size: SH
  97. Remove the oxygen sensor wiring harness heat shield. Refer to Oxygen Sensor Wiring Harness Heat Shield Replacement .
  98. Disconnect the engine harness electrical connector from the heated oxygen sensor (HO2S).

  99. Object Number: 1662583  Size: SH
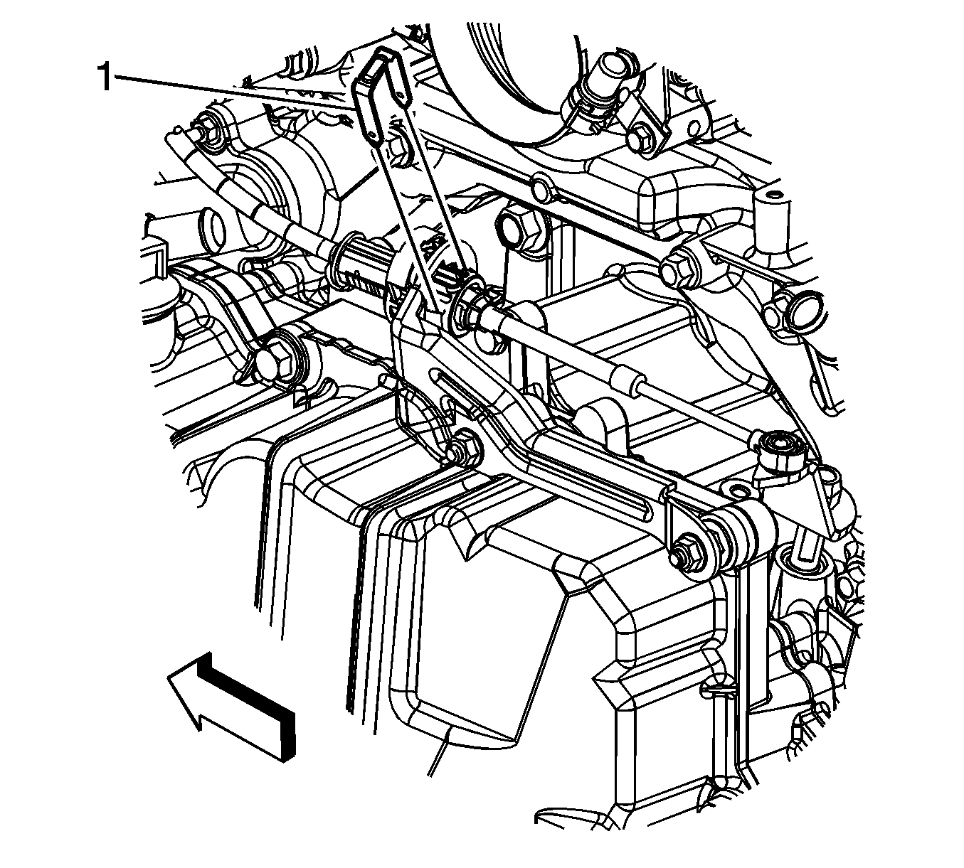
  100. Remove the transaxle brace bolts.
  101. Remove the transaxle brace.

  102. Object Number: 1662586  Size: SH
  103. Remove the torque converter cover bolt.
  104. Remove the torque converter cover.

  105. Object Number: 1665177  Size: SH

    Important: Mark the flywheel to torque converter relationship prior to removal of the bolts.

  106. Remove the flywheel to torque converter bolts. (Engine removed for clarity).

  107. Object Number: 333118  Size: SH
  108. Position the J 39580 under the frame.
  109. Lower the vehicle onto the J 39580 .

  110. Object Number: 333761  Size: SH
  111. If the J 39580 is not available. Support the powertrain with four suitable jackstands.
  112. Place a 2 in x 4 in block of wood between the front of the engine oil pan and the engine frame.
  113. Caution: To avoid any vehicle damage, serious personal injury or death when major components are removed from the vehicle and the vehicle is supported by a hoist, support the vehicle with jack stands at the opposite end from which the components are being removed and strap the vehicle to the hoist.

  114. Secure the front hoist pads to the vehicle.
  115. Remove the front fascia. Refer to Front Bumper Fascia Replacement .

  116. Object Number: 1665303  Size: SH
  117. Remove the 6 bolts (1) attaching the frame to the body. (Left side shown, right side similar).
  118. Important: Ensure clearance is maintained between the engine/transaxle assembly and the following:

       • The A/C compressor components
       • The brake pipes
       • The heater hoses
       • The radiator hoses
       • The wheel speed sensor leads
       • The wiring harnesses

  119. Carefully raise the vehicle in order to clear the supported engine/transaxle assembly.
  120. Drain the engine oil. Refer to Engine Oil and Oil Filter Replacement .

  121. Object Number: 1665330  Size: SH
  122. Remove the heater outlet pipe nut (2) from the transaxle stud.
  123. Reposition the heater outlet pipe clamp (1) at the water pump housing.
  124. Remove the heater outlet pipe.

  125. Object Number: 1665331  Size: SH
  126. Remove the secondary air injection (AIR) inlet hose retainer from the transaxle stud.
  127. Disconnect the AIR inlet hose quick connect fitting from the AIR pump. Refer to Plastic Collar Quick Connect Fitting Service .
  128. Remove the AIR inlet hose.

  129. Object Number: 1665332  Size: SH
  130. Reposition the AIR outlet hose clamp at the AIR outlet pipe.
  131. Separate the AIR outlet hose from the outlet pipe.

  132. Object Number: 1665399  Size: SH
  133. Remove the AIR pipe outlet pipe nut (3) from the transaxle stud.
  134. Remove the AIR pipe outlet pipe nut (2) from the check valve bracket stud.
  135. Disconnect the AIR outlet pipe quick connect fitting from the check valve. Refer to Plastic Collar Quick Connect Fitting Service .
  136. Remove the AIR outlet pipe from the studs.

  137. Object Number: 1662923  Size: SH
  138. Remove the ignition control module (ICM) ground strap bolt (3) from the right cylinder head.
  139. Remove the ICM ground strap (2) from the cylinder head.

  140. Object Number: 1662118  Size: SH
  141. Disconnect the following engine harness electrical connectors from the rear of the engine:
  142. • The EVAP solenoid (1)
    • The exhaust gas recirculation (EGR) valve (2)
    • The fuel injectors (3)
    • The ICM (4)

    Object Number: 1662120  Size: SH
  143. Disconnect the following engine harness electrical connectors from the front of the engine:
  144. • The fuel injectors (1)
    • The ICM (3)
    • The manifold absolute pressure (MAP) sensor (4)
    • the throttle actuator (5)
  145. Remove the engine harness clip (2) from the fuel rail stud.

  146. Object Number: 1665457  Size: SH
  147. Disconnect the following engine harness electrical connectors from the top of the engine:
  148. • The starter inline (1)
    • The AIR check valve (4)

    Object Number: 1665460  Size: SH
  149. Disconnect the engine harness electrical connector (1) from the engine valley jumper harness electrical connector.

  150. Object Number: 1663209  Size: SH
  151. Disconnect the engine harness electrical connector (3) from the power steering sensor.
  152. Remove the engine harness clip (2) from the steering gear shield.
  153. Remove the engine harness ground nut (4).
  154. Remove the engine harness ground (5).
  155. Disconnect the engine harness electrical connector (6) from the engine coolant temperature (ECT) sensor.

  156. Object Number: 1665450  Size: SH
  157. Disconnect the engine harness electrical connector (1) from the vehicle speed sensor (VSS).
  158. Remove the engine harness clips (2, 3) from the rear engine mount bracket and steering gear shield.

  159. Object Number: 1665105  Size: SH
  160. Disconnect the engine harness electrical connector from the A/C pressure sensor.

  161. Object Number: 1663951  Size: SH
  162. Remove the engine harness clip (1) from the boss on the engine block.
  163. Disconnect the following engine harness electrical connectors:
  164. • The oil pressure sensor (2)
    • The oil level sensor (3)
    • The A/C compressor (4)
    • The generator (5)

    Object Number: 1665453  Size: SH
  165. Disconnect the engine harness electrical connectors from the following:
  166. • The AIR pump (1)
    • The brake modulator (2)

    Object Number: 1665455  Size: SH
  167. Remove the engine harness clip (1) from the engine bracket.
  168. Remove the connector position assurance (CPA) retainer.
  169. Disconnect the engine harness electrical connector (3) from the HO2S.

  170. Object Number: 1665451  Size: SH
  171. Disconnect the engine harness electrical connector from the transaxle.
  172. Remove the engine harness ground bolts (2, 4, and 6).
  173. Gather all the branches of the engine harness and remove the engine harness from the engine.

  174. Object Number: 1665464  Size: SH
  175. Reposition the power steering outlet hose clamp at the pump reservoir.
  176. Remove the power steering outlet hose from the reservoir.
  177. Remove the power steering outlet pipe bolt from the engine mount strut bracket.

  178. Object Number: 1665461  Size: SH
  179. Remove the power steering inlet pipe fitting from the power steering pump.
  180. Remove the power steering inlet pipe nut (1) from the rear engine mount bracket stud.
  181. Remove the power steering inlet pipe bracket from the stud.

  182. Object Number: 1665087  Size: SH
  183. Remove the A/C compressor discharge hose nut at the compressor.
  184. Unsecure the hose from the engine and remove the A/C compressor discharge hose.
  185. Plug the A/C compressor discharge port.

  186. Object Number: 1665090  Size: SH
  187. Remove the A/C compressor suction hose nut at the compressor.
  188. Unsecure the hose from the engine and remove the A/C compressor suction hose.
  189. Plug the A/C compressor suction port.

  190. Object Number: 1660883  Size: SH
  191. Remove the transaxle brace bolt.
  192. Remove the transaxle brace nuts.
  193. Remove the transaxle brace.

  194. Object Number: 1665473  Size: SH
  195. Remove the transaxle brace bolt/stud to the transaxle.

  196. Object Number: 1665474  Size: SH
  197. Remove the transaxle brace bolts to the engine.
  198. Remove the transaxle brace.

  199. Object Number: 1660847  Size: SH
  200. Loosen the front engine mount bracket nut with the transaxle brace behind it.

  201. Object Number: 1660864  Size: SH
  202. Remove the transaxle brace bolt.
  203. Remove the transaxle brace.

  204. Object Number: 1665467  Size: SH
  205. Install an engine lift chain to the engine lift brackets and attach an engine lifting device.
  206. Remove the rear engine mount to frame nut.

  207. Object Number: 1660851  Size: SH
  208. Remove the rear engine mount bracket bolts and stud.
  209. Remove the rear engine mount bracket.

  210. Object Number: 1665465  Size: SH
  211. Remove the front engine mount to frame nut.

  212. Object Number: 1665472  Size: SH
  213. Remove the rear transaxle bolt.

  214. Object Number: 1665471  Size: SH
  215. Remove the upper transaxle bolts.
  216. Separate the engine from the transaxle.
  217. Raise the engine from the supported frame and transaxle assembly.

  218. Object Number: 1660849  Size: SH
  219. Remove the front engine mount bracket bolts/nuts.
  220. Remove the front engine mount bracket.
  221. Install the engine assembly to a suitable engine stand.

Installation Procedure


    Object Number: 1660849  Size: SH
  1. Install the front engine mount bracket.
  2. Notice: Refer to Fastener Notice in the Preface section.

  3. Install the front engine mount bracket bolts/nuts.
  4. Tighten
    Tighten the bolts/nuts 50 N·m (37 lb ft).

  5. Install an engine lift chain to the engine lift brackets and attach an engine lifting device.
  6. Remove the engine assembly from the engine stand.

  7. Object Number: 1665471  Size: SH
  8. Carefully position and install the engine to the supported frame and transaxle, aligning the engine dowel pins to the transaxle.
  9. Install the upper transaxle bolts.
  10. Tighten
    Tighten the bolts to 75 N·m (55 lb ft).


    Object Number: 1665472  Size: SH
  11. Install the rear transaxle bolt.
  12. Tighten
    Tighten the bolt to 75 N·m (55 lb ft).


    Object Number: 1665465  Size: SH
  13. Install the front engine mount to frame nut.
  14. Tighten
    Tighten the nut to 80 N·m (59 lb ft).


    Object Number: 1660851  Size: SH
  15. Position the rear engine mount bracket to the engine and transaxle.
  16. Install the rear engine mount bracket bolts and stud.
  17. Tighten
    Tighten the bolts/stud to 73 N·m (54 lb ft).


    Object Number: 1665467  Size: SH
  18. Install the rear engine mount to frame nut.
  19. Tighten
    Tighten the nut to 80 N·m (59 lb ft).

  20. Remove the engine lifting device and lift chain.

  21. Object Number: 1660864  Size: SH
  22. Install the transaxle brace.
  23. Install the transaxle brace bolt.
  24. Tighten
    Tighten the bolt to 50 N·m (37 lb ft).


    Object Number: 1660847  Size: SH
  25. Tighten the front engine mount bracket nut with the transaxle brace behind it.
  26. Tighten
    Tighten the nut to 50 N·m (37 lb ft).


    Object Number: 1665474  Size: SH
  27. Position the transaxle brace to the engine and transaxle.
  28. Install the transaxle brace bolts to the engine.
  29. Tighten
    Tighten the bolts to 50 N·m (37 lb ft).


    Object Number: 1665473  Size: SH
  30. Install the transaxle brace bolt/stud to the transaxle.
  31. Tighten
    Tighten the bolt/stud to 50 N·m (37 lb ft).


    Object Number: 1660883  Size: SH
  32. Install the transaxle brace to the lift bracket studs.
  33. Install the transaxle brace bolt.
  34. Tighten
    Tighten the bolt to 50 N·m (37 lb ft).

  35. Install the transaxle brace nuts.
  36. Tighten
    Tighten the nut to 50 N·m (37 lb ft).


    Object Number: 1665090  Size: SH
  37. Remove the plug from the A/C compressor suction port.
  38. Remove and discard the old sealing washer from the compressor end of the suction hose.
  39. Install a NEW sealing washer to the compressor end of the suction hose.
  40. Install the A/C compressor suction hose the compressor.
  41. Install the A/C compressor suction hose nut at the compressor.
  42. Tighten
    Tighten the nut to 16 N·m (12 lb ft).

  43. Secure the suction hose to the engine.

  44. Object Number: 1665087  Size: SH
  45. Remove the plug from the A/C compressor discharge port.
  46. Remove and discard the old sealing washer from the compressor end of the discharge hose.
  47. Install a NEW sealing washer to the compressor end of the discharge hose.
  48. Install the A/C compressor discharge hose the compressor.
  49. Install the A/C compressor discharge hose nut at the compressor.
  50. Tighten
    Tighten the nut to 16 N·m (12 lb ft).

  51. Secure the discharge hose to the engine.

  52. Object Number: 1665461  Size: SH
  53. Install the power steering inlet pipe fitting to the power steering pump.
  54. Tighten
    Tighten the fitting to 27 N·m (20 lb ft).

  55. Install the power steering inlet pipe bracket to the stud.
  56. Install the power steering inlet pipe nut (1) to the rear engine mount bracket stud.
  57. Tighten
    Tighten the nut to 9 N·m (80 lb in).


    Object Number: 1665464  Size: SH
  58. Install the power steering outlet hose to the reservoir.
  59. Position the power steering outlet hose clamp at the pump reservoir.
  60. Install the power steering outlet pipe bolt to the engine mount strut bracket.
  61. Tighten
    Tighten the bolt to 9 N·m (80 lb in).


    Object Number: 1665451  Size: SH
  62. Install the engine harness to the engine.
  63. Position the engine harness grounds (1, 3, and 5) to the engine block.
  64. Install the engine harness ground bolts (2, 4, and 6).
  65. Tighten
    Tighten the bolts to 25 N·m (18 lb ft).

  66. Connect the engine harness electrical connector to the transaxle.

  67. Object Number: 1665455  Size: SH
  68. Connect the engine harness electrical connector (3) to the HO2S.
  69. Install the CPA retainer.
  70. Install the engine harness clip (1) to the engine bracket.

  71. Object Number: 1665453  Size: SH
  72. Connect the engine harness electrical connectors to the following:
  73. • The AIR pump (1)
    • The brake modulator (2)

    Object Number: 1663951  Size: SH
  74. Install the engine harness clip (1) to the boss on the engine block.
  75. Connect the following engine harness electrical connectors:
  76. • The oil pressure sensor (2)
    • The oil level sensor (3)
    • The A/C compressor (4)
    • The generator (5)

    Object Number: 1665105  Size: SH
  77. Connect the engine harness electrical connector to the A/C pressure sensor.

  78. Object Number: 1665450  Size: SH
  79. Connect the engine harness electrical connector (1) to the VSS.
  80. Install the engine harness clips (2, 3) to the rear engine mount bracket and steering gear shield.

  81. Object Number: 1663209  Size: SH
  82. Connect the engine harness electrical connector (6) to the ECT sensor.
  83. Install the engine harness ground (5) to the stud.
  84. Install the engine harness ground nut (4).
  85. Tighten
    Tighten the bolt to 25 N·m (18 lb ft).

  86. Install the engine harness clip (2) to the steering gear shield.
  87. Connect the engine harness electrical connector (3) to the power steering sensor.

  88. Object Number: 1665460  Size: SH
  89. Connect the engine harness electrical connector (1) to the engine valley jumper harness electrical connector.

  90. Object Number: 1665457  Size: SH
  91. Connect the following engine harness electrical connectors to the top of the engine:
  92. • The starter inline (1)
    • The AIR check valve (4)

    Object Number: 1662120  Size: SH
  93. Connect the following engine harness electrical connectors to the front of the engine:
  94. • The fuel injectors (1)
    • The ICM (3)
    • The MAP sensor (4)
    • the throttle actuator (5)
  95. Install the engine harness clip (2) to the fuel rail stud.

  96. Object Number: 1662118  Size: SH
  97. Connect the following engine harness electrical connectors to the rear of the engine:
  98. • The EVAP solenoid (1)
    • The EGR valve (2)
    • The fuel injectors (3)
    • The ICM (4)

    Object Number: 1662923  Size: SH
  99. Position the ICM ground strap (2) to the cylinder head.
  100. Install the ICM ground strap bolt (3) to the right cylinder head.
  101. Tighten
    Tighten the bolt to 25 N·m (18 lb ft).


    Object Number: 1665399  Size: SH
  102. Install the AIR pipe over the studs.
  103. Connect the AIR outlet pipe quick connect fitting to the check valve. Refer to Plastic Collar Quick Connect Fitting Service .
  104. Install the AIR pipe outlet pipe nut (2) to the check valve bracket stud.
  105. Tighten
    Tighten the nut to 9 N·m (80 lb in).

  106. Install the AIR pipe outlet pipe nut (3) to the transaxle stud.
  107. Tighten
    Tighten the nut to 9 N·m (80 lb in).


    Object Number: 1665332  Size: SH
  108. Connect the AIR outlet hose to the AIR outlet pipe.
  109. Position the AIR outlet hose clamp at the AIR outlet pipe.

  110. Object Number: 1665331  Size: SH
  111. Install the AIR inlet hose.
  112. Connect the AIR inlet hose quick connect fitting to the AIR pump. Refer to Plastic Collar Quick Connect Fitting Service .
  113. Install the AIR inlet hose retainer to the transaxle stud.

  114. Object Number: 1665330  Size: SH
  115. Install the heater outlet pipe to the engine and stud.
  116. Install the heater outlet pipe nut (2) to the transaxle stud.
  117. Tighten
    Tighten the nut to 25 N·m (18 lb ft).

  118. Position the heater outlet pipe clamp (1) at the water pump housing.

  119. Object Number: 1665303  Size: SH
  120. Position the engine/transaxle assembly under the vehicle.
  121. Important: Ensure clearance is maintained between the engine/transaxle assembly and the following:

       • The A/C compressor components
       • The brake pipes
       • The heater hoses
       • The radiator hoses
       • The wheel speed sensor leads
       • The wiring harnesses

  122. Carefully lower the vehicle over the engine/transaxle assembly, aligning the struts to the strut towers.
  123. Install the 6 bolts (1) attaching the frame to the body. (Left side shown, right side similar).
  124. Tighten
    Tighten the bolts to 191 N·m (141 lb ft).

  125. Install the front fascia. Refer to Front Bumper Fascia Replacement .

  126. Object Number: 333118  Size: SH
  127. Raise the vehicle off of the J 39580 or the jack stands.
  128. Remove the J 39580 or jack stands from under the frame.

  129. Object Number: 1665177  Size: SH
  130. Align the flywheel with the marks made during the removal.
  131. Install the flywheel to torque converter bolts. (Engine removed for clarity).
  132. Tighten
    Tighten the bolts to 60 N·m (44 lb ft).


    Object Number: 1662586  Size: SH
  133. Position the torque converter cover.
  134. Install the torque converter cover bolt.
  135. Tighten
    Tighten the bolt to 12 N·m (106 lb in).


    Object Number: 1662583  Size: SH
  136. Install the transaxle brace.
  137. Install the transaxle brace bolts.
  138. Tighten
    Tighten the bolts to 47 N·m (35 lb ft).


    Object Number: 1665113  Size: SH
  139. Connect the engine harness electrical connector to the HO2S.
  140. Install the oxygen sensor wiring harness heat shield. Refer to Oxygen Sensor Wiring Harness Heat Shield Replacement .

  141. Object Number: 1665092  Size: SH

    Caution: When installing the intermediate shaft make sure that the shaft is seated prior to pinch bolt installation. If the pinch bolt is inserted into the coupling before shaft installation, the two mating shafts may disengage. Disengagement of the two mating shafts will cause loss of steering control which could result in personal injury.

  142. Install the intermediate shaft to the steering gear.
  143. Install the intermediate shaft pinch bolt.
  144. Tighten
    Tighten the bolt to 45 N·m (33 lb ft).

  145. Install the intermediate steering shaft cover.

  146. Object Number: 1708344  Size: SH
  147. Remove the plug from the A/C condenser suction port.
  148. Unsecure the A/C compressor suction hose from the engine.
  149. Remove and discard the old sealing washer from the condenser end of the suction hose.
  150. Install a NEW sealing washer to the condenser end of the suction hose.
  151. Install the A/C compressor suction hose to the condenser.
  152. Install the A/C compressor suction hose nut.
  153. Tighten
    Tighten the nut to 16 N·m (12 lb ft).


    Object Number: 1708342  Size: SH
  154. Remove the plug from the A/C condenser discharge port.
  155. Unsecure the A/C compressor discharge hose from the engine.
  156. Remove and discard the old sealing washer from the condenser end of the discharge hose.
  157. Install a NEW sealing washer to the condenser end of the discharge hose.
  158. Install the A/C compressor discharge hose to the condenser.
  159. Install the A/C compressor discharge hose nut.
  160. Tighten
    Tighten the nut to 16 N·m (12 lb ft).


    Object Number: 1665085  Size: SH
  161. Remove the plugs from the open brake lines.
  162. Connect the rear brake pipes to the front brake pipes.
  163. Tighten
    Tighten the fittings to 20 N·m (15 lb ft).


    Object Number: 1665084  Size: SH
  164. Install the front brake pipe bracket (4) to the body frame rail.
  165. Tighten the nut (1) securing the right front brake pipe bracket (4) to the body frame rail.
  166. Tighten
    Tighten the nut to 9 N·m (80 lb in).


    Object Number: 1665082  Size: SH
  167. Install the front brake pipe bracket (4) to the body frame rail.
  168. Tighten the nut (2) securing the left front brake pipe bracket (4) to the body frame rail.
  169. Tighten
    Tighten the nut to 9 N·m (80 lb in).


    Object Number: 1665080  Size: SH
  170. Install the front air deflector. Refer to Front Air Deflector Replacement .
  171. Connect the electronic suspension front position sensor link to the lower control arms ball stud, if equipped.

  172. Object Number: 1665075  Size: SH
  173. Install the engine harness clip (3) to the ride lever sensor bracket.
  174. Install the engine harness grommet (2) to the frame rail bracket.
  175. Install the front wheels. Refer to Tire and Wheel Removal and Installation .
  176. Install the rear exhaust manifold pipe. Refer to Exhaust Manifold Rear Pipe Replacement .
  177. Lower the vehicle.

  178. Object Number: 1665072  Size: SH
  179. Install the left and right side strut tower bolts (1). (Left side shown, right side similar).
  180. Tighten
    Tighten the bolts to 40 N·m (30 lb ft).


    Object Number: 333146  Size: SH
  181. Remove the J 42640 from the steering column.

  182. Object Number: 1665069  Size: SH
  183. Connect the transaxle oil cooler pipes to the radiator.
  184. Slide the plastic caps onto the transaxle oil cooler pipe quick connect fittings.
  185. Tighten the upper transaxle oil cooler pipe bolt (1) to the fan shroud.
  186. Tighten
    Tighten the bolt to 6 N·m (53 lb in).


    Object Number: 1708313  Size: SH
  187. Unsecure the master cylinder from the engine and position the master cylinder the brake booster.
  188. Install the master cylinder nuts.
  189. Tighten
    Tighten the nuts to 30 N·m (22 lb ft).


    Object Number: 1664574  Size: SH
  190. Install the heater inlet (2) and outlet (3) hoses to the heater pipes.
  191. Position the heater inlet (1) and outlet (2) hose clamps at the heater pipes.

  192. Object Number: 1662131  Size: SH
  193. Install the surge tank inlet hose to the surge tank.
  194. Position the radiator surge tank inlet hose clamp at the surge tank.

  195. Object Number: 1664571  Size: SH
  196. Install the radiator outlet hose (2) to the thermostat housing.
  197. Using the J 38185 position the radiator outlet hose clamp (1).

  198. Object Number: 1664570  Size: SH
  199. Install the radiator inlet hose (2) to the water pump housing.
  200. Using the J 37097-A position the radiator inlet hose clamp (1).

  201. Object Number: 1664523  Size: SH
  202. Install the transaxle shift cable to the bracket.
  203. Connect the transaxle shift cable end (2) to the range selector lever (1).

  204. Object Number: 1664519  Size: SH
  205. Install the transaxle shift cable retainer (1).

  206. Object Number: 1664517  Size: SH
  207. Install the transaxle shift cable clip to the shift cable bracket.

  208. Object Number: 1664485  Size: SH
  209. Position the ground strap to the frame rail.
  210. Install the engine ground strap bolt (1) to the right side frame rail.
  211. Tighten
    Tighten the bolt to 25 N·m (18 lb ft).


    Object Number: 1662854  Size: SH
  212. Install the engine harness (1) to the BEC.

  213. Object Number: 1664483  Size: SH
  214. Install the junction block.
  215. Install the junction block bolts.
  216. Tighten
    Tighten the bolts to 6.5 N·m (58 lb in).


    Object Number: 1664479  Size: SH
  217. Connect the engine harness electrical connectors to the ECM.
  218. Engage the lever locks.

  219. Object Number: 1664478  Size: SH
  220. Connect the engine harness electrical connector to the body harness electrical connector.
  221. Engage the lever lock.

  222. Object Number: 1664476  Size: SH
  223. Connect the engine harness electrical connector to the TCM.
  224. Engage the lever lock.

  225. Object Number: 1663997  Size: SH
  226. Install the starter cable to the BEC terminal.
  227. Install the starter cable clip (4) to the BEC.
  228. Install the nut (1) securing the starter cable to the BEC.
  229. Tighten
    Tighten the nut to 15 N·m (11 lb ft).


    Object Number: 1664482  Size: SH
  230. Install the junction block cover.
  231. Install the air cleaner. Refer to Air Cleaner Assembly Replacement .
  232. Install the front compartment sight shield. Refer to Front Compartment Sight Shields Replacement .

  233. Object Number: 1662130  Size: SH
  234. Connect the fuel feed and EVAP line quick-connect fittings (1, 2). Refer to Metal Collar Quick Connect Fitting Service and Plastic Collar Quick Connect Fitting Service .

  235. Object Number: 1663944  Size: SH
  236. Connect the brake booster vacuum hose to the vacuum connection.
  237. Position the brake booster vacuum hose clamp at the engine port.
  238. Connect the negative battery cable. Refer to Battery Negative Cable Disconnection and Connection .
  239. Fill the engine with oil. Refer to Engine Oil and Oil Filter Replacement .
  240. Fill the cooling system. Refer to Cooling System Draining and Filling .
  241. Bleed the brake system. Refer to Hydraulic Brake System Bleeding .
  242. Recharge the A/C refrigerant system. Refer to Refrigerant Recovery and Recharging .
  243. Bleed the power steering system. Refer to Power Steering System Bleeding .
  244. Check the wheel alignment. Refer to Wheel Alignment Measurement .
  245. Pre-lube the engine. Refer to Engine Prelubing .
  246. Install the fuel injector sight shield. Refer to Fuel Injector Sight Shield Replacement .
  247. With the ignition OFF or disconnected, crank the engine several times. Listen for any unusual noises or evidence that any parts are binding.
  248. Start the engine and listen for abnormal conditions.
  249. Check the vehicle oil pressure gauge or light and confirm that the engine has acceptable oil pressure.
  250. Run the engine at approximately 1000 RPM until the engine reaches normal operating temperature.
  251. While the engine continues to idle raise and support the vehicle.
  252. Inspect for oil, coolant and exhaust leaks while the engine is idling.
  253. Lower the vehicle.
  254. Perform the crankshaft position (CKP) system variation learn procedure. Refer to Crankshaft Position System Variation Learn .
  255. Perform a final inspection for the proper engine oil and coolant levels.
  256. Road test the vehicle.