GM Service Manual Online
For 1990-2009 cars only
Makes
🢒
Cadillac
🢒
2006
🢒
DTS
🢒
Body
🢒
Stationary Windows
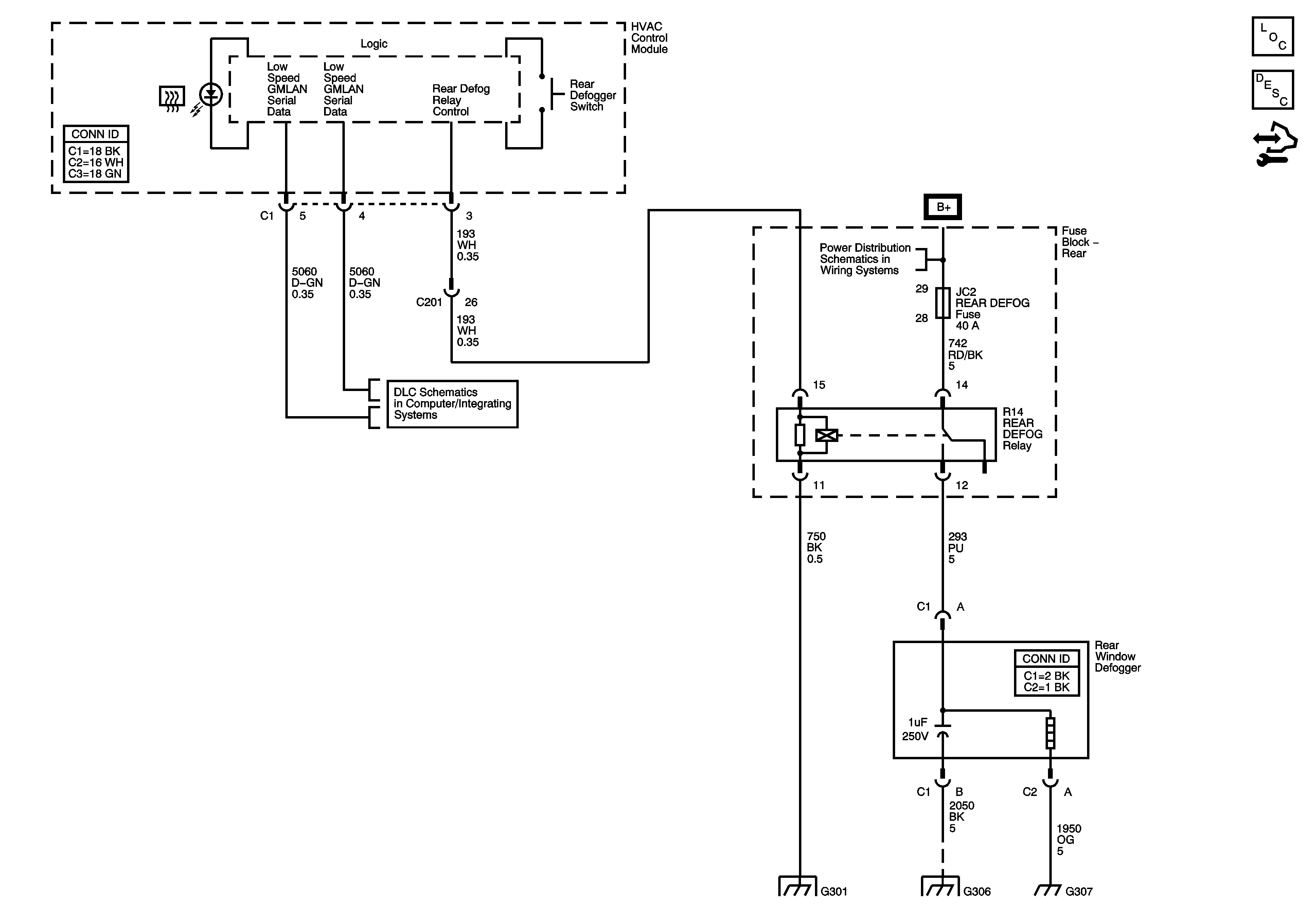
🢒 Defogger Schematics
Master Electrical Component List
Rear Window Defogger Description and Operation
Control Module References
Air Temperature Sensors
Rear Fuse Block B+ Bus
G301
G101, G110, G111, G114, G115, G302, G303, G306, G307