GM Service Manual Online
For 1990-2009 cars only
Makes
🢒
Cadillac
🢒
2006
🢒
DTS
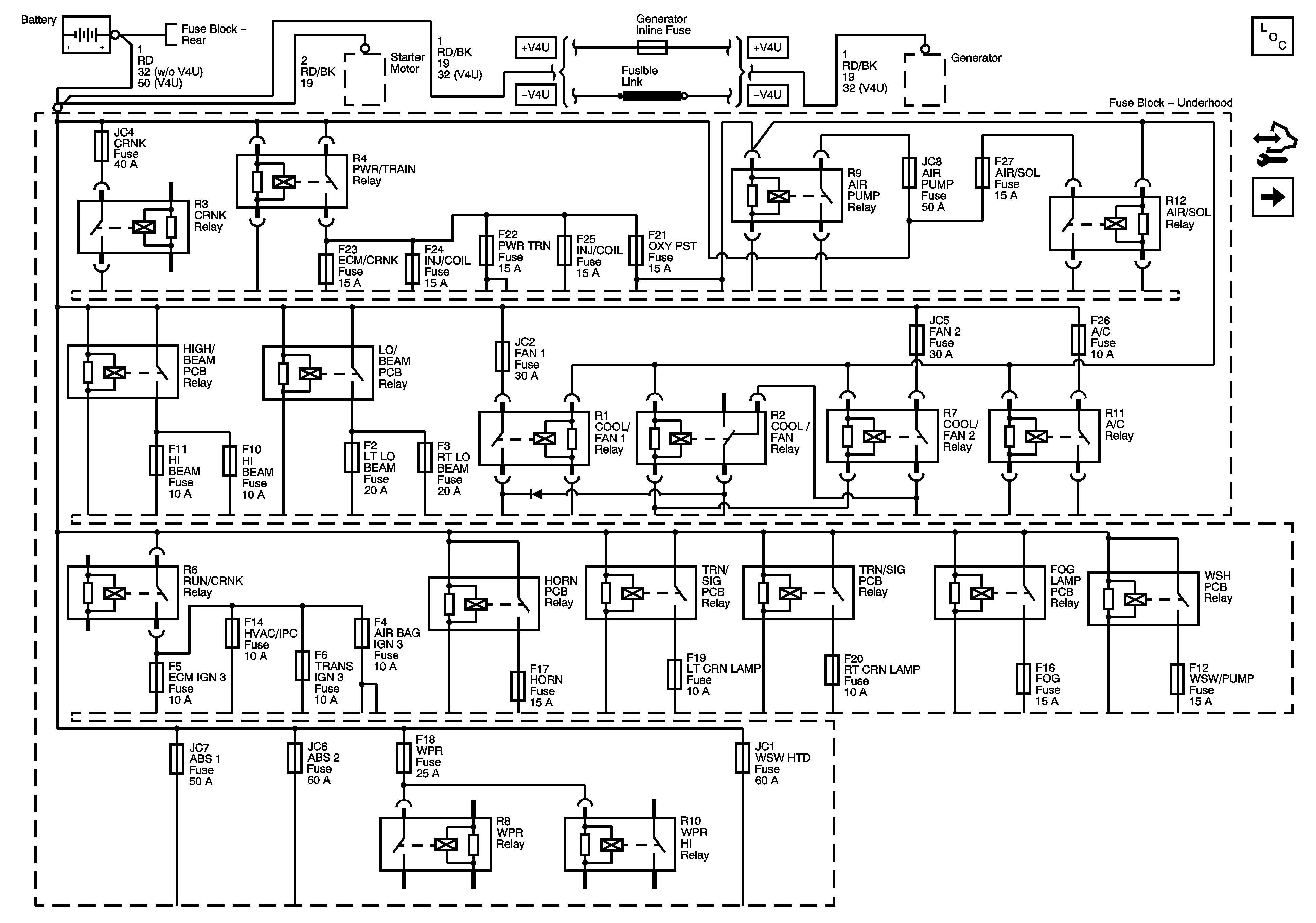
🢒 Underhood Fuse Block B+ Bus
Underhood Fuse Block B+ Bus
Underhood Fuse Block B+ Bus
Master Electrical Component List
Control Module References
Rear Fuse Block B+ Bus
Rear Fuse Block B+ Bus