GM Service Manual Online
For 1990-2009 cars only
Makes
🢒
Cadillac
🢒
2006
🢒
DTS
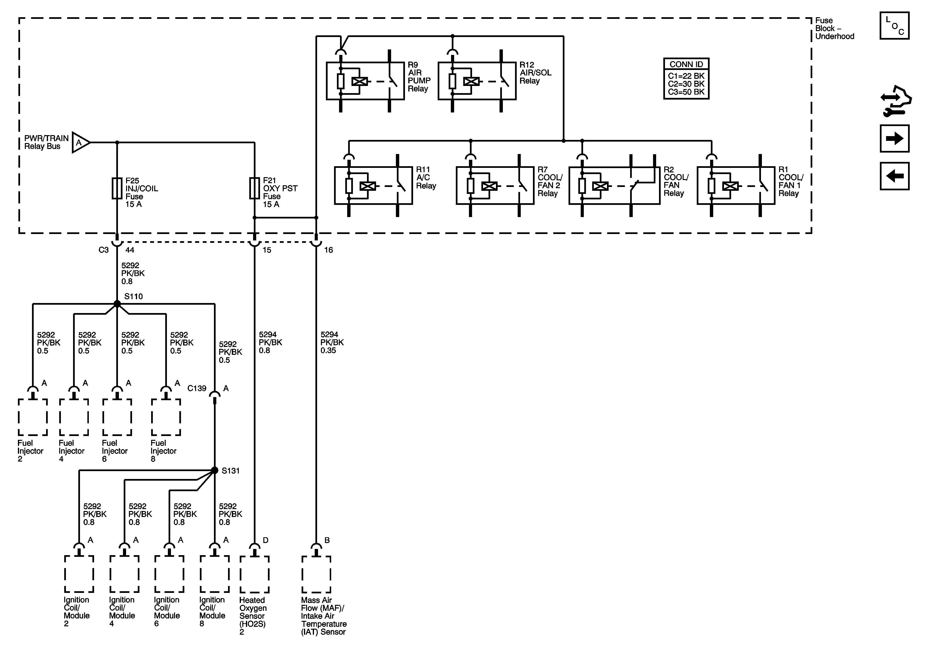
🢒 Underhood Fuse Block - AIR PUMP, AIR/SOL, A/C, COOL/FAN 2, COOL/FAN, COOL FAN 1 Relays, INJ/COIL, OXY PST Fuses
Underhood Fuse Block - AIR PUMP, AIR/SOL, A/C, COOL/FAN 2, COOL/FAN, COOL FAN 1 Relays, INJ/COIL, OXY PST Fuses
Underhood Fuse Block - AIR PUMP, AIR/SOL, A/C, COOL/FAN 2, COOL/FAN, COOL FAN 1 Relays, INJ/COIL, OXY PST Fuses
Master Electrical Component List
Control Module References
Rear Fuse Block - LT TRN/SIG, RR TRN/SIG, CHMSL/BCK-UP, INT LAMPS, SWTCH DM Fuses, DR MDL/PWR WNDW Circuit Breaker
Underhood Fuse Block - PWR/TRAIN, AIR PUMP, AIR/SOL Relays, AIR PUMP, AIR/SOL, ECM/CRNK, INJ/COIL, PWR TRN Fuses
Underhood Fuse Block - PWR/TRAIN, AIR PUMP, AIR/SOL Relays, AIR PUMP, AIR/SOL, ECM/CRNK, INJ/COIL, PWR TRN Fuses