GM Service Manual Online
For 1990-2009 cars only
Makes
🢒
Cadillac
🢒
2006
🢒
DTS
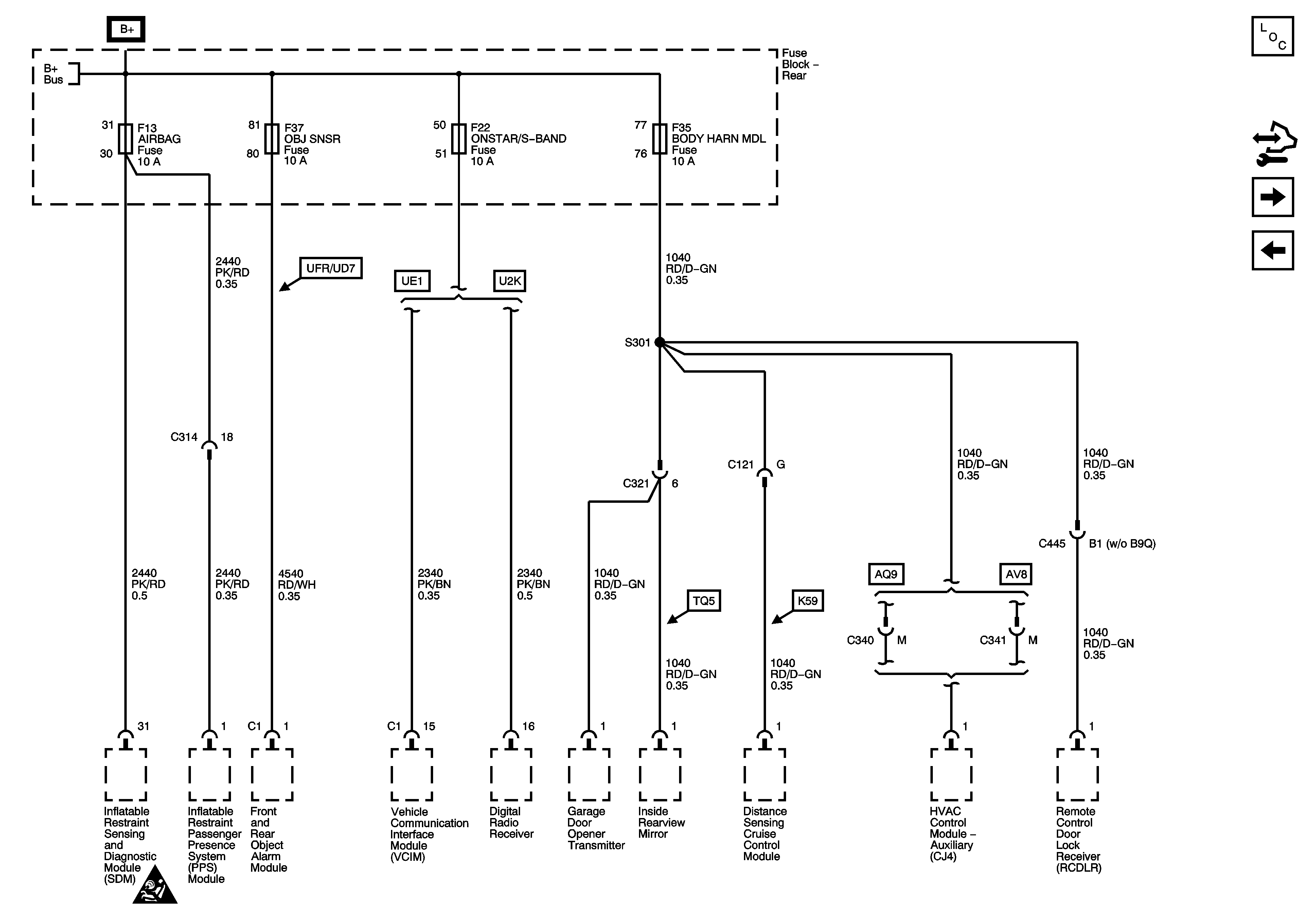
🢒 Rear Fuse Block - AIRBAG, OBJ SNSR, ONSTAR/S-BAND, BODY HARN MDL Fuses
Rear Fuse Block - AIRBAG, OBJ SNSR, ONSTAR/S-BAND, BODY HARN MDL Fuses
Rear Fuse Block - AIRBAG, OBJ SNSR, ONSTAR/S-BAND, BODY HARN MDL Fuses
Master Electrical Component List
Control Module References
Rear Fuse Block - TRUNK RELSE Relay, AUX PWR, LTR/CNSL, CNSTR VENT, RVC SENSE, ELC MDL, MRTD MDL, TRUNK RELSE Fuses
Rear Fuse Block - PRK LAMP, RT PRK LAMP (Export), EXP LIC LAMP (Export) Relays, I/P HARN MDL, LT PRK LAMP, RT PRK LAMP Fuses
Rear Fuse Block B+ Bus
Power and Grounding Schematic Icons