GM Service Manual Online
For 1990-2009 cars only
Makes
🢒
Cadillac
🢒
2006
🢒
DTS
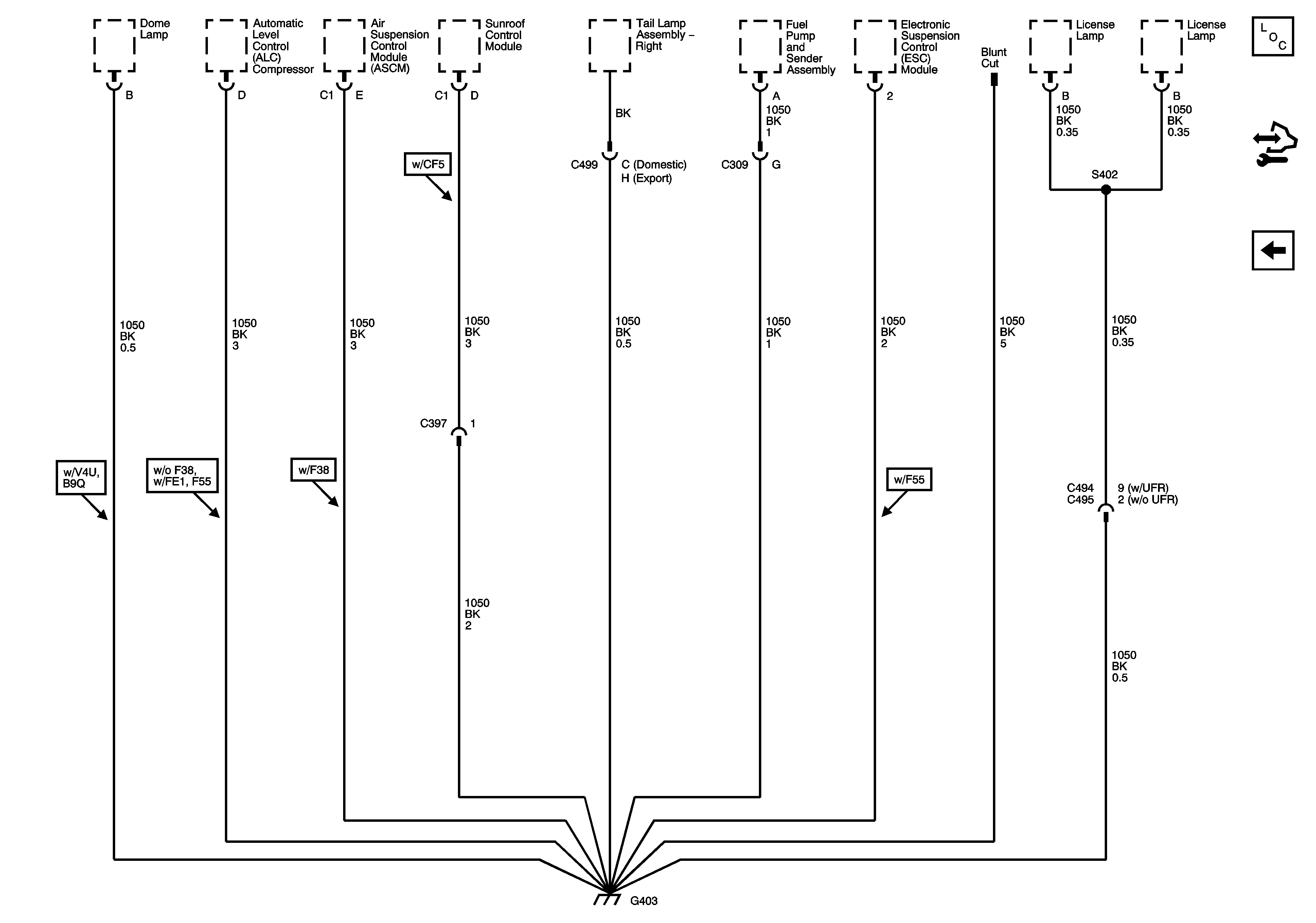
🢒 G403
G403
G403
Master Electrical Component List
Control Module References
G402