GM Service Manual Online
For 1990-2009 cars only
Makes
🢒
Cadillac
🢒
2006
🢒
DTS
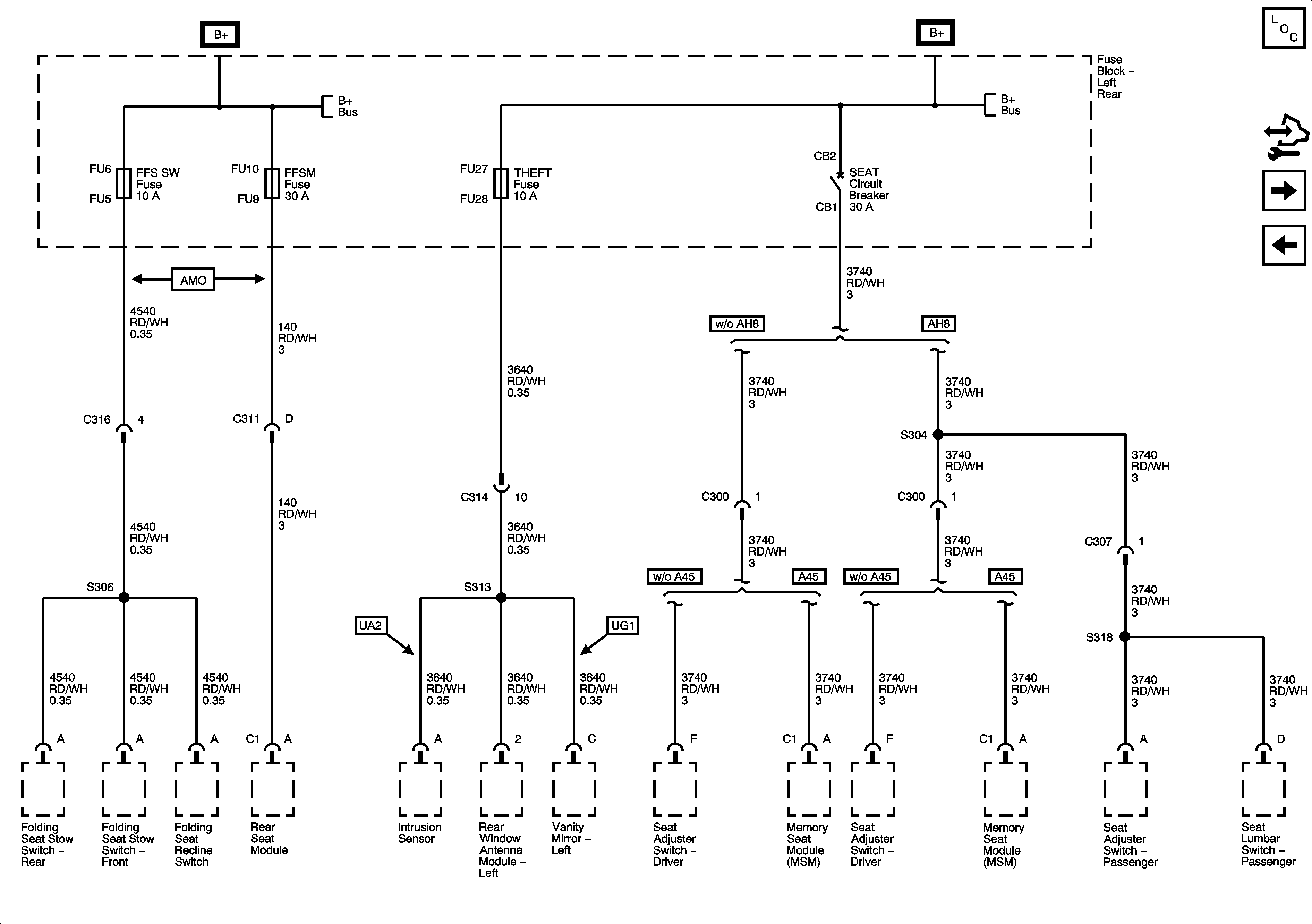
🢒 FFSM, FFS SW AND THEFT FUSES AND SEAT CIRCUIT BREAKER
FFSM, FFS SW AND THEFT FUSES AND SEAT CIRCUIT BREAKER
FFSM, FFS SW, and THEFT Fuses and SEAT Circuit Breaker
Master Electrical Component List
Control Module References
POWER SOUNDER, RIM, RT FRT DR MOD, SUSPNTN, AND VICS/RAP FUSES
AMP, AUDIO, DRIVER DR MOD, ELC COMP, L FRT HTD SEAT MOD, MEM/ADAPT SEAT, AND REAR DR MOD FUSES
06 ESUV-Fuse Block Left Rear B+ Bus
06 ESUV-Fuse Block Left Rear B+ Bus