GM Service Manual Online
For 1990-2009 cars only
Makes
🢒
Cadillac
🢒
2006
🢒
DTS
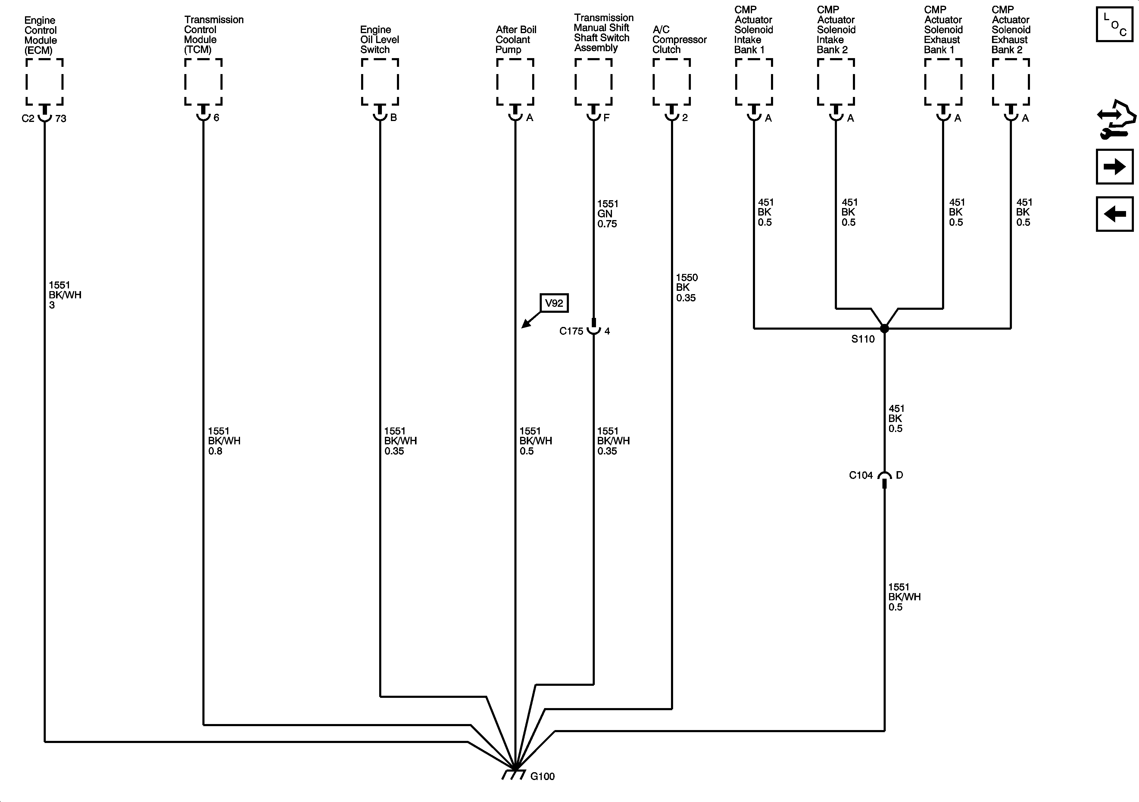
🢒 0G100-LH2
0G100-LH2
G100 - LH2
Master Electrical Component List
Control Module References
G101
G111, 112 ,113, 114, 306