GM Service Manual Online
For 1990-2009 cars only
Makes
🢒
Cadillac
🢒
2006
🢒
DTS
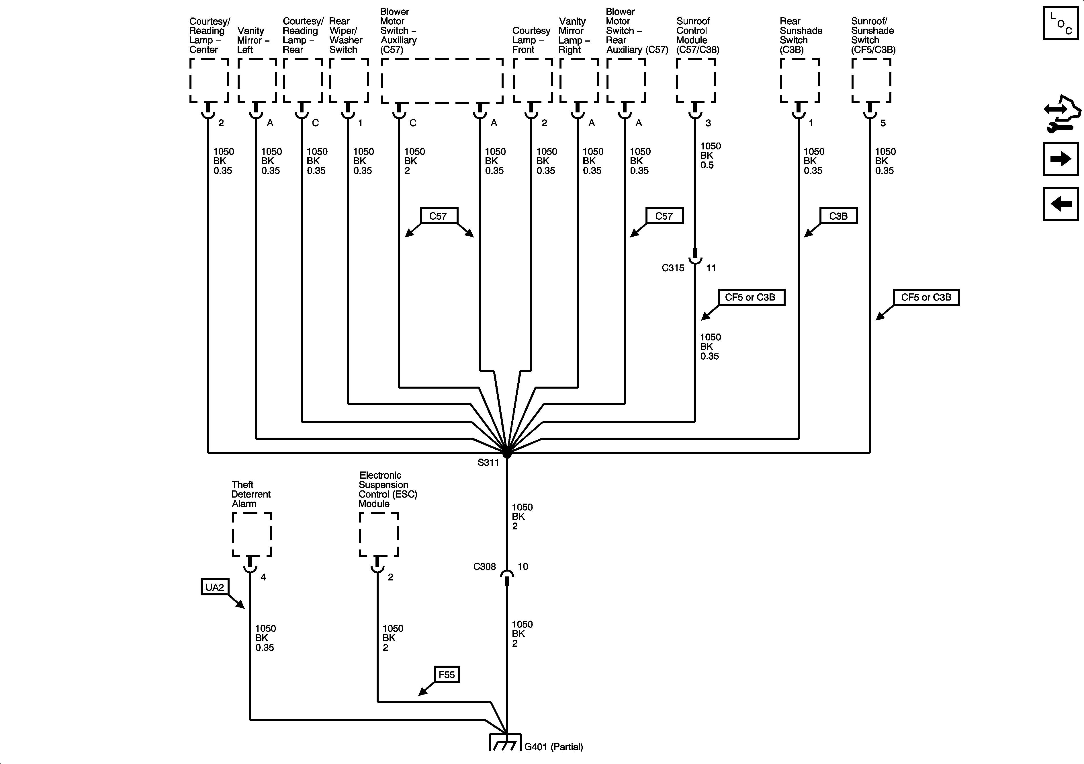
🢒 G401 2 of 2
G401 2 of 2
G401 2 of 2
Master Electrical Component List
Control Module References
G402 1 of 2
G401 1 of 2
G401 1 of 2