GM Service Manual Online
For 1990-2009 cars only

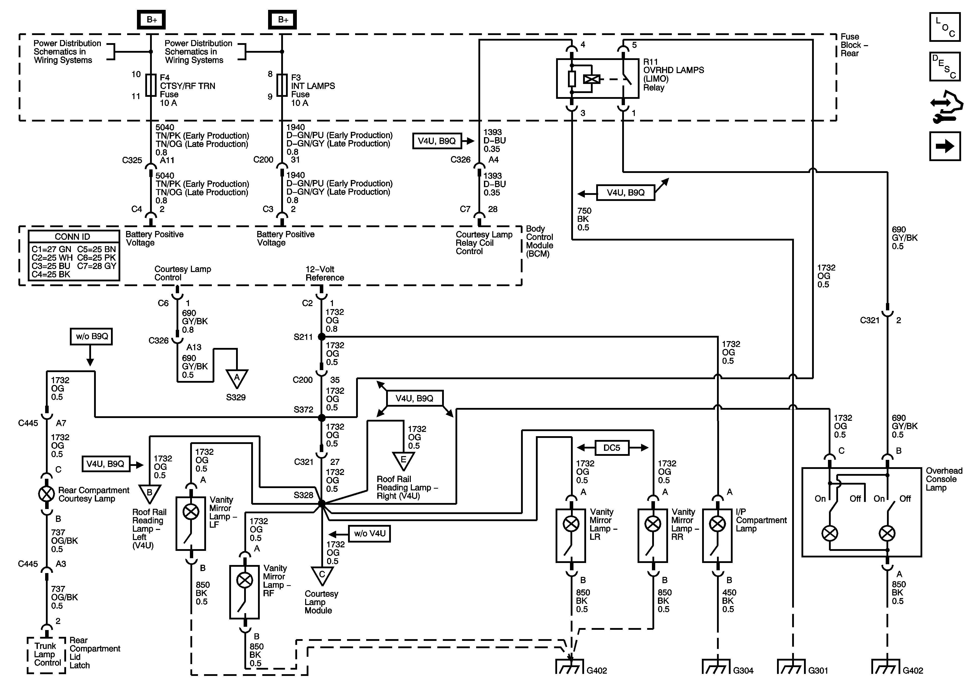
Vanity Mirror, Rear Compartment Courtesy, I/P Compartment, Overhead Console

Vanity Mirror, Rear Compartment Courtesy, I/P Compartment, Overhead Console


Object Number: 1615532  Size: FS
Master Electrical Component List
Interior Lighting Systems Description and Operation
Control Module References
Interior Courtesy Lamps
Rear Fuse Block B+ Bus
Rear Fuse Block B+ Bus
Roof Rail Reading, Dome Lamp Courtesy Lamps - V4U
Roof Rail Reading, Dome Lamp Courtesy Lamps - V4U
Roof Rail Reading, Dome Lamp Courtesy Lamps - V4U
Interior Courtesy Lamps
G402
G304
G301
G402