GM Service Manual Online
For 1990-2009 cars only
Makes
🢒
Cadillac
🢒
2006
🢒
DTS
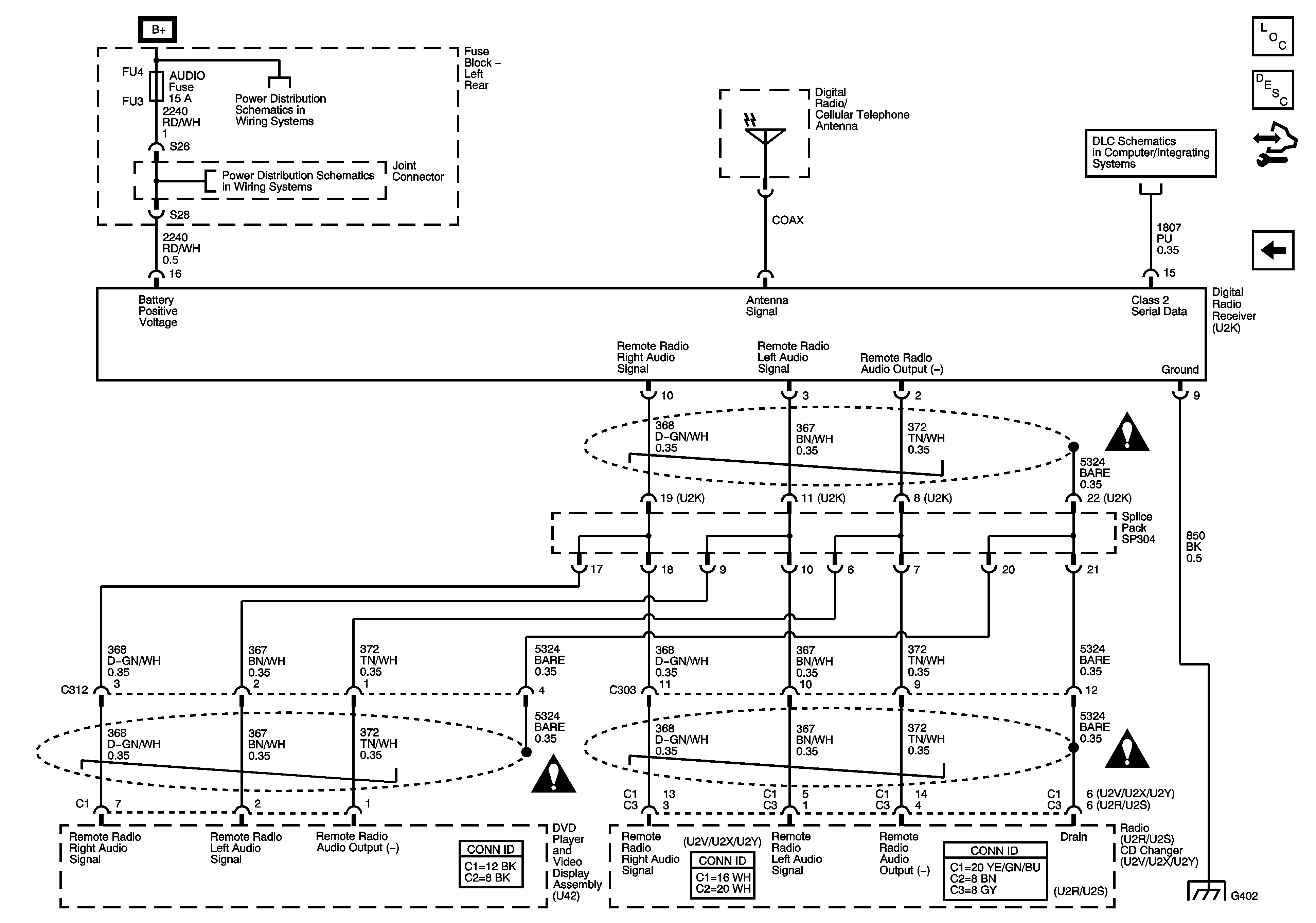
🢒 Digital radio (U2K)
Digital radio (U2K)
Digital Radio (U2K)
Master Electrical Component List
Radio/Audio System Description and Operation
Control Module References
Radio Antenna
Fuse Block Underhood B+ Bus
AMP, AUDIO, DRIVER DR MOD, ELC COMP, L FRT HTD SEAT MOD, MEM/ADAPT SEAT, AND REAR DR MOD FUSES
Class 2 Serial Data 1 of 2
Entertainment Schematic Icons
Entertainment Schematic Icons
Entertainment Schematic Icons