GM Service Manual Online
For 1990-2009 cars only
Makes
🢒
Cadillac
🢒
2006
🢒
DTS
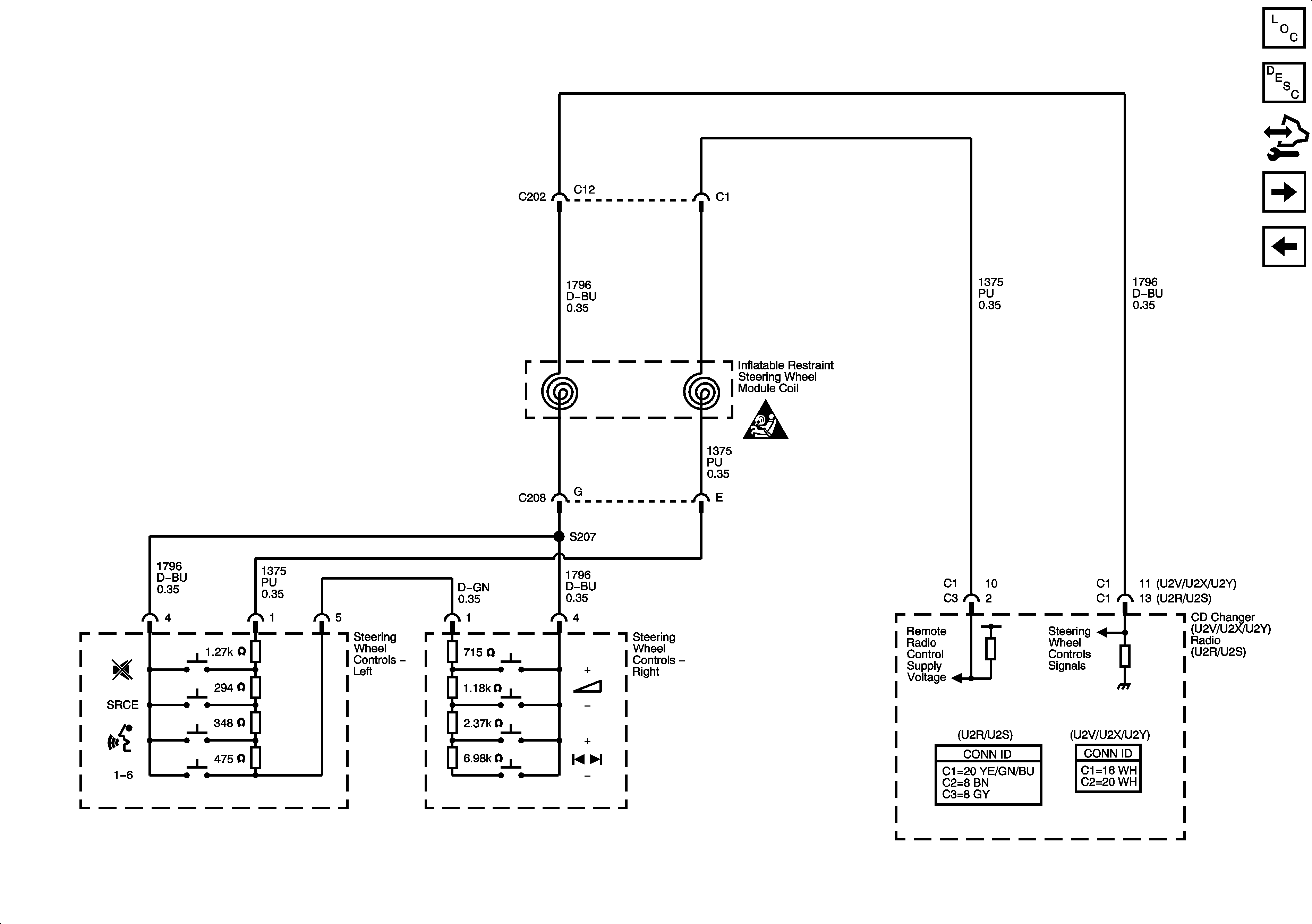
🢒 Steering Wheel Controls Sch
Steering Wheel Controls Sch