GM Service Manual Online
For 1990-2009 cars only

Removal Procedure


    Object Number: 475295  Size: SH
  1. Remove the fuel injector sight shield, if necessary.

  2. Object Number: 1662856  Size: SH
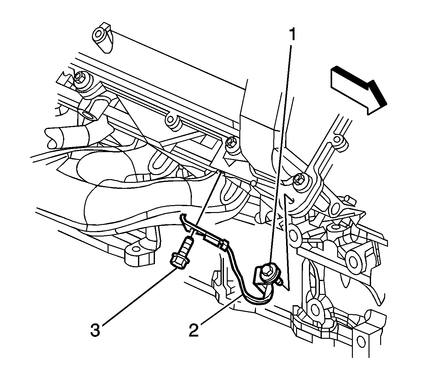
  3. Remove the ignition control module (ICM) ground strap bolt (3) from the cylinder head.
  4. Loosen the ICM ground strap bolt (1) from the camshaft cover.
  5. Remove the ICM ground strap (2).

  6. Object Number: 1662923  Size: SH
  7. Remove the ICM ground strap bolt (3) from the cylinder head.
  8. Loosen the ICM ground strap bolt (1) from the camshaft cover.
  9. Remove the ICM ground strap (2).

Installation Procedure


    Object Number: 1662923  Size: SH
  1. Install the ICM ground strap (2).
  2. Notice: Refer to Fastener Notice in the Preface section.

  3. Tighten the ICM ground strap bolt (1) to the camshaft cover.
  4. Tighten
    Tighten the bolt to 10 N·m (89 lb in).

  5. Install the ICM ground strap bolt (3) to the cylinder head.
  6. Tighten
    Tighten the bolt to 25 N·m (18 lb ft).


    Object Number: 1662856  Size: SH
  7. Install the ICM ground strap (2).
  8. Tighten the ICM ground strap bolt (1) to the camshaft cover.
  9. Tighten
    Tighten the bolt to 10 N·m (89 lb in).

  10. Install the ICM ground strap bolt (3) to the cylinder head.
  11. Tighten
    Tighten the bolt to 10 N·m (89 lb in).


    Object Number: 475295  Size: SH
  12. Install the fuel injector sight shield, if necessary.