GM Service Manual Online
For 1990-2009 cars only

Removal Procedure

Important: 

   • Always use replacement cables that are of the same type, diameter and length of the cables that you are replacing.
   • Always route the replacement cable the same way as the original cable.


    Object Number: 1669909  Size: SH
  1. Remove the surge tank. Refer to Radiator Surge Tank Replacement .
  2. Disconnect the negative battery cable. Refer to Battery Negative Cable Disconnection and Connection .
  3. Remove the carpet. Refer to Front Floor Panel Carpet Replacement and Rear Floor Panel Carpet Replacement .
  4. Unsnap the positive battery cable cover (3), and reposition.
  5. Loosen the positive battery cable bolt (1).
  6. Separate the positive battery cable (2) from the battery.

  7. Object Number: 1669913  Size: SH
  8. Remove the positive battery cable retainer (1) from the floor pan stud.

  9. Object Number: 1669915  Size: SH
  10. Remove the positive battery cable nut (1) from the junction block stud.
  11. Remove the positive battery cable terminal (2) from the junction block stud.

  12. Object Number: 1669917  Size: SH
  13. Remove the positive battery cable retainer (1) from the rocker panel.
  14. Remove the positive battery cable retainers (2, 3 and 4) from the body harness channel.

  15. Object Number: 1669919  Size: SH
  16. Remove the positive battery cable clips (2, 3, and 4) from the body harness retainers.
  17. Remove the positive battery cable clip (5) from the dash mat.
  18. Reposition the dash mat flap (1).

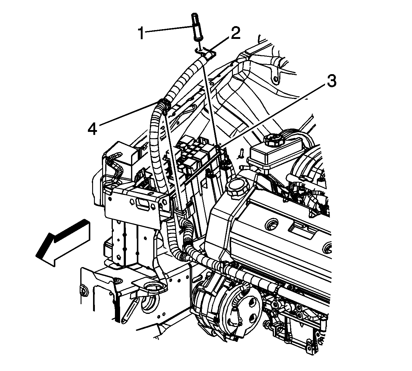
  19. Object Number: 1664482  Size: SH
  20. From under the hood, disengage the junction block cover lock tabs.
  21. Remove the junction block cover.

  22. Object Number: 1663997  Size: SH
  23. Remove the nut (1) securing the starter solenoid cable to the bussed electrical center (BEC).
  24. Remove the starter solenoid cable from the BEC stud.

  25. Object Number: 1669922  Size: SH
  26. Remove the positive battery cable (1) from the BEC stud.

  27. Object Number: 1669921  Size: SH
  28. Remove the positive battery clips (2) from the side engine compartment.
  29. Carefully unseat the positive battery cable grommet (1) from the front of dash.
  30. From inside the vehicle, carefully remove the positive battery cable by pulling the cable through the front of dash and out of the vehicle.

Installation Procedure


    Object Number: 1669921  Size: SH
  1. From inside the vehicle, carefully lay out the positive battery cable and route the front portion through the front of dash.
  2. From under the hood, carefully seat the positive battery cable grommet (1) to the front of dash.
  3. Install the positive battery clips (2) to the side engine compartment.

  4. Object Number: 1669922  Size: SH
  5. Install the positive battery cable (1) to the BEC stud.

  6. Object Number: 1663997  Size: SH
  7. Install the starter solenoid cable to the BEC stud.
  8. Notice: Refer to Fastener Notice in the Preface section.

  9. Install the nut (1) securing the starter solenoid cable to the BEC.
  10. Tighten
    Tighten the nut to 15 N·m (11 lb ft).


    Object Number: 1664482  Size: SH
  11. Install the junction block cover.

  12. Object Number: 1669919  Size: SH
  13. From inside the vehicle, position the dash mat flap (1) into place.
  14. Install the positive battery cable clip (5) to the dash mat.
  15. Install the positive battery cable clips (2, 3, and 4) to the body harness retainers.

  16. Object Number: 1669917  Size: SH
  17. Install the positive battery cable retainers (2, 3 and 4) to the body harness channel.
  18. Install the positive battery cable retainer (1) to the rocker panel.

  19. Object Number: 1669915  Size: SH
  20. Install the positive battery cable terminal (2) to the junction block stud.
  21. Install the positive battery cable nut (1) to the junction block stud.
  22. Tighten
    Tighten the nut to 15 N·m (11 lb ft).


    Object Number: 1669913  Size: SH
  23. Install the positive battery cable retainer (1) to the floor pan stud.

  24. Object Number: 1669909  Size: SH
  25. Position the positive battery cable (2) to the battery.
  26. Tighten the positive battery cable bolt (1).
  27. Tighten
    Tighten the bolt to 17 N·m (13 lb ft).

  28. Snap the positive battery cable cover (3) closed.
  29. Connect the negative battery cable. Refer to Battery Negative Cable Disconnection and Connection .
  30. Install the carpet. Refer to Front Floor Panel Carpet Replacement and Rear Floor Panel Carpet Replacement .
  31. Install the surge tank. Refer to Radiator Surge Tank Replacement .