GM Service Manual Online
For 1990-2009 cars only
Figure 1:

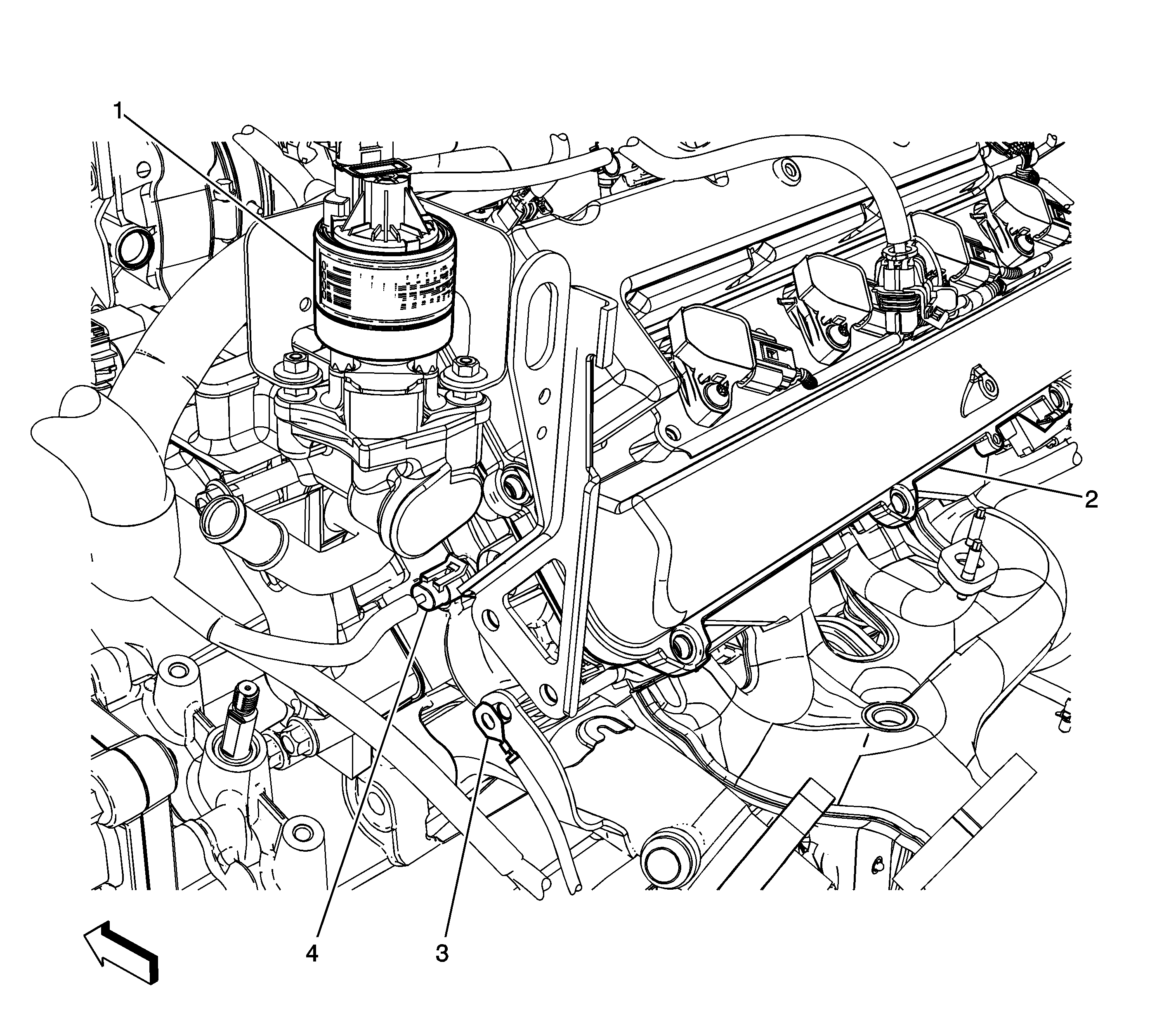
Near the Rear Cylinder Head (LD8/L37)


Object Number: 1707093  Size: LF
(1)Exhaust Gas Recirculation (EGR) Valve
(2)Valve Cover
(3)G100
(4)Engine Coolant Temperature (ECT) Sensor
Figure 2:

Starter and Generator Harness


Object Number: 1619133  Size: LF
(1)Valve Cover
(2)C161
(3)Starter
(4)Generator Terminal
(5)Generator Inline Fuse (V4U)
Figure 3:

G104


Object Number: 1657298  Size: LF
(1)Upper Radiator Trim
(2)G104
(3)Right Front Wheel Panel
Figure 4:

Left Side of Engine (4.6L)


Object Number: 1697753  Size: LF
(1)Engine - 4.6L
(2)Engine Oil Level Switch (06)
(3)A/C Compressor
(4)Generator
(5)G110
Figure 5:

G112, G114, and G115 (LD8/L37)


Object Number: 1707088  Size: LF
(1)Exhaust Manifold
(2)G114
(3)G112
(4)G115
Figure 6:

Left Side of Engine Compartment


Object Number: 1657026  Size: LF
(1)G101
(2)Front Fascia
(3)Inflatable Restraint Front End Sensor - Left
(4)Inflatable Restraint Front End Sensor - Right
(5)Lower Front Tie Bar
Figure 7:

Engine Harness - Rear (L37/LD8)


Object Number: 1619136  Size: LF
(1)Engine Control Module (ECM) C3
(2)C111
(3)S110
(4)C138
(5)S102
(6)Intake Manifold
(7)C161
(8)C140
(9)S116
(10)S115
(11)G100
(12)G112
(13)G115
(14)G114
(15)S113
(16)S114
(17)Electronic Brake Control Module (EBCM) Connector
(18)C175
(19)Engine Control Module (ECM) C2
(20)Engine Control Module (ECM) C1
Figure 8:

Steering Column Components


Object Number: 1657337  Size: LF
(1)Turn Signal/Multifunction Switch
(2)Traction Control Switch (AV8)
(3)Column Shifter Shift Lock Control Solenoid (AV8)
(4)Ignition Key Alarm Switch
(5)Theft Deterrent Module (TDM)
(6)Ignition Switch
(7)Inflatable Restraint Steering Wheel Module Coil
(8)Steering Angle Sensor (JL4)
(9)Telescoping Actuator (N37)
(10)Tilt Actuator (N37)
(11)Tilt/Telescope Switch (N37)
Figure 9:

Steering Column Inlines


Object Number: 1860584  Size: LF
(1)Ignition Switch
(2)C205
(3)C207
Figure 10:

Passenger - Left Rear Area


Object Number: 1657000  Size: LF
(1)G306
(2)Inflatable Restraint Roof Rail Module - Left
(3)C321 Body Harness to Headliner Harness
(4)Traffic Information Receiver (Japan)
(5)C445 Body Harness to Rear Shelf Harness
(6)C313 Body Harness to LR Seat Harness
(7)Splice Pack SP300
(8)G301
(9)Fuse Block - Rear
(10)Audio Amplifier
Figure 11:

Under Passenger Seat - Right Rear


Object Number: 1656936  Size: LF
(1)Body Harness
(2)G303
(3)Battery Current Sensor
(4)C337 Negative Battery Cable to the Body Harness
(5)Rear Seat Back Cushion
(6)Battery Positive Cable
(7)Fuse Block - Rear
(8)Battery
(9)Negative Battery Cable
Figure 12:

Battery Cable Harness


Object Number: 1619132  Size: LF
(1)Fuse Block - Underhood
(2)Floor Panel
(3)Battery
(4)G303
(5)Fuse Block - Rear Terminal Connector
Figure 13:

Body Harness - Passenger Compartment


Object Number: 1619160  Size: LF
(1)C206
(2)C200
(3)S377
(4)S376
(5)S375
(6)C301
(7)C325
(8)C326
(9)S329
(10)S395
(11)C314
(12)S343
(13)C302
(14)G304
(15)G302
(16)S370
(17)C341(AV8)
(18)S336 (06)
(19)S301
(20)C303
(21)S350
(22)G305
(23)G300
(24)C315
(25)S378
(26)S379
(27)C300
(28)C202
(29)C205
(30)C201
(31)C316
(32)C340 (AQ9)
Figure 14:

Above Quarter Panel - Right Rear


Object Number: 1656975  Size: LF
(1)G307
(2)Rear Seat Back Body Panel
Figure 15:

Driver Seat Area Components (Body Harness)


Object Number: 1657014  Size: LF
(1)C315 Body Harness to Driver Seat Harness
(2)G300
(3)Inflatable Restraint Side Impact Module - Left Connector
(4)G305
(5)Yaw and Lateral Acceleration Sensor (JL4)
(6)Inflatable Restraint Sensing and Diagnostic Module (SDM)
(7)Inflatable Restraint Side Impact Sensor - Left
(8)Seat Belt Pretensioner - LF
(9)B-Pillar
(10)Inflatable Restraint Roof Rail Module - Left (AY0)
Figure 16:

Quarter Panel - Right Rear


Object Number: 1656978  Size: LF
(1)Electronic Suspension Control (ESC) Module (F55)
(2)C494 Body Harness to Rear Fascia Harness (UFR)
(3)G403
(4)Front and Rear Object Alarm Module (UFR)
Figure 17:

Body Harness - Rear Compartment


Object Number: 1619161  Size: LF
(1)S326
(2)S325
(3)C337
(4)S324
(5)C397 (CF5)
(6)C395 (DE9)
(7)C494 (UFR)
(8)C309
(9)Tail Lamp Assembly - Left
(10)G403
(11)Tail Lamp Assembly - Right
(12)G402
(13)G306
(14)C321
(15)S366
(16)C445
(17)S365
(18)S372
(19)C313
(20)SP300
(21)G301
(22)S374
(23)Fuse Block - Rear
(24)S323
(25)S317
(26)S380
(27)S373
(28)S337