GM Service Manual Online
For 1990-2009 cars only

Removal Procedure


    Object Number: 1662120  Size: SH
  1. Remove the fuel injector sight shield cover. Refer to Fuel Injector Sight Shield Replacement .
  2. Remove the air cleaner outlet duct. Refer to Air Cleaner Outlet Duct Replacement .
  3. Disconnect the front ignition coil module engine harness electrical connector (3).
  4. Disconnect the front fuel injectors engine harness electrical connectors (1).

  5. Object Number: 1662118  Size: SH
  6. Disconnect the rear ignition coil module engine harness electrical connector (4).
  7. Disconnect the rear fuel injectors engine harness electrical connectors (3).

  8. Object Number: 1661024  Size: SH
  9. Disconnect the positive crankcase ventilation (PCV) foul air tube quick connect fitting from the right camshaft cover. Refer to Plastic Collar Quick Connect Fitting Service .

  10. Object Number: 1661022  Size: SH
  11. Disconnect the PCV fresh air tube quick connect fitting from the camshaft cover. Refer to Plastic Collar Quick Connect Fitting Service .

  12. Object Number: 1662130  Size: SH
  13. Disconnect the fuel feed line (1) quick connect fitting at the fuel rail. Refer to Metal Collar Quick Connect Fitting Service .

  14. Object Number: 1662131  Size: SH
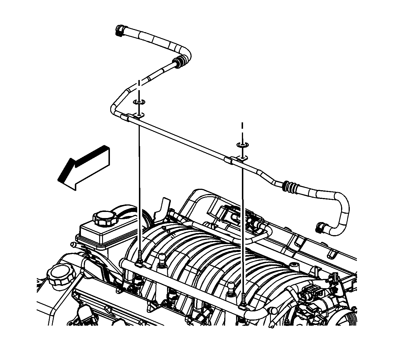
  15. Reposition the radiator surge tank inlet hose/pipe clamp at the surge tank.
  16. Remove the surge tank inlet hose/pipe from the surge tank.

  17. Object Number: 1662132  Size: SH
  18. Reposition the radiator surge tank inlet hose/pipe clamp at the engine.
  19. Remove the surge tank inlet hose/pipe from the engine fitting.

  20. Object Number: 1662133  Size: SH
  21. Remove the 2 pushnuts securing the surge tank inlet hose/pipe to the fuel rail studs.
  22. Remove the surge tank inlet hose/pipe from the fuel rail studs.
  23. Remove the engine harness retainer from the fuel rail stud.

  24. Object Number: 1662134  Size: SH
  25. Remove the coolant heater cord tabs from the fuel rail studs, if equipped.

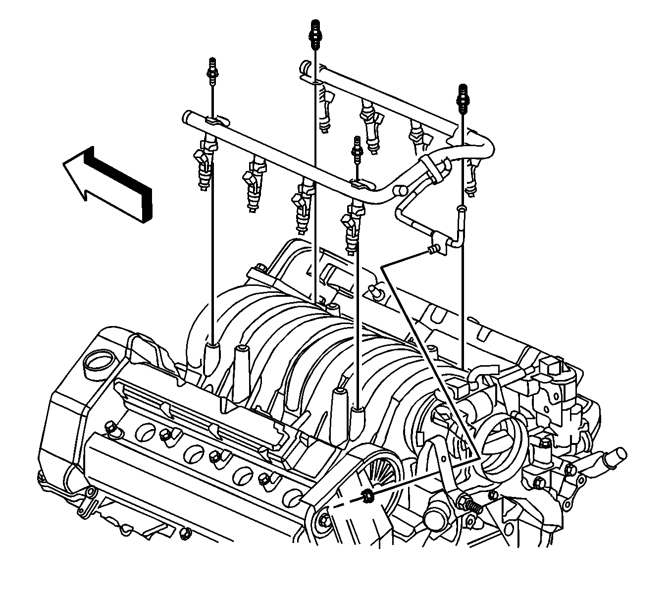
  26. Object Number: 1662136  Size: SH
  27. Remove the fuel rail bracket nut at the rear left lift bracket.
  28. Remove the fuel rail studs.
  29. Remove the fuel rail.

  30. Object Number: 1662138  Size: SH
  31. Loosen the plenum duct clamp screw (1) at the water pump housing.

  32. Object Number: 1662137  Size: SH
  33. Remove intake manifold bolts.
  34. Position the power steering aside. Refer to Power Steering Pump Replacement .
  35. Remove the intake manifold.
  36. Disconnect the PCV foul air tube quick connect fitting at the intake manifold. Refer to Plastic Collar Quick Connect Fitting Service .
  37. Remove the PCV foul air tube from the retaining features on the intake manifold.
  38. Remove and discard the old seals.
  39. Clean and inspect the intake manifold. Refer to Intake Manifold Cleaning and Inspection .

Installation Procedure


    Object Number: 1662137  Size: SH
  1. Install the new intake manifold seals.
  2. Connect the PCV foul air tube quick connect fitting at the intake manifold. Refer to Plastic Collar Quick Connect Fitting Service .
  3. Install the PCV foul air tube to the retaining features on the intake manifold.
  4. Lightly grease the inside edge of the rubber plenum duct on the water pump housing.
  5. Install the intake manifold.
  6. Install intake manifold bolts until snug.
  7. Notice: Refer to Fastener Notice in the Preface section.


    Object Number: 797947  Size: SH
  8. Tighten the intake manifold bolts.
  9. Tighten
    Tighten the bolts in the sequence shown to 10 N·m (89 lb in).


    Object Number: 1662138  Size: SH
  10. Ensure that the intake manifold is fully installed into the plenum duct on the water pump housing.
  11. Install the power steering pump. Refer to Power Steering Pump Replacement .
  12. Tighten the plenum duct clamp screw (1) at the water pump housing.
  13. Tighten
    Tighten the screw to 2.75 N·m (24 lb in).


    Object Number: 1662136  Size: SH
  14. Lubricate the fuel injector lower O-ring seals with clean engine oil.
  15. Install the fuel rail.
  16. Install the fuel rail studs.
  17. Tighten
    Tighten the studs to 10 N·m (89 lb in).

  18. Install the fuel rail bracket nut at the rear left lift bracket.
  19. Tighten
    Tighten the nut to 10 N·m (89 lb in).


    Object Number: 1662134  Size: SH
  20. Install the coolant heater cord tabs to the fuel rail studs, if equipped.

  21. Object Number: 1662133  Size: SH
  22. Install the engine harness retainer to the fuel rail stud.
  23. Install the surge tank inlet hose/pipe to the fuel rail studs.
  24. Install the 2 pushnuts securing the surge tank inlet hose/pipe to the fuel rail studs.

  25. Object Number: 1662132  Size: SH
  26. Install the surge tank inlet hose/pipe to the engine fitting.
  27. Position the radiator surge tank inlet hose/pipe clamp at the engine.

  28. Object Number: 1662131  Size: SH
  29. Install the surge tank inlet hose/pipe to the surge tank.
  30. Position the radiator surge tank inlet hose/pipe clamp at the surge tank.

  31. Object Number: 1662130  Size: SH
  32. Connect the fuel feed line (1) quick connect fitting at the fuel rail. Refer to Metal Collar Quick Connect Fitting Service .

  33. Object Number: 1661022  Size: SH
  34. Connect the PCV fresh air tube quick connect fitting to the camshaft cover. Refer to Plastic Collar Quick Connect Fitting Service .

  35. Object Number: 1661024  Size: SH
  36. Connect the PCV foul air tube quick connect fitting to the right camshaft cover. Refer to Plastic Collar Quick Connect Fitting Service .

  37. Object Number: 1662118  Size: SH
  38. Connect the rear fuel injectors engine harness electrical connectors (3).
  39. Connect the rear ignition coil module engine harness electrical connector (4).

  40. Object Number: 1662120  Size: SH
  41. Connect the front fuel injectors engine harness electrical connectors (1).
  42. Connect the front ignition coil module engine harness electrical connector (3).
  43. Install the air cleaner outlet duct. Refer to Air Cleaner Outlet Duct Replacement .
  44. Install the fuel injector sight shield cover. Refer to Fuel Injector Sight Shield Replacement .