GM Service Manual Online
For 1990-2009 cars only

Removal Procedure

Caution: In order to avoid being burned, do not service the exhaust system while it is still hot. Service the system when it is cool.

Caution: Always wear protective goggles and gloves when removing exhaust parts as falling rust and sharp edges from worn exhaust components could result in serious personal injury.


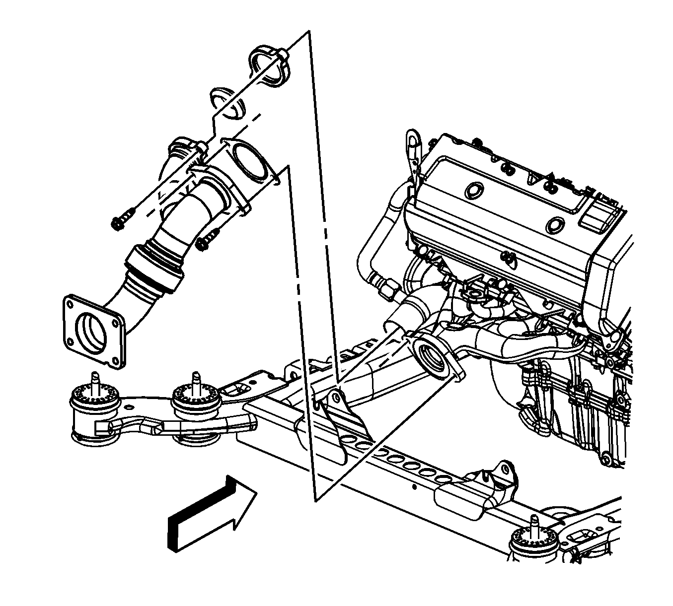
    Object Number: 1670482  Size: SH
  1. Raise and support the vehicle. Refer to Lifting and Jacking the Vehicle .
  2. Remove the catalytic converter to rear exhaust manifold pipe nuts.
  3. Notice: Do not over-flex or damage the flex joint when moving the flex joint from the normal mounting position.

  4. Position the exhaust system rearward, enough to allow the studs located in the catalytic converter to clear the rear exhaust manifold pipe.
  5. Remove and discard the catalytic converter gasket.

  6. Object Number: 1670486  Size: SH
  7. Remove the rear exhaust manifold pipe to the right exhaust manifold bolts.
  8. Remove the rear exhaust manifold pipe to the front exhaust manifold pipe bolts.
  9. Remove and discard the rear exhaust manifold pipe gasket.
  10. Remove and discard the rear exhaust manifold pipe seal.
  11. Remove the rear exhaust manifold pipe flange.

Installation Procedure

Notice: When inspecting or replacing exhaust system components, make sure there is adequate clearance from all points on the underbody to prevent overheating of the floor pan and possible damage to the passenger compartment insulation and trim materials.


    Object Number: 1670486  Size: SH
  1. Install the following components to the rear exhaust manifold pipe.
  2. 1.1. Position a NEW rear exhaust manifold pipe seal and the rear exhaust manifold pipe flange to the rear exhaust manifold pipe.
    1.2. Insert and snug the 2 rear exhaust manifold pipe to flange bolts.
    1.3. Insert the 2 rear exhaust manifold pipe to exhaust manifold bolts.
    1.4. Place a NEW rear exhaust manifold pipe to exhaust manifold gasket onto the bolts.
  3. Install and position the rear exhaust manifold pipe to the front exhaust manifold pipe and exhaust manifold.
  4. Notice: Refer to Fastener Notice in the Preface section.

  5. Tighten the rear exhaust manifold pipe to exhaust manifold bolts.
  6. Tighten
    Tighten the bolts to 40 N·m (30 lb ft).

  7. Tighten the rear exhaust manifold pipe to front exhaust manifold pipe bolts.
  8. Tighten
    Tighten the bolts to 25 N·m (18 lb ft).


    Object Number: 1670482  Size: SH
  9. Place a NEW catalytic converter gasket over the catalytic converter studs.
  10. Notice: Do not over-flex or damage the flex joint when moving the flex joint from the normal mounting position.

  11. Position the catalytic converter to the rear exhaust manifold pipe.
  12. Install the catalytic converter to the rear exhaust manifold pipe.
  13. Tighten
    Tighten the nuts to 25 N·m (18 lb ft).

  14. Lower the vehicle.