GM Service Manual Online
For 1990-2009 cars only

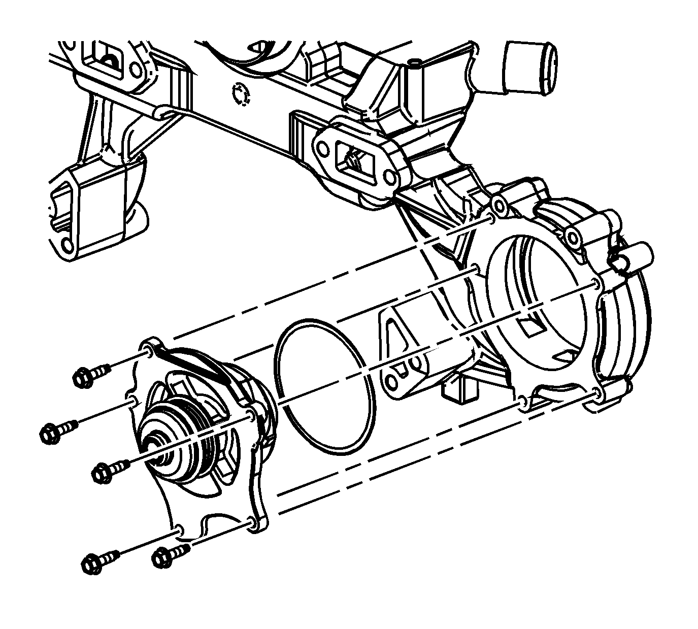
    Object Number: 1564167  Size: SH
  1. Install the NEW water pump O-ring.

  2. Object Number: 1564207  Size: SH
  3. Install the water pump.
  4. Notice: Use the correct fastener in the correct location. Replacement fasteners must be the correct part number for that application. Fasteners requiring replacement or fasteners requiring the use of thread locking compound or sealant are identified in the service procedure. Do not use paints, lubricants, or corrosion inhibitors on fasteners or fastener joint surfaces unless specified. These coatings affect fastener torque and joint clamping force and may damage the fastener. Use the correct tightening sequence and specifications when installing fasteners in order to avoid damage to parts and systems.

  5. Install the water pump bolts.
  6. Tighten
    Tighten the water pump bolts to 10 N·m (89 lb in).


    Object Number: 1564205  Size: SH

    Important: Do not use any type of sealant between the plenum duct and the water crossover.

  7. Install the NEW throttle body plenum duct.
  8. Tighten
    Tighten the throttle body plenum duct clamp to 2.25 N·m (20 lb in).


    Object Number: 1564203  Size: SH
  9. Install the rear lift bracket.
  10. Install the rear lift bracket bolt.
  11. Tighten
    Tighten the rear lift bracket bolt to 25 N·m (18 lb ft).

  12. Install the engine coolant outlet fitting.
  13. Tighten
    Tighten the engine coolant outlet fitting to 53 N·m (39 lb ft).


    Object Number: 1564200  Size: SH
  14. Install the MAP sensor.
  15. Install the MAP sensor bracket.
  16. Install the MAP sensor bracket bolt.
  17. Tighten
    Tighten the MAP sensor bracket bolt to 10 N·m (89 lb in).


    Object Number: 1564198  Size: SH
  18. Install the NEW throttle body seal.
  19. Install the throttle body.
  20. Install the shift cable bracket.
  21. Install the throttle body bolts.
  22. Tighten
    Tighten the throttle body bolts to 10 N·m (89 lb in).


    Object Number: 1564197  Size: SH
  23. Install the EVAP emission canister purge valve.
  24. Install the EVAP emission canister purge valve bolts.
  25. Tighten
    Tighten the EVAP emission canister purge valve bolts to 10 N·m (89 lb in).


    Object Number: 1564195  Size: SH
  26. Install the NEW EGR gasket.
  27. Install the EGR valve.
  28. Install the EGR valve bolts.
  29. Tighten
    Tighten the EGR valve bolts to 24 N·m (17 lb ft).


    Object Number: 1564178  Size: SH
  30. Install the EGR bracket shield.
  31. Install the EGR bracket shield nut.
  32. Tighten
    Tighten the EGR bracket shield nuts to 10 N·m (89 lb in).


    Object Number: 522696  Size: SH
  33. Install the water outlet and thermostat.
  34. Install the water outlet bolts.
  35. Tighten
    Tighten the water outlet bolts to 10 N·m (89 lb in).

  36. Install the NEW water pump cover gasket.

  37. Object Number: 1564175  Size: SH
  38. Install the water pump cover.

  39. Object Number: 682832  Size: SH

    Important: Ensure the bolt is installed in the lower inboard position (1) and the studs are installed in the remaining positions (2).

  40. Install the water pump cover bolt and studs.
  41. Tighten
    Tighten the water pump cover bolt and studs to 10 N·m (89 lb in).