GM Service Manual Online
For 1990-2009 cars only

Removal Procedure

Notice: Use care when handling the coolant sensor. Damage to the coolant sensor will affect the operation of the fuel control system.


    Object Number: 1663209  Size: SH
  1. Remove the fuel injector sight shield. Refer to Fuel Injector Sight Shield Replacement .
  2. Drain the cooling system. Refer to Cooling System Draining and Filling .
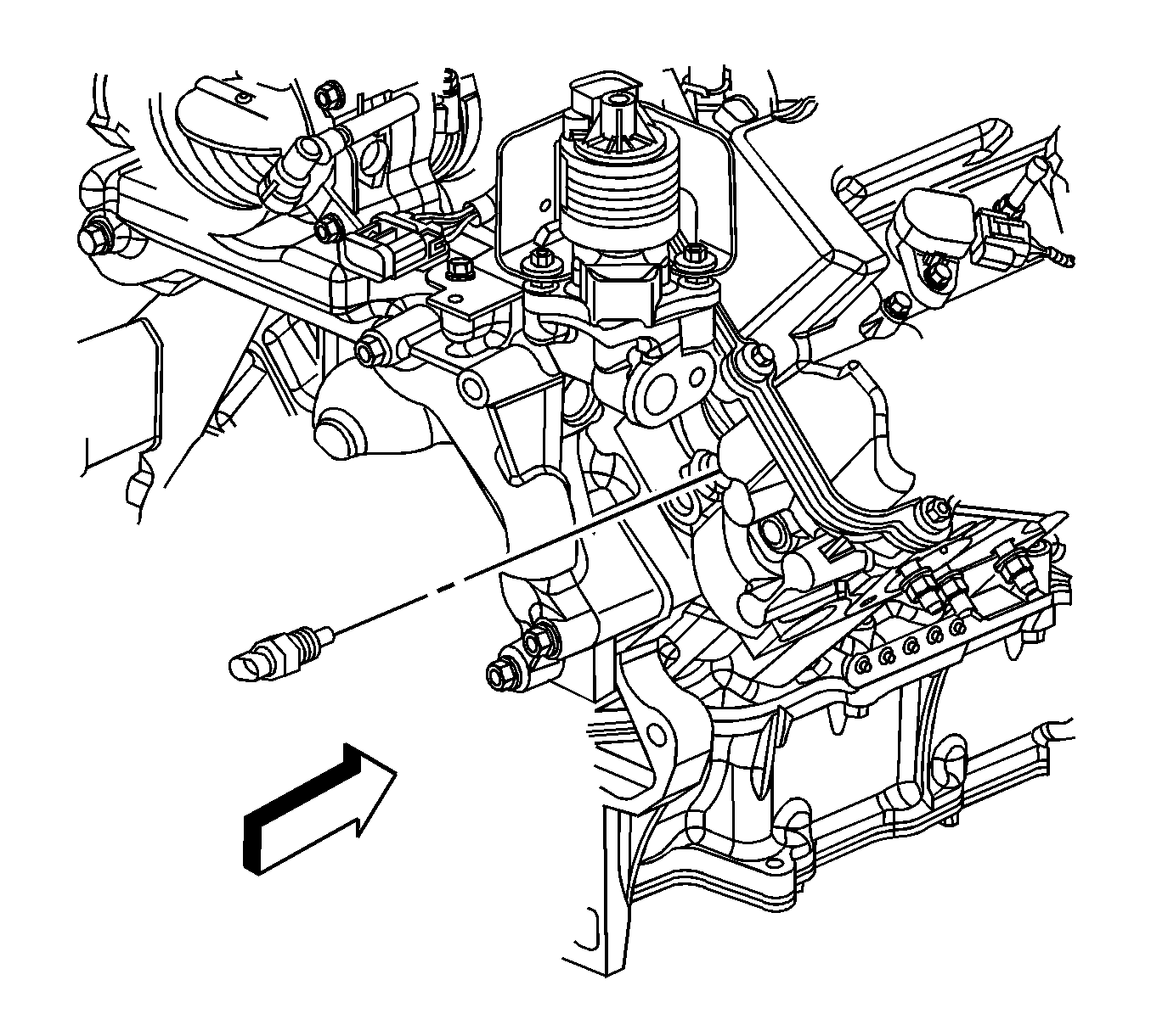
  3. Disconnect the engine harness electrical connector (6) from the engine coolant temperature (ECT) sensor.

  4. Object Number: 1670866  Size: SH
  5. Remove the ECT sensor.

Installation Procedure

Notice: Use care when handling the coolant sensor. Damage to the coolant sensor will affect the operation of the fuel control system.

Notice: Replacement components must be the correct part number for the application. Components requiring the use of the thread locking compound, lubricants, corrosion inhibitors, or sealants are identified in the service procedure. Some replacement components may come with these coatings already applied. Do not use these coatings on components unless specified. These coatings can affect the final torque, which may affect the operation of the component. Use the correct torque specification when installing components in order to avoid damage.


    Object Number: 1670866  Size: SH
  1. Apply sealant GM P/N 12346004 (Canadian P/N 10953480) or equivalent to the threads of the ECT sensor.
  2. Notice: Refer to Fastener Notice in the Preface section.

  3. Install the ECT sensor.
  4. Tighten
    Tighten the sensor to 20 N·m (15 lb ft).


    Object Number: 1663209  Size: SH
  5. Connect the engine harness electrical connector (6) to the ECT sensor.
  6. Fill the cooling system. Refer to Cooling System Draining and Filling .
  7. Install the fuel injector sight shield. Refer to Fuel Injector Sight Shield Replacement .