GM Service Manual Online
For 1990-2009 cars only

Removal Procedure

    Important: Do NOT remove an air supply pipe in an attempt to depressurize the air suspension. Always follow the Air Suspension Depressurization Procedure. Refer to Air Suspension Depressurization . Failure to follow this procedure may cause personal injury or damage to the vehicle.

  1. Raise and support the vehicle. Refer to Lifting and Jacking the Vehicle .
  2. Depressurize the air suspension system. Refer to Air Suspension Depressurization .
  3. Important: Before disconnecting the air hoses from the intake air filter or the air compressor note the location of each hose. Clean the components and the surrounding area to prevent dirt and other foreign material from entering the ECAS (Electronically Controlled Air Suspension) system.


    Object Number: 1671470  Size: SH
  4. Disconnect the right and left air tubes (1) from the control solenoids.

  5. Object Number: 1671472  Size: SH
  6. Disconnect the electrical connectors (1) from the compressor assembly.

  7. Object Number: 1671462  Size: SH
  8. Remove the air intake filter (1) from the frame.

  9. Object Number: 1671461  Size: SH

    Important: Support the air compressor assembly before remove the mounting nuts and bolts.

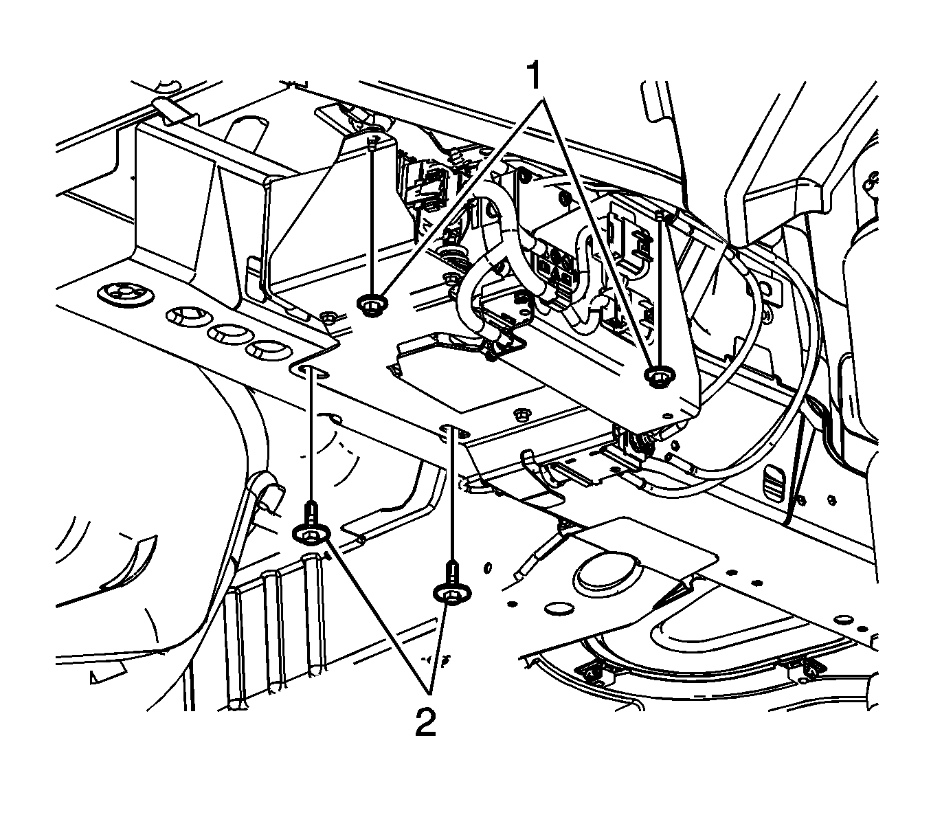
  10. Remove the air compressor assembly nuts (1).
  11. Remove the air compressor assembly bolts (2).

  12. Object Number: 1671457  Size: SH
  13. Remove the air compressor assembly (1) from the vehicle.

Installation Procedure


    Object Number: 1671457  Size: SH
  1. Position the air compressor assembly (1) to the vehicle.
  2. Notice: Refer to Fastener Notice in the Preface section.


    Object Number: 1671461  Size: SH
  3. Install the air compressor assembly nuts (1) and bolts (2) to the vehicle.
  4. Tighten
    Tighten the nuts and bolts to 9 N·m (80 lb in).


    Object Number: 1671462  Size: SH
  5. Install the air compressor filter (1) to the frame.

  6. Object Number: 1671472  Size: SH
  7. Connect the air compressor electrical connectors (1).


    Object Number: 1671470  Size: SH
  8. Connect the right and left air tubes (1) to the control solenoids.
  9. Pressurize the air suspension system after the repair has been completed. Refer to Air Suspension Pressurization .
  10. Lower the vehicle. Refer to Lifting and Jacking the Vehicle .