GM Service Manual Online
For 1990-2009 cars only

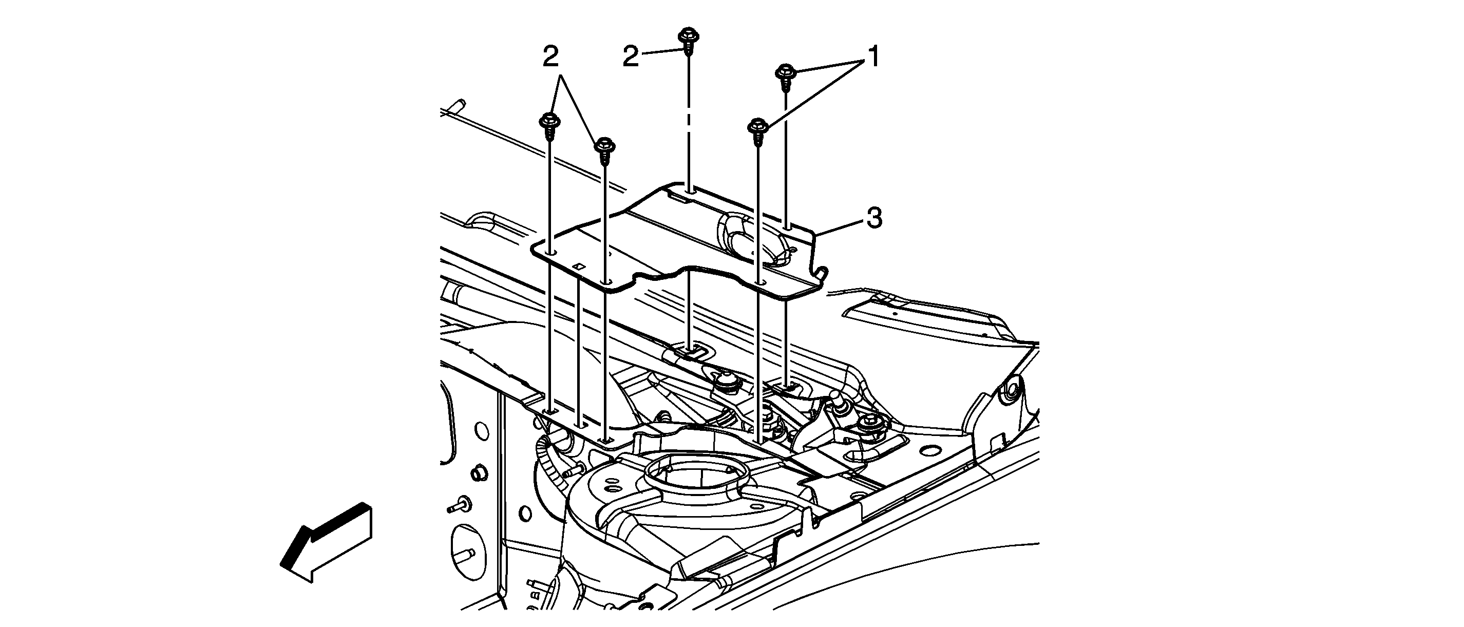
Object Number: 1589360  Size: SF

Callout

Component Name

Notice: Refer to Fastener Notice in the Preface section.

Fastener Tightening Specifications: Refer to Fastener Tightening Specifications .

Preliminary Procedure

Remove the air inlet grille panel. Refer to Air Inlet Grille Panel Replacement .

1

Bolts, Windshield Frame Reinforcement (Qty: 2)

Tighten
8 N·m (71 lb in)

2

Bolts, Windshield Frame Reinforcement (Qty: 3)

Tighten
8 N·m (71 lb in)

3

Frame, Windshield Reinforcement