GM Service Manual Online
For 1990-2009 cars only

Object Number: 1592545  Size: SF

Callout

Component Name

Preliminary Procedure

Remove the windshield wiper transmission. Refer to Windshield Wiper Transmission Replacement

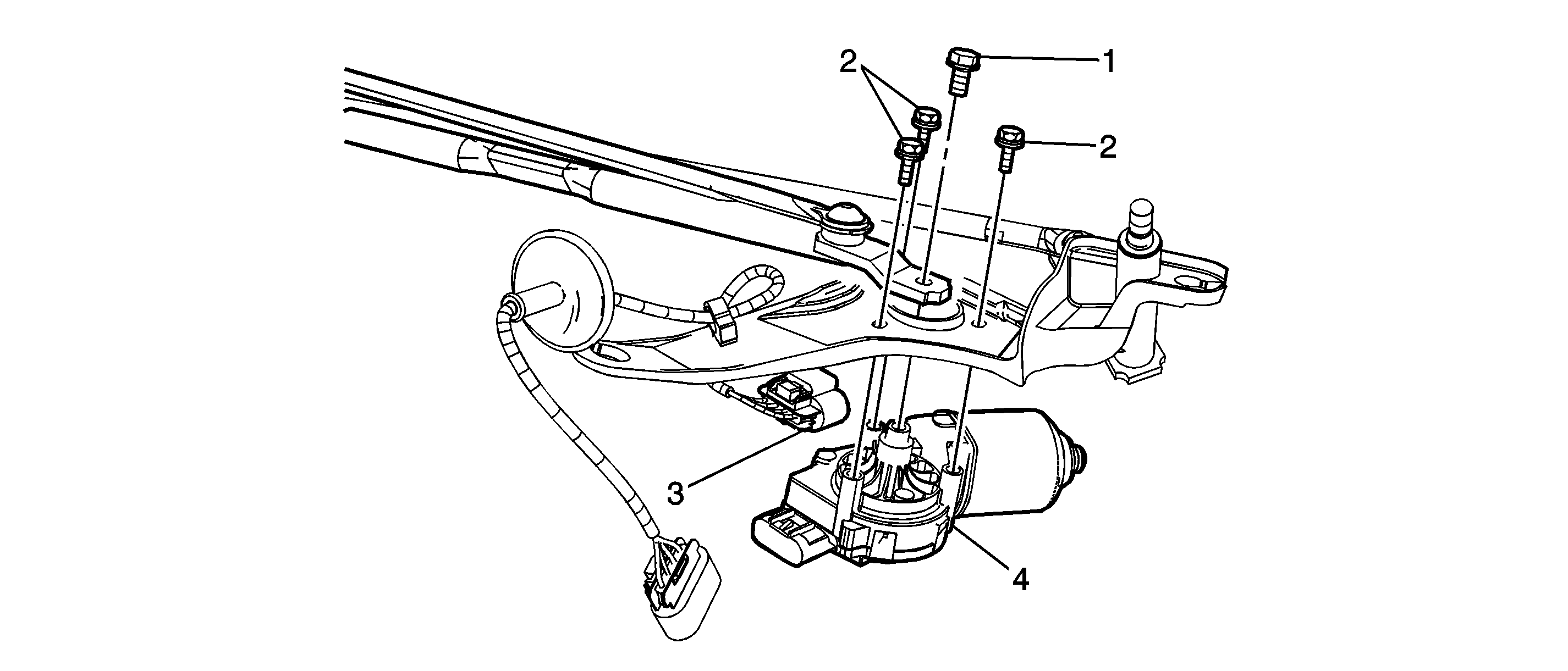
1

Windshield Wiper Motor Crank Arm Nut

Notice: Refer to Fastener Notice in the Preface section.

Tighten
9 N·m (80 lb in)

2

Windshield Wiper Motor Bolt (Qty: 3)

Tighten
6 N·m (53 lb in)

3

Windshield Wiper Motor Wiring Harness Assembly

Procedure

Disconnect the harness electrical connector from the wiper motor.

4

Windshield Wiper Motor Assembly