GM Service Manual Online
For 1990-2009 cars only
Makes
🢒
Cadillac
🢒
2007
🢒
DTS
🢒
Steering
🢒
Power Steering
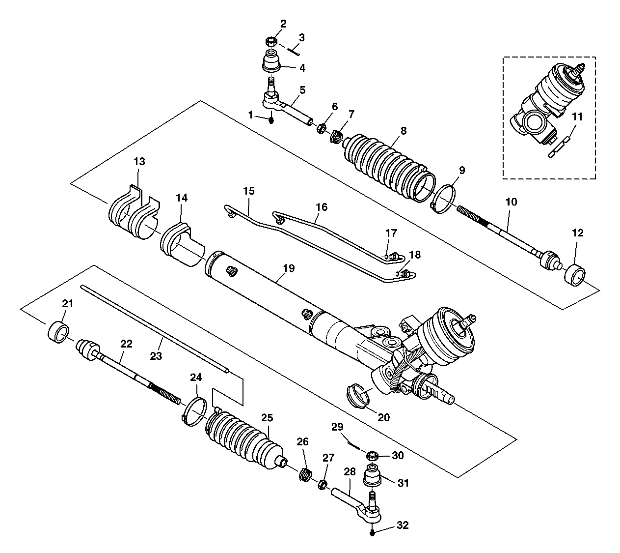
🢒 Power Steering Gear Disassembled View
Power Steering Gear Disassembled View Magnasteer
Magnasteer Power Steering Gear
(1)
Lubrication Fitting
(2)
Hexagon Slotted Nut
(3)
Cotter Pin
(4)
Tie Rod Seal
(5)
Outer Tie Rod
(6)
Hexagon Jam Nut
(7)
Tie Rod End Clamp
(8)
Rack and Pinion Boot
(9)
Large Boot Retaining Clamp
(10)
Inner Tie Rod
(11)
Adjuster Plug Lock Nut
(12)
Shock Dampener Ring
(13)
Mounting Bracket Assembly
(14)
Mounting Grommet
(15)
Cylinder Line (LH)
(16)
Cylinder Line (RH)
(17)
O-ring Seal
(18)
O-ring Seal
(19)
Rack and Pinion Gear Assembly (Partial)
(20)
Dust Cover
(21)
Shock Dampener Ring
(22)
Inner Tie Rod
(23)
Breather Tube
(24)
Large Boot Retaining Clamp
(25)
Rack and Pinion Boot
(26)
Tie Rod End Clamp
(27)
Hexagon Jam Nut
(28)
Outer Tie Rod
(29)
Cotter Pin
(30)
Hexagon Slotted Nut
(31)
Tie Rod Seal
(32)
Lubrication Fitting