GM Service Manual Online
For 1990-2009 cars only
Makes
🢒
Cadillac
🢒
2007
🢒
DTS
🢒
Steering
🢒
Steering Wheel and Column
🢒 Steering Wheel Schematics
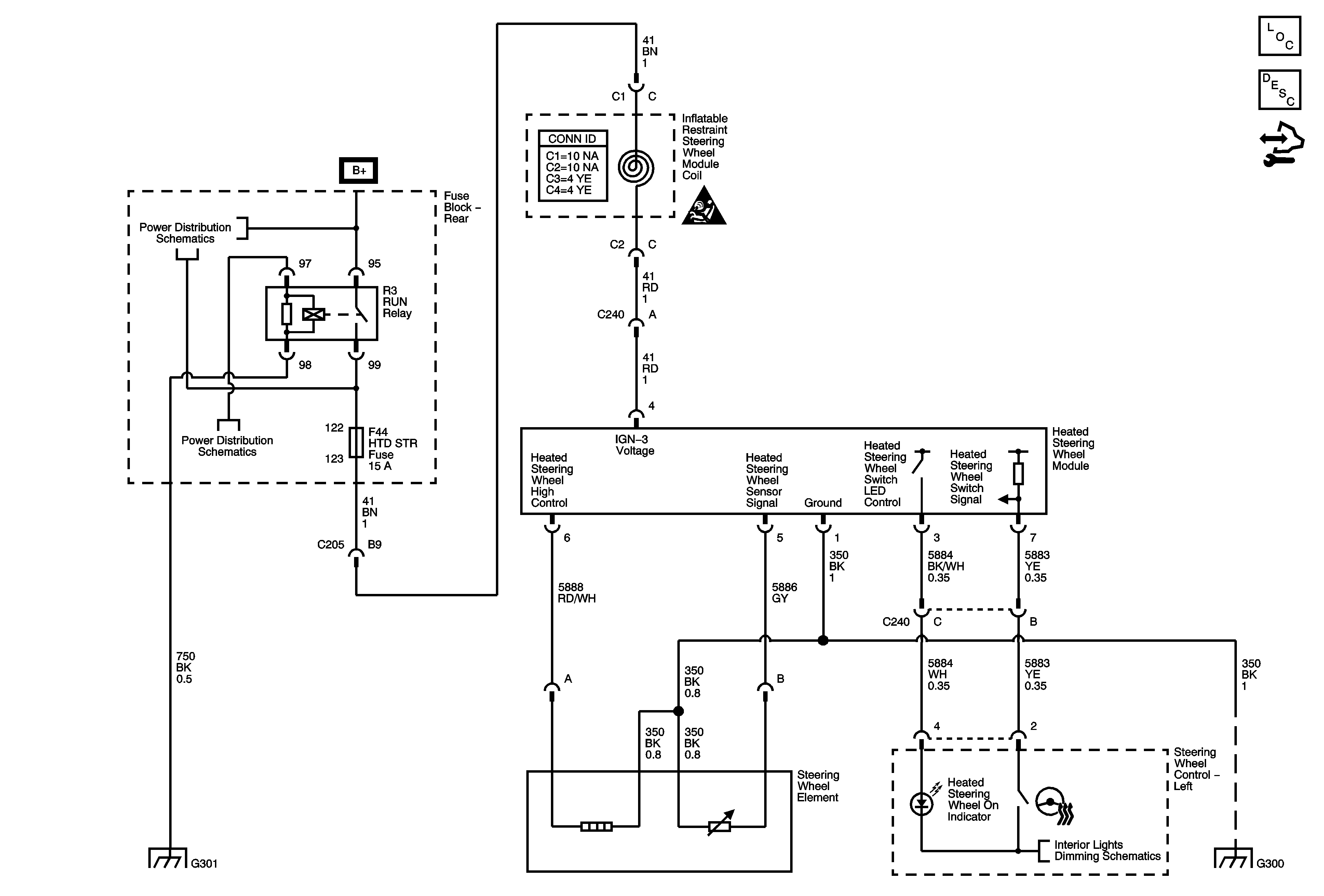
Heated Steering Wheel
Master Electrical Component List
Steering Wheel and Column Description and Operation
Control Module References
Rear Fuse Block B+
Rear Fuse Block - RUN Relay, REAR HVAC, HTD STR, HTD/COOL/IGN3, BCM LOGIC Fuses
G301
HVAC Control Module, Steering Wheel, Heated Seat KA6, Telltale Assembly Info Center
G300
Steering Wheel and Column Schematic Icons