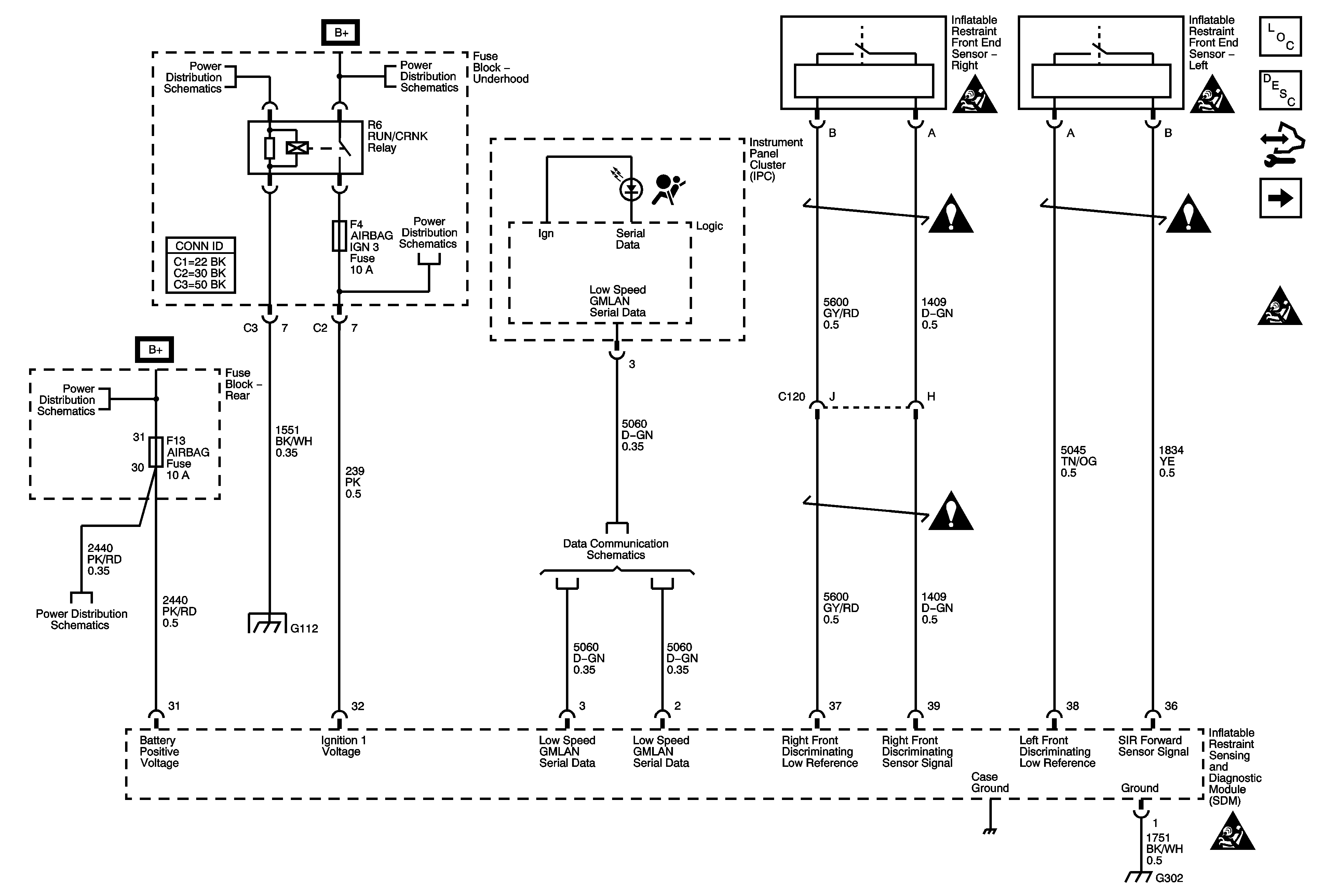
| Figure 1: |
Indicators, Power, Ground, Front End Sensors
|
| Figure 2: |
Left Side Impact Sensor and Module, Roof Rail Module, Steering Module, Pretensioner
|
| Figure 3: |
Right Side Impact Sensor and Module, Roof Rail Module, I/P Module, Pretensioner
|
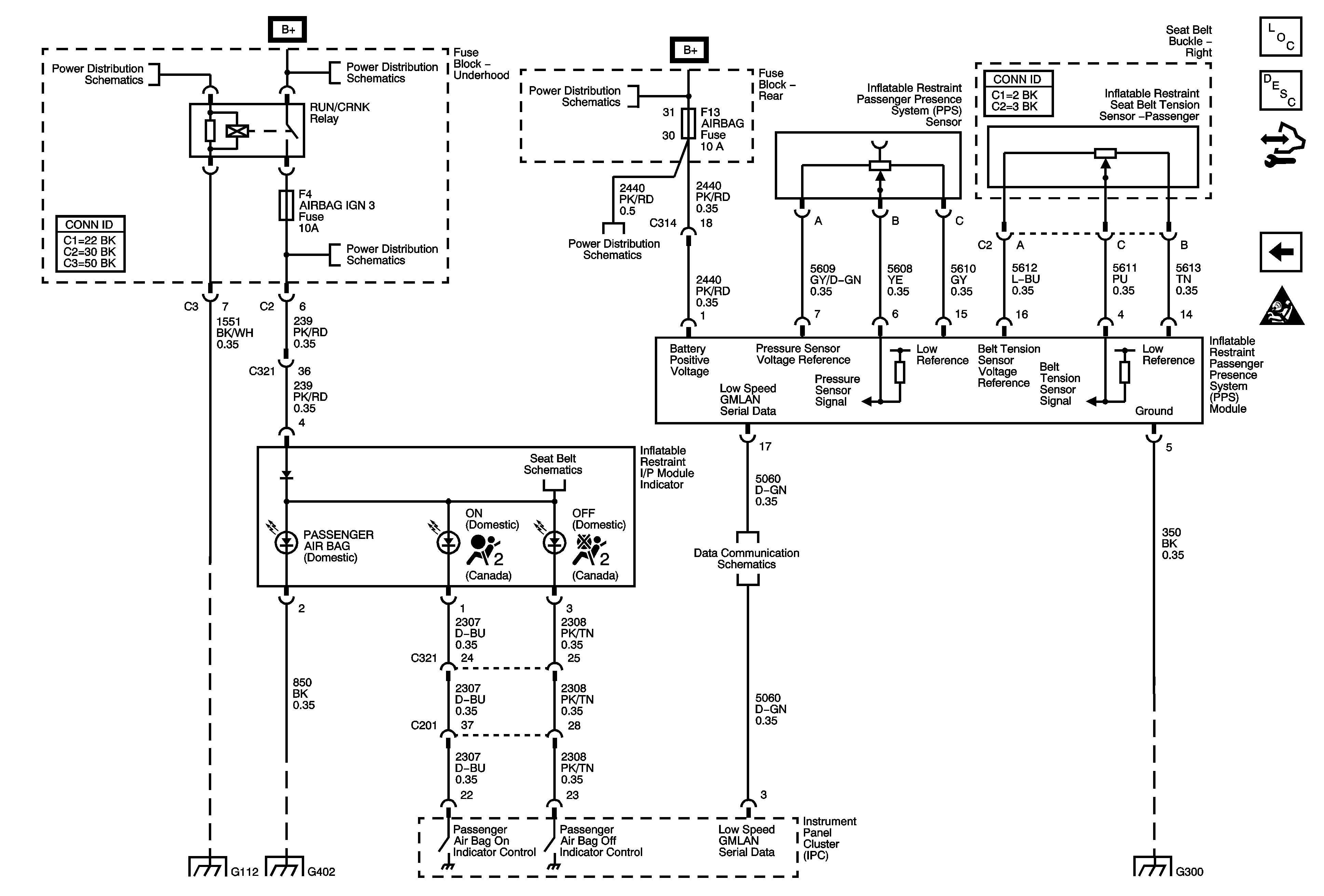
| Figure 4: |
Passenger Presence System (PPS)
|