GM Service Manual Online
For 1990-2009 cars only
Makes
🢒
Cadillac
🢒
2007
🢒
DTS
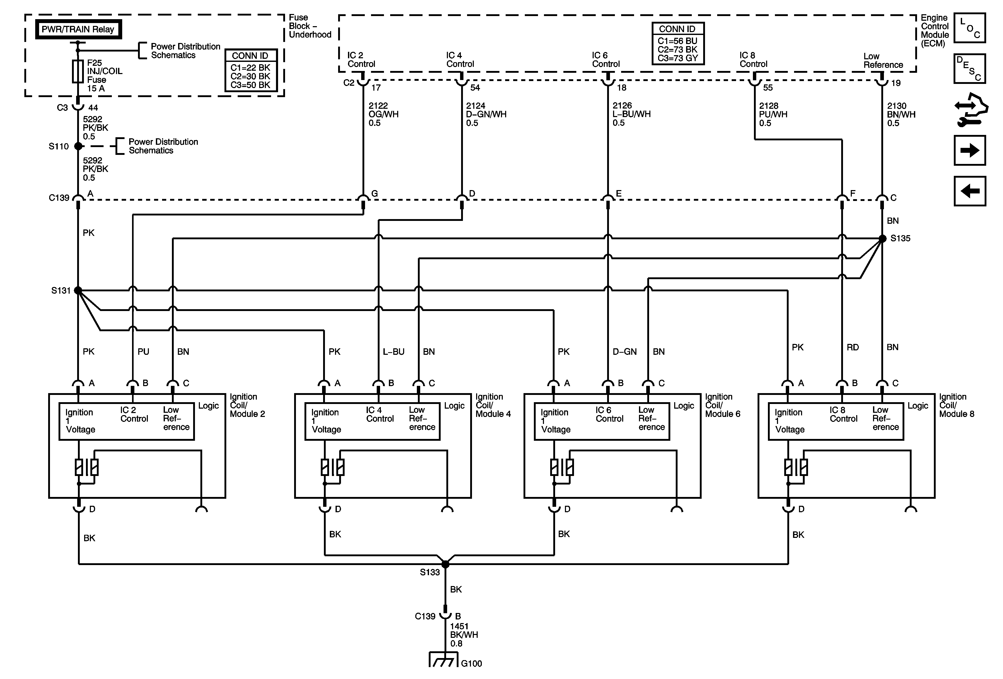
🢒 Ignition Controls 2 of 2
Ignition Controls 2 of 2
Ignition Controls - 2 of 2
Master Electrical Component List
Electronic Ignition (EI) System Description
Control Module References
CKP, CMP, Knock Sensors
Ignition Controls 1 of 2
Underhood Fuse Block B+
Underhood Fuse Block - PWR/TRAIN, AIR PUMP, AIR/SOL Relays, AIR PUMP, AIR/SOL, ECM/CRNK, INJ/COIL, PWR TRN Fuses
G100, G112