GM Service Manual Online
For 1990-2009 cars only
Makes
🢒
Cadillac
🢒
2007
🢒
DTS
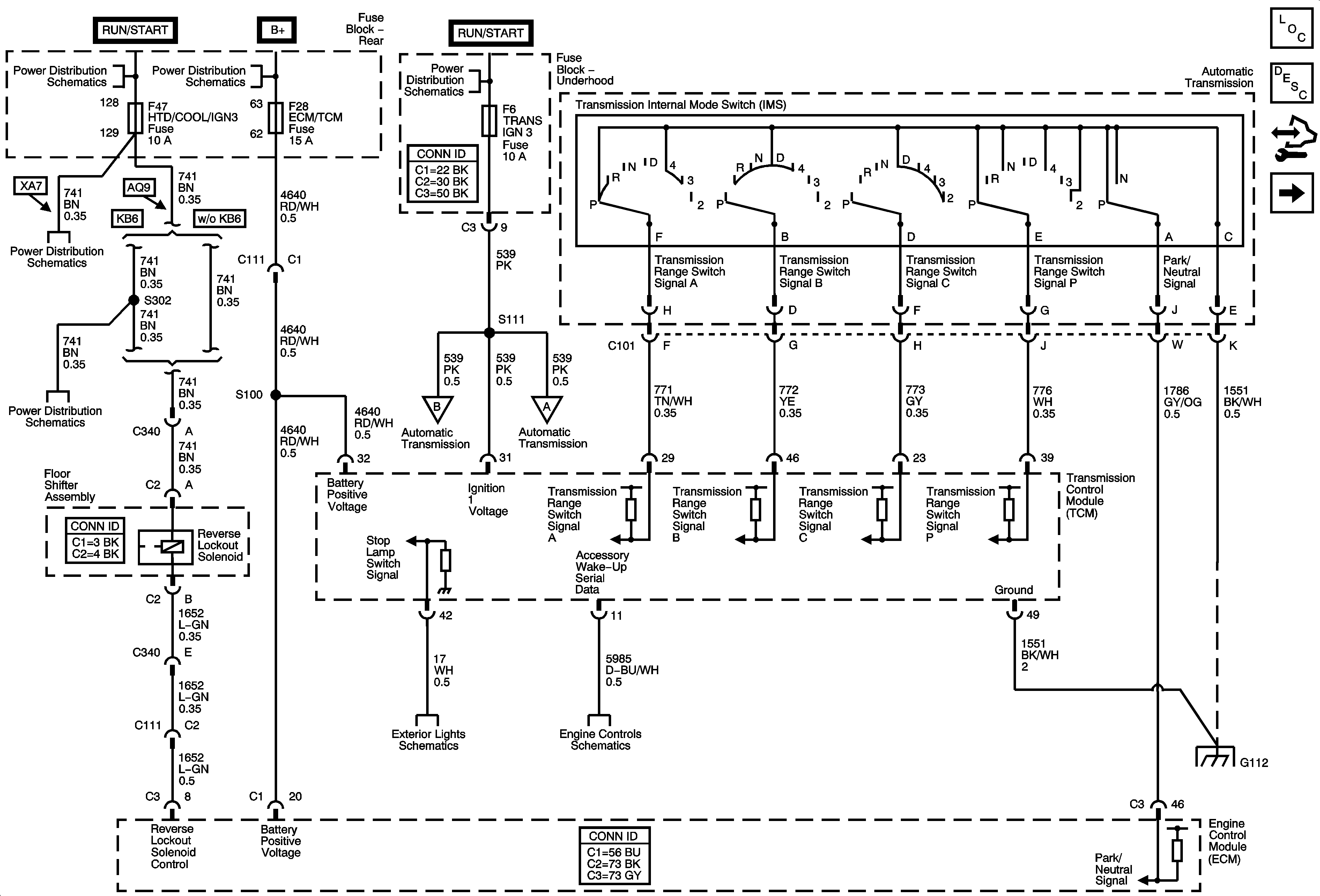
🢒 TCM Power and Ground
TCM Power and Ground
TCM Power Ground
Master Electrical Component List
Electronic Component Description
Control Module References
Transmission Solenoids and VSS
Rear Fuse Block B+
Rear Fuse Block B+
Rear Fuse Block B+
Rear Fuse Block - RUN Relay, REAR HVAC, HTD STR, HTD/COOL/IGN3, BCM LOGIC Fuses
Rear Fuse Block - RUN Relay, REAR HVAC, HTD STR, HTD/COOL/IGN3, BCM LOGIC Fuses
Transmission Solenoids and VSS
Transmission Solenoids and VSS
Stop/Rear Turn Signal Lamps
Power, Ground, MIL and DLC
G100, G112