GM Service Manual Online
For 1990-2009 cars only
Makes
🢒
Cadillac
🢒
2007
🢒
DTS
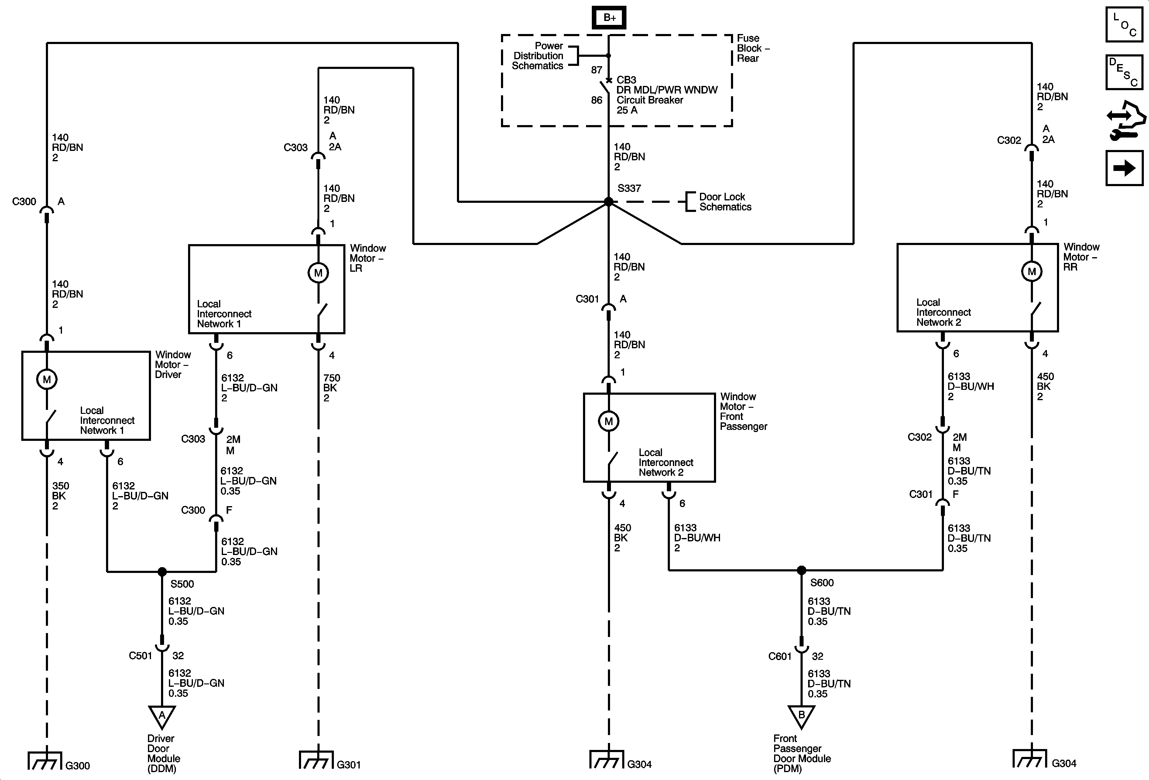
🢒 Window Motors
Window Motors
Window Motors
Power Windows Description and Operation
Window Switches
G300
Window Switches
G301
Rear Fuse Block B+
Rear Fuse Block - LT TRN/SIG, RR TRN/SIG, CHMSL/BCK-UP, INT LAMPS, SWTCH DM, HVAC BLWR Fuses, DR MDL/PWR WNDW Circuit Breaker
G304
Window Switches
G304