GM Service Manual Online
For 1990-2009 cars only
Makes
🢒
Cadillac
🢒
2007
🢒
DTS
🢒 Center High-Mounted Stop Lamp
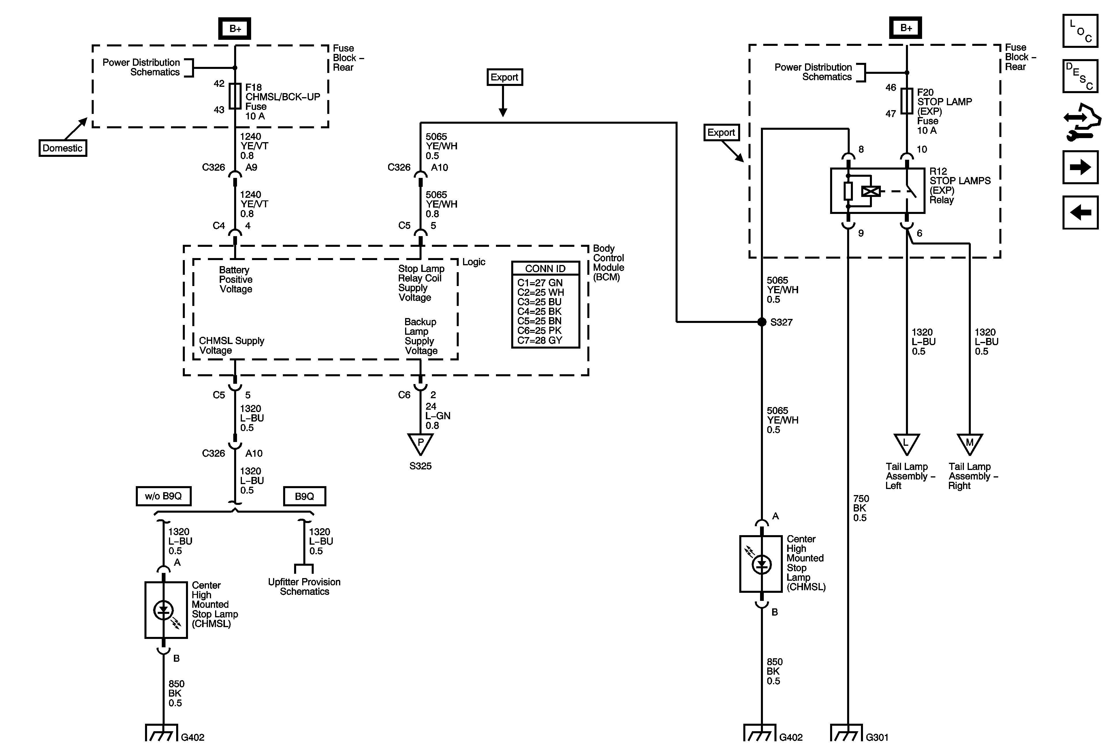
Center High-Mounted Stop Lamp
Center High Mounted Stop Lamp
Exterior Lighting Systems Description and Operation
Backup Lamps
Stop/Rear Turn Signal Lamps
Rear Fuse Block B+
Backup Lamps
Upfitter Provisions, Rear Door Latch (B9Q)
G402
Rear Fuse Block B+
Stop/Rear Turn Signal Lamps
Stop/Rear Turn Signal Lamps
G402
G301