GM Service Manual Online
For 1990-2009 cars only
Makes
🢒
Cadillac
🢒
2007
🢒
DTS
🢒 Interior Courtesy Lamps
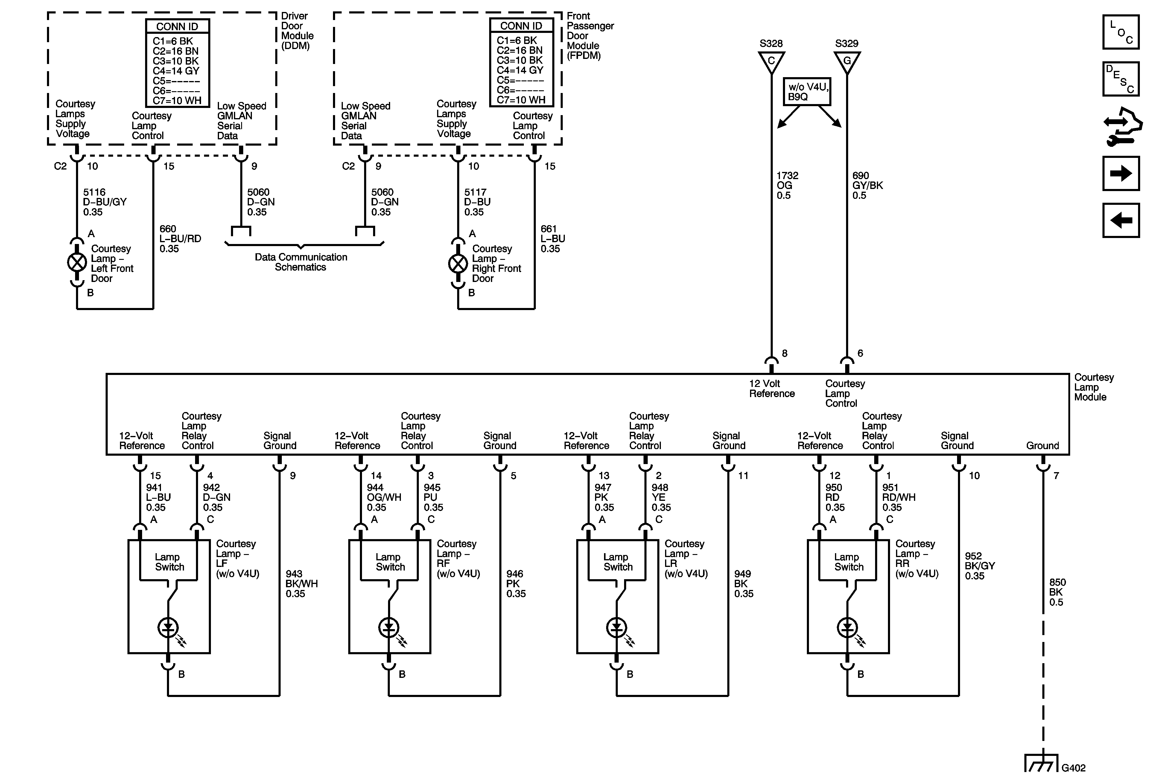
Interior Courtesy Lamps
Interior Courtesy Lamps
Interior Lighting Systems Description and Operation
Roof Rail Reading, Dome Lamp Courtesy Lamps - V4U
Vanity Mirror, Rear Compartment Courtesy, I/P Compartment, Overhead Console
Power, Ground and Low Speed GMLAN
Vanity Mirror, Rear Compartment Courtesy, I/P Compartment, Overhead Console
Roof Rail Reading, Dome Lamp Courtesy Lamps - V4U
G402