GM Service Manual Online
For 1990-2009 cars only
Makes
🢒
Cadillac
🢒
2007
🢒
DTS
🢒 Position Sensors
Position Sensors
Position Sensors
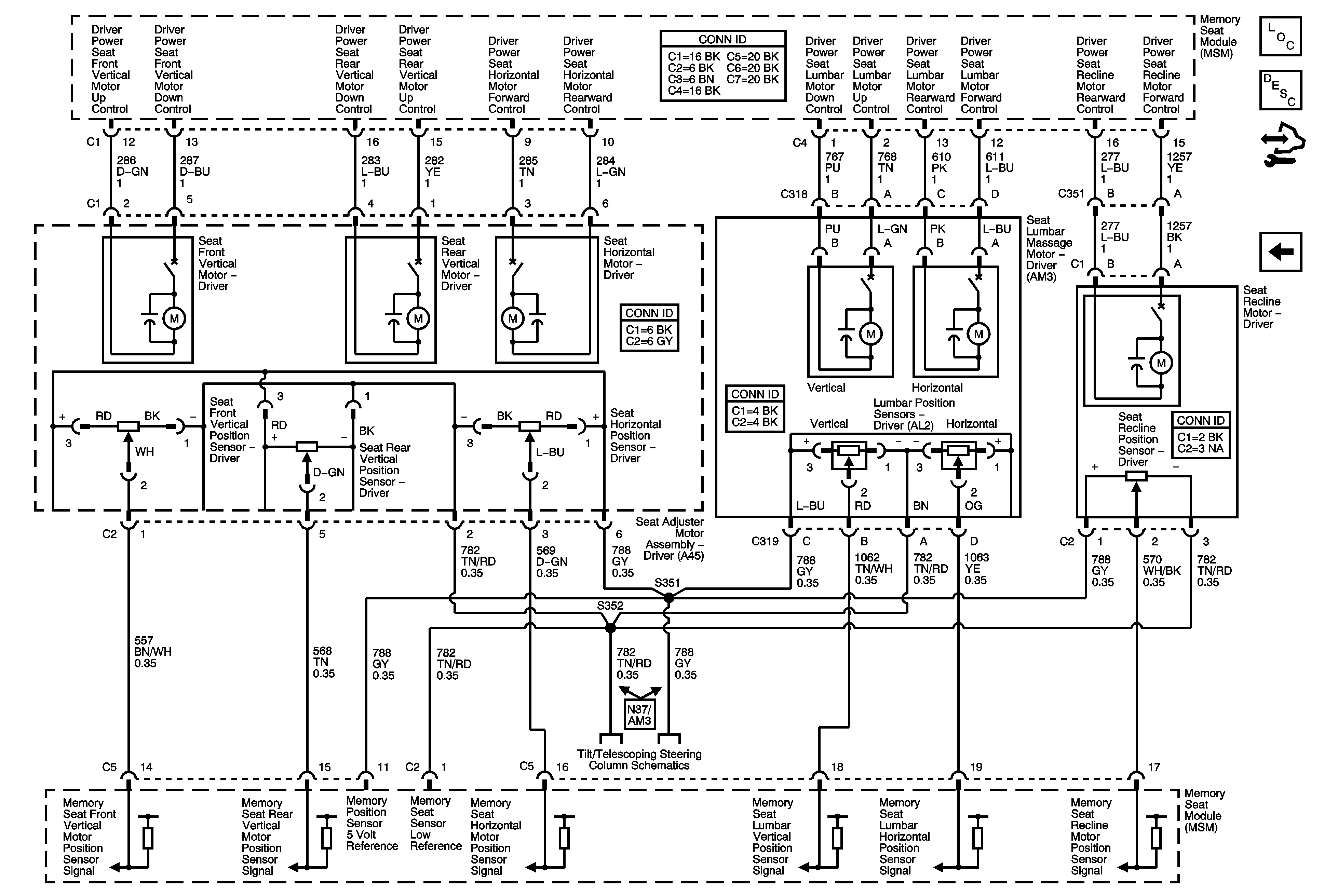
Memory Seats Description and Operation
w/ A45
Tilt/Telscoping N37