GM Service Manual Online
For 1990-2009 cars only
Makes
🢒
Cadillac
🢒
2007
🢒
DTS
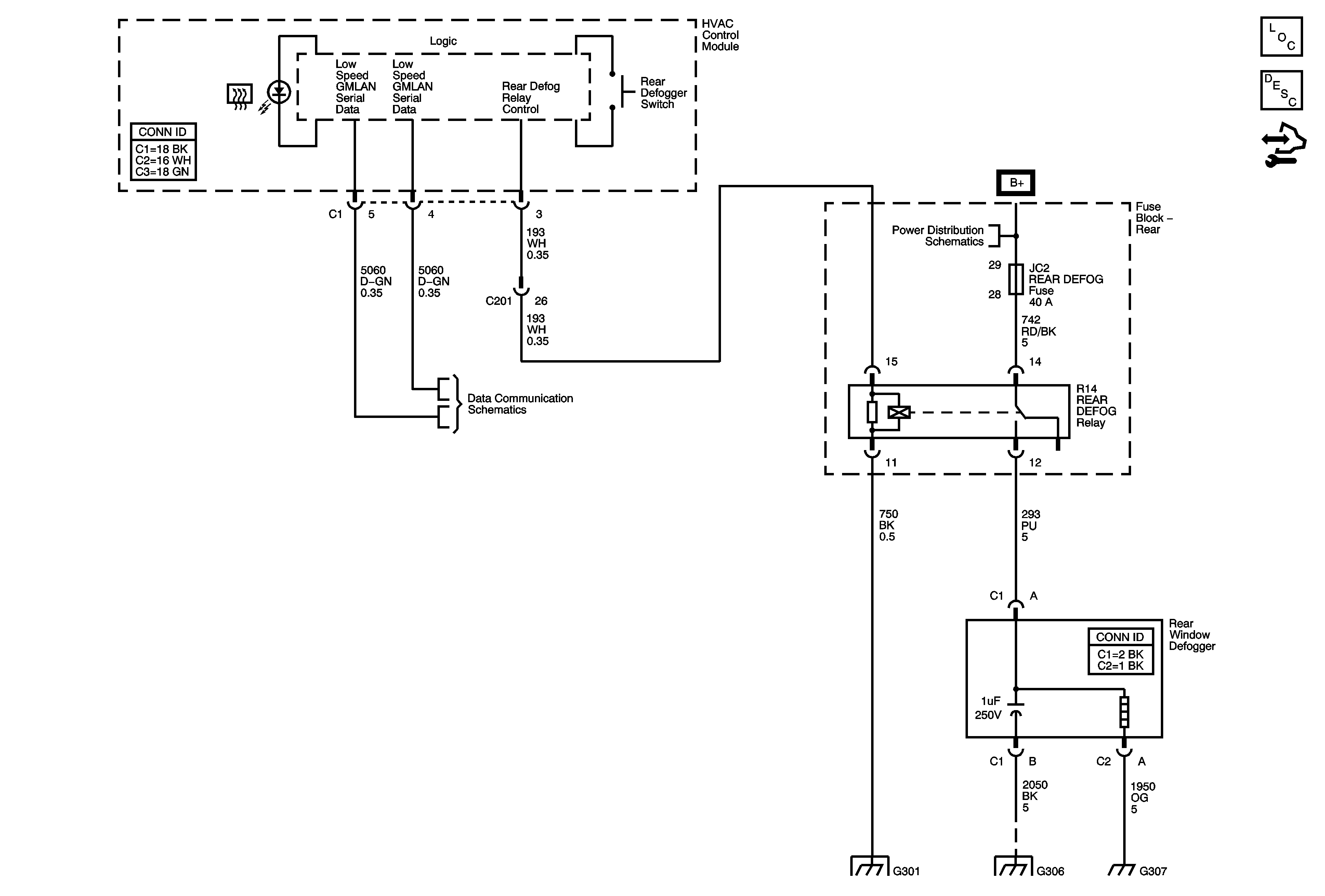
🢒 Defogger Schematics
Defogger Schematics
Rear Window Defogger Description and Operation
Power, Ground and Low Speed GMLAN
Rear Fuse Block B+
G301
G101, G110, G111, G114, G115, G302, G303, G306, G307